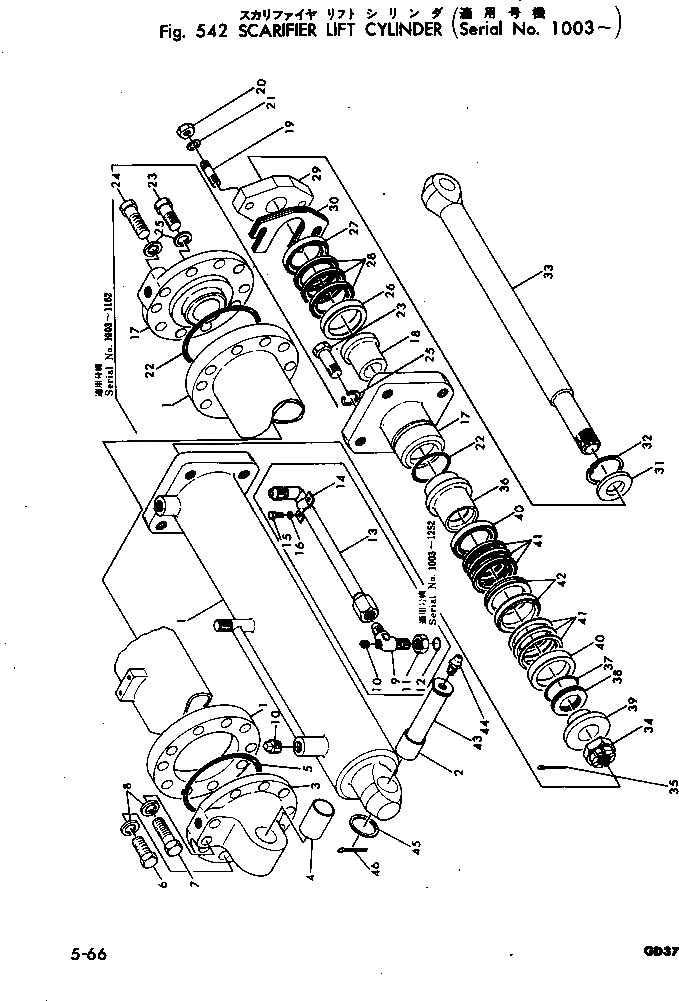
Запчасти Komatsu GD37-4 SCARIFIER ГИДРОЦИЛИНДР ПОДЪЕМА РАБОЧЕЕ ОБОРУДОВАНИЕ И ITS СИСТЕМА УПРАВЛЕНИЯ

Схема запчастей Komatsu GD37-4 - SCARIFIER ГИДРОЦИЛИНДР ПОДЪЕМА РАБОЧЕЕ ОБОРУДОВАНИЕ И ITS СИСТЕМА УПРАВЛЕНИЯ
FIT
1:1
100%

Артикул

Название

Примечание

Количество

|1

232-71-00173

CYLINDER ASS'Y

SN: 1618-UP

1шт.

|1

232-71-00172

CYLINDER ASS'Y

SN: 1253-1617

1шт.

|1

232-71-00171

CYLINDER ASS'Y

SN: 1163-1252

1шт.

|1

232-71-00170

CYLINDER ASS'Y

SN: 1003-1162

1шт.

|1

232-71-00173

CYLINDER ASS'Y,(FOR CUMMINS ENGINE)

SN: 1618-UP

1шт.

|1

232-801-0130

CYLINDER ASS'Y,(FOR CUMMINS ENGINE)

SN: 1293-1617

1шт.

|1

232-71-00182

CYLINDER ASS'Y

SN: 1618-UP

1шт.

|1

232-71-00181

CYLINDER ASS'Y

SN: 1163-1617

1шт.

|1

GD37T211A

CYLINDER

SN: 1003-1162

1шт.

1

232-71-15113

CYLINDER

SN: 1253-UP

1шт.

|1

232-71-15112

CYLINDER

SN: 1163-1252

1шт.

2

232-27-12190

BUSHING

SN: 1618-UP

1шт.

|2

232-27-12120

BUSHING

SN: 1163-1617

1шт.

|3

232-71-00190

COVER ASS'Y

SN: 1003-1162

1шт.

3

GD37T221

COVER

SN: 1003-1162

1шт.

4

232-27-12120

BUSHING

SN: 1003-1162

1шт.

5

07000-05145

O-RING (KIT)

SN: 1003-1162

1шт.

6

01000-31850

BOLT

SN: 1003-1162

8шт.

7

01000-31875

BOLT

SN: 1003-1162

2шт.

8

01602-01854

WASHER

SN: 1003-1162

10шт.

9

07231-00522

ELBOW

SN: 1163-1252

1шт.

|9

233-27-12420

ELBOW

SN: 1003-1162

1шт.

10

07042-00108

PLUG

SN: 1003-UP

1шт.

11

01501-32410

NUT

SN: 1163-1252

1шт.

|11

01501-32009

NUT

SN: 1003-1162

1шт.

12

07000-03020

O-RING (KIT)

SN: 1163-1252

1шт.

13

GD37T212B

TUBE

SN: 1163-1252

1шт.

|13

GD37T212A

TUBE

SN: 1003-1162

1шт.

14

232-71-11161

BAND

SN: 1003-1252

1шт.

15

01000-30816

BOLT

SN: 1003-1252

2шт.

16

01602-00825

WASHER

SN: 1003-1252

2шт.

|17

232-71-00201

COVER ASS'Y

SN: 1163-UP

1шт.

|17

232-71-00200

COVER ASS'Y

SN: 1003-1162

1шт.

17

232-71-15211

COVER

SN: 1163-UP

1шт.

|17

GD37T231

COVER

SN: 1003-1162

1шт.

18

232-60-91330

BUSHING

SN: 1003-UP

1шт.

19

01100-31450

STUD

SN: 1163-UP

2шт.

|19

01100-31435

STUD

SN: 1003-1162

2шт.

20

01500-31411

NUT

SN: 1003-UP

2шт.

21

01602-01442

WASHER

SN: 1003-UP

2шт.

22

07000-05120

O-RING

SN: 1163-UP

1шт.

|22

07000-05145

O-RING

SN: 1003-1162

1шт.

|22

07000-05120

O-RING,(FOR CUMMINS ENGINE)

SN: 1618-UP

1шт.

|22

07000-05020

O-RING,(FOR CUMMINS ENGINE)

SN: 1293-1617

1шт.

23

01000-32260

BOLT

SN: 1163-UP

4шт.

|23

01000-31850

BOLT

SN: 1003-1162

8шт.

24

01000-31875

BOLT

SN: 1003-1162

2шт.

25

01602-02268

WASHER

SN: 1163-UP

4шт.

|25

01602-01854

WASHER

SN: 1003-1162

10шт.

26

232-60-73130

SEAT

SN: 1003-UP

1шт.

27

232-27-12220

RETAINER

SN: 1003-UP

1шт.

28

232-60-91340

PACKING (KIT)

SN: 1003-UP

3шт.

29

232-27-12232

COVER

SN: 1163-UP

1шт.

|29

GD37T233

COVER

SN: 1003-1162

1шт.

30

232-27-12240

SHIM¤ 0.5MM (KIT)

SN: 1163-UP

20шт.

|30

232-60-91350

SHIM (KIT)

SN: 1003-1162

14шт.

31

232-27-12250

SEAL

SN: 1163-UP

1шт.

|31

GD37T234

SEAL

SN: 1003-1162

1шт.

32

04067-00070

RING

SN: 1163-UP

1шт.

33

232-71-15221

ROD

SN: 1163-UP

1шт.

|33

GD37T241

ROD

SN: 1003-1162

1шт.

34

232-71-12350

NUT

SN: 1003-UP

1шт.

35

04050-08070

PIN

SN: 1003-UP

1шт.

36

232-27-12331

PISTON

SN: 1163-UP

1шт.

|36

GD37T242

PISTON

SN: 1003-1162

1шт.

37

07000-03040

O-RING (KIT)

SN: 1003-UP

1шт.

38

232-60-91640

SHIM¤ 0.6MM (KIT)

SN: 1003-UP

6шт.

39

232-27-12340

COVER

SN: 1003-UP

1шт.

40

232-60-91320

RETAINER

SN: 1003-UP

2шт.

41

232-60-93110

V-PACKING (KIT)

SN: 1003-UP

6шт.

42

232-60-93120

SEAT

SN: 1003-UP

2шт.

43

232-71-15130

PIN

SN: 1003-UP

1шт.

44

07020-00000

FITTING

SN: 1003-UP

1шт.

45

232-71-15140

WASHER

SN: 1003-UP

1шт.

46

04050-08060

PIN

SN: 1003-UP

1шт.

Выбрано товаров: 75