Запчасти Komatsu GD37-4 РЫЧАГ СБРОСА ДАВЛЕНИЯ(№-) КОЛЕСА¤ РУЛЕВ. УПРАВЛЕНИЕ И СИСТЕМА УПРАВЛЕНИЯS

Схема запчастей Komatsu GD37-4 - РЫЧАГ СБРОСА ДАВЛЕНИЯ(№-) КОЛЕСА¤ РУЛЕВ. УПРАВЛЕНИЕ И СИСТЕМА УПРАВЛЕНИЯS
FIT
1:1
100%

Артикул

Название

Примечание

Количество

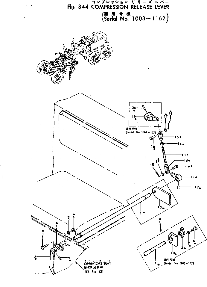
1

GD37N311B

SHAFT

SN: 1108-1162

1шт.

|1

GD37N311A

SHAFT

SN: 1023-1107

1шт.

|1

GD37N311

SHAFT

SN: 1003-1022

1шт.

2

232-43-11120

BEARING

SN: 1023-1162

1шт.

|2

232-43-11120

BEARING

SN: 1003-1022

2шт.

3

01000-30825

BOLT

SN: 1003-1162

2шт.

4

01500-00807

NUT

SN: 1003-1162

2шт.

5

01602-00825

WASHER

SN: 1003-1162

2шт.

6

01000-30820

BOLT

SN: 1003-1022

2шт.

7

01602-00825

WASHER

SN: 1003-1022

2шт.

8

GD371N122

LEVER

SN: 1003-@

1шт.

9

04030-00536

PIN

SN: 1003-@

1шт.

10

GD37N312A

PLATE (WELDED)

SN: 1108-1162

1шт.

|10

GD37N312

PLATE (WELDED)

SN: 1023-1107

1шт.

|10

GD37N124

SEAT (WELDED)

SN: 1003-1022

1шт.

11

GD37N313

LEVER

SN: 1023-@

1шт.

|11

GD372N125

LEVER

SN: 1003-1022

1шт.

12

04030-00536

PIN

SN: 1003-@

1шт.

13

GD37N316C

ROD

SN: 1108-1162

1шт.

|13

GD37N316B

ROD

SN: 1023-1107

1шт.

|13

GD37N316A

ROD

SN: 1003-1022

1шт.

14

01501-00805

NUT

SN: 1003-@

1шт.

15

04211-00844

YOKE

SN: 1003-@

2шт.

16

04205-00822

PIN

SN: 1003-@

2шт.

17

01640-00816

WASHER

SN: 1003-@

2шт.

18

04050-02022

PIN

SN: 1003-@

2шт.

19

GD372N126

LEVER

SN: 1003-1022

1шт.

20

04030-00640

PIN

SN: 1003-1022

1шт.

Выбрано товаров: 28