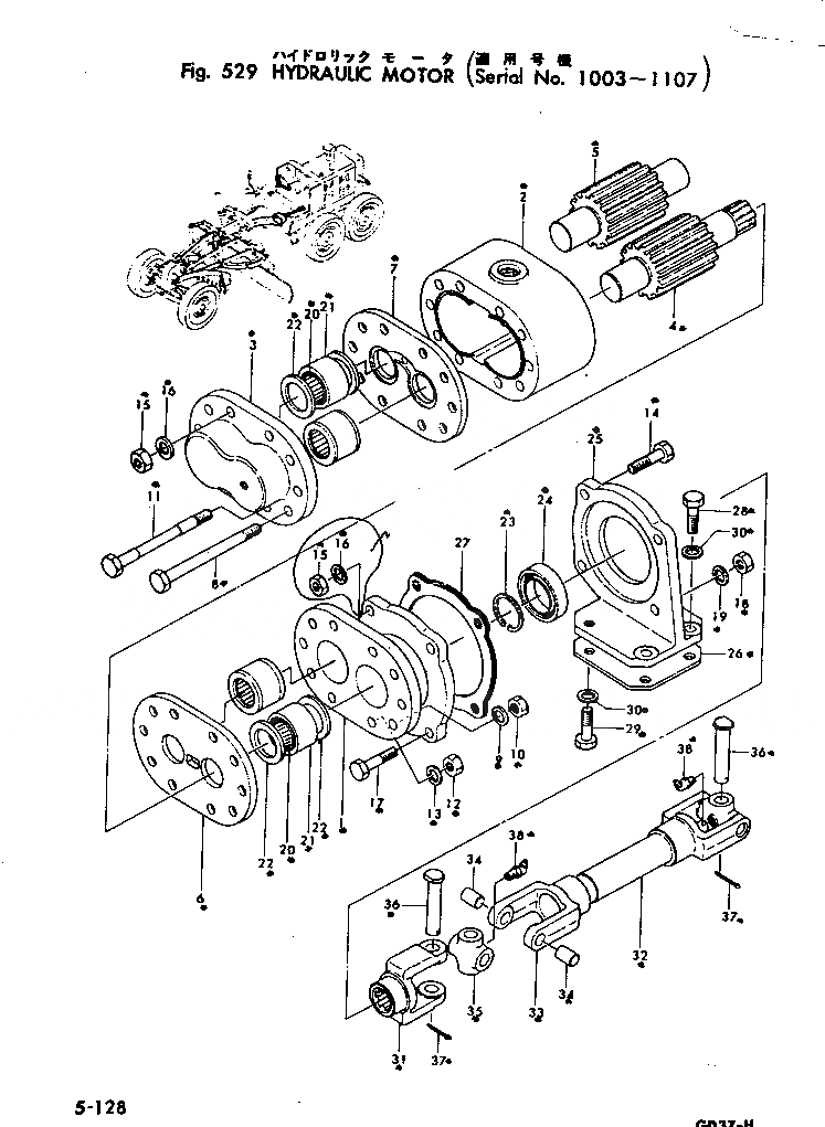
Запчасти Komatsu GD37-4 ГИДРАВЛ МОТОР(№-7) РАБОЧЕЕ ОБОРУДОВАНИЕ И ITS СИСТЕМА УПРАВЛЕНИЯ

Схема запчастей Komatsu GD37-4 - ГИДРАВЛ МОТОР(№-7) РАБОЧЕЕ ОБОРУДОВАНИЕ И ITS СИСТЕМА УПРАВЛЕНИЯ
FIT
1:1
100%

Артикул

Название

Примечание

Количество

|$0

232-71-00150

MOTOR ASS'Y

SN: 1003-1107

1шт.

1

232-71-14151

BRACKET

SN: 1003-1107

1шт.

2

232-71-14111

CASE

SN: 1003-1107

1шт.

2

04020-00514

PIN

SN: 1003-1107

4шт.

3

232-71-14140

CASE

SN: 1003-1107

1шт.

4

232-71-14211

GEAR

SN: 1003-1107

1шт.

5

232-71-14220

GEAR

SN: 1003-1107

1шт.

6

232-71-14131

PLATE

SN: 1003-1107

1шт.

7

GD37T352A

PLATE

SN: 1003-1107

1шт.

8

232-71-14180

BOLT

SN: 1003-1107

6шт.

9

01602-01236

WASHER

SN: 1003-1107

6шт.

10

01500-31210

NUT

SN: 1003-1107

6шт.

11

232-71-14170

BOLT

SN: 1003-1107

2шт.

12

01500-31210

NUT

SN: 1003-1107

2шт.

13

01602-01236

WASHER

SN: 1003-1107

2шт.

14

GD37T354A

BOLT

SN: 1003-1107

2шт.

15

01500-31210

NUT

SN: 1003-1107

2шт.

16

01602-01236

WASHER

SN: 1003-1107

2шт.

17

01000-31245

BOLT

SN: 1003-1107

2шт.

18

01500-31210

NUT

SN: 1003-1107

2шт.

19

01602-01236

WASHER

SN: 1003-1107

2шт.

20

232-60-91820

ROLLER

SN: 1003-1107

136шт.

21

232-60-91830

RACE

SN: 1003-1107

4шт.

22

6D140A8526

RACE

SN: 1003-1107

8шт.

23

0

RING

SN: 1003-1107

1шт.

24

TB406212

SEAL

SN: 1028-1107

1шт.

24

07010-00040

SEAL

SN: 1003-1027

1шт.

25

GD37T371

FLANGE

SN: 1003-1107

1шт.

26

GD37T375

PLATE

SN: 1003-1107

1шт.

27

GD37T372

SHIM

SN: 1003-1107

4шт.

28

01000-31250

BOLT

SN: 1003-1107

2шт.

29

01040-31250

BOLT

SN: 1003-1107

2шт.

30

01602-01236

WASHER

SN: 1003-1107

4шт.

31

GD37T381

YOKE

SN: 1003-1107

1шт.

31

0

PLUG

SN: 1003-1107

1шт.

32

232-71-14310

SHAFT

SN: 1003-1107

1шт.

33

0

YOKE

SN: 1003-@

2шт.

34

0

PIN

SN: 1003-@

4шт.

35

0

SPIDER

SN: 1003-@

2шт.

36

232-40-12270

PIN

SN: 1003-@

2шт.

37

04050-04025

PIN

SN: 1003-@

2шт.

38

07020-00675

FITTING

SN: 1003-@

2шт.

Выбрано товаров: 42