Запчасти Komatsu GD37-4 ТОПЛИВН. БАК.(№-) КОМПОНЕНТЫ ДВИГАТЕЛЯ И ЭЛЕКТРИКА

Схема запчастей Komatsu GD37-4 - ТОПЛИВН. БАК.(№-) КОМПОНЕНТЫ ДВИГАТЕЛЯ И ЭЛЕКТРИКА
FIT
1:1
100%

Артикул

Название

Примечание

Количество

|$0

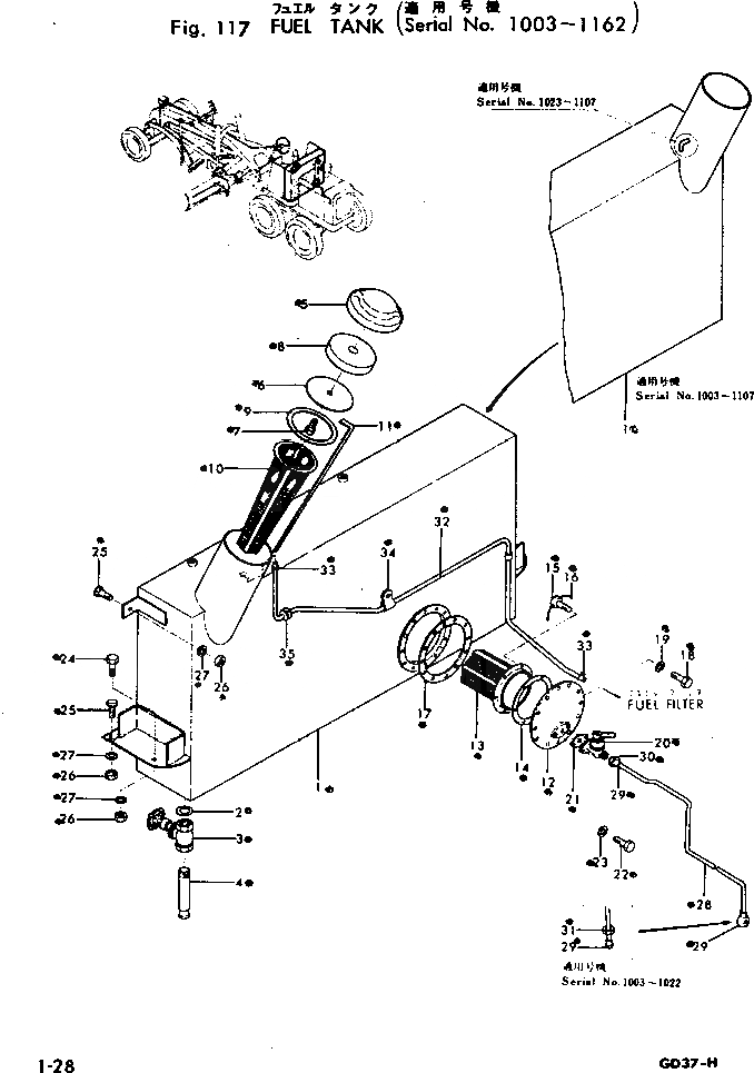
232-04-00013

FUEL TANK ASS'Y

SN: 1108-1162

1шт.

|$1

232-04-00012

FUEL TANK ASS'Y

SN: 1024-1107

1шт.

|$2

232-04-00011

FUEL TANK ASS'Y

SN: 1023-1023

1шт.

|$3

232-04-00010

FUEL TANK ASS'Y

SN: 1003-1022

1шт.

1

0

TANK

SN: 1108-1162

1шт.

1

0

TANK

SN: 1024-1107

1шт.

1

0

TANK

SN: 1023-1023

1шт.

1

0

TANK

SN: 1003-1022

1шт.

2

GD37B113

GASKET

SN: 1003-1107

1шт.

3

GD372B113

VALVE

SN: 1003-1162

1шт.

4

GD372B103

TUBE

SN: 1003-1162

1шт.

5

GD371B107

CAP

SN: 1003-1162

1шт.

6

GD371B109

PLATE

SN: 1003-1162

1шт.

7

GD371B110

BOLT

SN: 1003-1162

1шт.

8

232-04-91120

WADDING

SN: 1003-1162

1шт.

9

GD371B106

GASKET (KIT)

SN: 1003-1162

1шт.

10

GD371B115

STRAINER

SN: 1003-1162

1шт.

11

GD37B112

GAUGE

SN: 1003-1162

1шт.

|$18

232-04-00030

COVER ASS'Y

SN: 1003-1162

1шт.

12

GD371B111

COVER

SN: 1003-1162

1шт.

13

GD371B117

STRAINER

SN: 1003-1162

1шт.

14

GD371B122

GASKET (KIT)

SN: 1003-1162

1шт.

15

GD371B130

SCREW

SN: 1003-1162

6шт.

16

04059-01050

WIRE

SN: 1003-1162

1шт.

17

GD371B116

GASKET (KIT)

SN: 1003-1162

1шт.

18

01000-31025

BOLT

SN: 1058-1162

12шт.

18

01004-31020

BOLT

SN: 1003-1057

12шт.

19

01602-01030

WASHER

SN: 1058-1162

12шт.

19

04059-01080

WIRE

SN: 1003-1057

1шт.

20

GD372B141

VALVE

SN: 1003-1162

1шт.

21

GD371B119

GASKET

SN: 1003-1162

1шт.

22

01000-30820

BOLT

SN: 1058-1162

2шт.

22

01004-30816

BOLT

SN: 1003-1057

2шт.

23

01602-00825

WASHER

SN: 1058-1162

2шт.

23

04059-01020

WIRE

SN: 1003-1057

1шт.

24

01000-31025

BOLT

SN: 1003-1162

2шт.

25

GD371B133

BOLT

SN: 1003-1162

3шт.

26

01500-31008

NUT

SN: 1003-1162

5шт.

27

01602-01030

WASHER

SN: 1003-1162

5шт.

28

GD37B141B

TUBE

SN: 1023-1162

1шт.

28

GD37B141A

TUBE

SN: 1003-1022

1шт.

29

07200-31022

SLEEVE

SN: 1023-1162

1шт.

29

07200-01224

SLEEVE

SN: 1003-1022

2шт.

29

07205-01033

JOINT

SN: 1023-1162

1шт.

30

07201-31020

NUT

SN: 1023-1162

1шт.

30

GD372B132

NUT

SN: 1003-1022

1шт.

31

07201-01222

NUT

SN: 1003-1022

1шт.

32

232-04-12211

HOSE

SN: 1024-@

1шт.

32

GD37B145

TUBE

SN: 1023-1023

1шт.

33

6D115A7361

CLIP

SN: 1024-1162

2шт.

33

4D115A7354

CLIP

SN: 1023-1023

2шт.

34

232-04-12230

CLIP

SN: 1108-@

2шт.

34

232-04-12230

CLIP

SN: 1024-1107

1шт.

34

232-04-12250

CLIP

SN: 1023-1023

1шт.

35

232-04-12220

GROMMET

SN: 1024-1162

1шт.

35

232-04-12260

GROMMET

SN: 1023-1023

1шт.

Выбрано товаров: 56