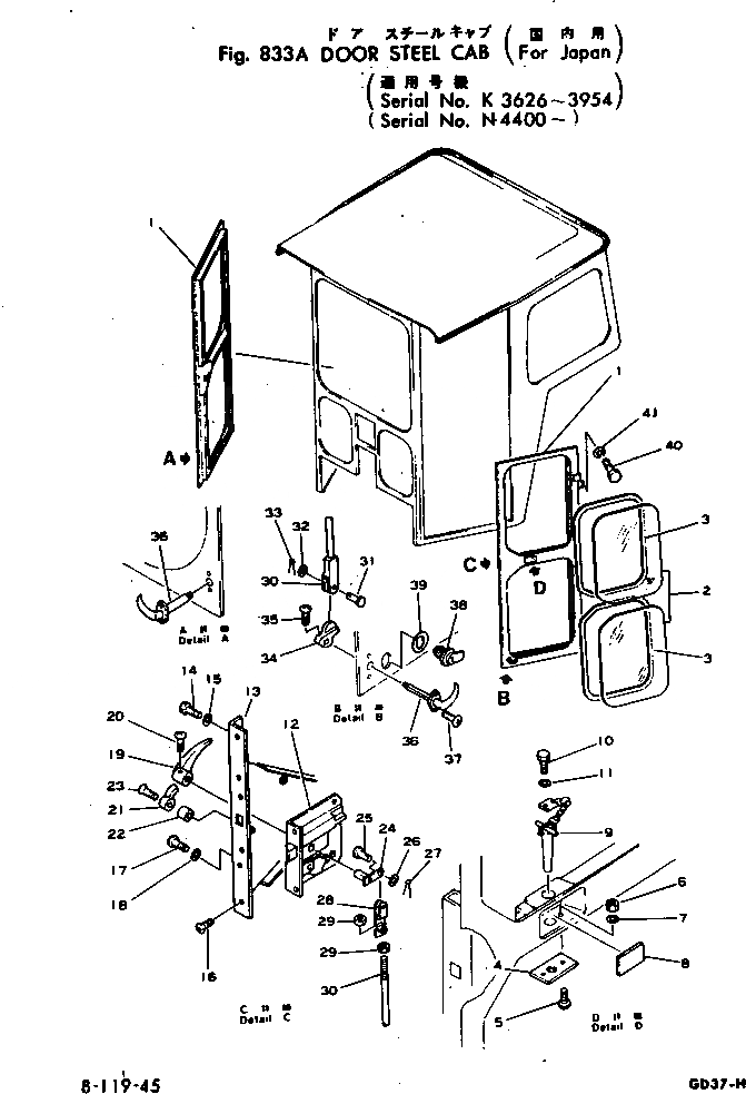
Запчасти Komatsu GD37-5H ДВЕРЬ СТАЛЬНАЯ КАБИНА(№-) ОПЦИОННЫЕ КОМПОНЕНТЫ

Схема запчастей Komatsu GD37-5H - ДВЕРЬ СТАЛЬНАЯ КАБИНА(№-) ОПЦИОННЫЕ КОМПОНЕНТЫ
FIT
1:1
100%

Артикул

Название

Примечание

Количество

|1

232-855-0026

CAB ASS'Y

SN: 3626-UP

1шт.

|1

232-855-0050

DOOR ASS'Y,L.H.

SN: 3626-UP

1шт.

|1

232-855-0060

DOOR ASS'Y,R.H.

SN: 3626-UP

1шт.

1

232-855-1613

DOOR,L.H.

SN: 3626-UP

1шт.

|1

232-855-1623

DOOR,R.H.

SN: 3626-UP

1шт.

2

232-855-1260

GLASS

SN: 2387-UP

2шт.

3

09410-00244

STRIP

SN: 2975-UP

2шт.

4

232-855-8530

SEAT

SN: 2387-UP

1шт.

5

01220-40416

SCREW

SN: 2975-UP

2шт.

6

01580-10403

NUT

SN: 2387-UP

2шт.

7

01641-20405

WASHER

SN: 2387-UP

2шт.

8

232-855-8540

SEAT

SN: 2387-UP

1шт.

9

232-855-1560

PIN

SN: 2387-UP

1шт.

10

01010-30612

BOLT

SN: 2387-UP

1шт.

11

01640-20610

WASHER

SN: 2387-UP

1шт.

12

232-855-1680

LOCK,L.H.

SN: 2387-UP

1шт.

|12

232-855-1670

LOCK,R.H.

SN: 2387-UP

1шт.

13

232-855-1631

STAY,L.H.

SN: .-UP

1шт.

|13

232-855-1641

STAY,R.H.

SN: .-UP

1шт.

14

01010-30816

BOLT

SN: 3626-UP

10шт.

15

01602-00825

WASHER

SN: 3626-UP

10шт.

16

01225-40612

SCREW

SN: 3626-UP

6шт.

17

01220-30612

SCREW

SN: 3626-UP

2шт.

18

01640-20610

WASHER

SN: 3626-UP

2шт.

19

09454-00010

HANDLE

SN: 2975-UP

1шт.

20

01220-40412

SCREW

SN: 2975-UP

1шт.

21

232-855-1690

LOCK

SN: 2387-UP

1шт.

22

232-855-1570

SPACER

SN: 2387-UP

1шт.

23

01225-30412

SCREW

SN: 2387-UP

1шт.

24

232-855-1810

LINK

SN: 2387-UP

1шт.

25

04205-00614

PIN

SN: 2387-UP

1шт.

26

01641-20608

WASHER

SN: 2387-UP

1шт.

27

04050-01610

PIN

SN: 2387-UP

1шт.

28

234-855-1890

YOKE

SN: 2387-UP

1шт.

29

01580-10605

NUT

SN: 2387-UP

2шт.

30

232-855-1821

ROD

SN: 3626-UP

1шт.

31

04205-00614

PIN

SN: 3626-UP

1шт.

32

01641-20608

WASHER

SN: 3626-UP

1шт.

33

04050-01610

PIN

SN: 2387-UP

1шт.

34

232-855-1940

LEVER,L.H.

SN: 2387-UP

1шт.

|34

234-855-1841

LEVER,R.H.

SN: 3626-UP

1шт.

35

01220-30412

SCREW

SN: 3626-UP

1шт.

36

232-855-1850

HANDLE

SN: 2387-UP

1шт.

37

01220-40412

SCREW

SN: 2975-UP

2шт.

38

232-855-1870

LOCK

SN: 3626-UP

1шт.

39

232-855-1880

SPACER

SN: 3626-UP

1шт.

40

01010-30820

BOLT

SN: 2975-UP

4шт.

41

01602-00825

WASHER

SN: 2387-UP

4шт.

Выбрано товаров: 48