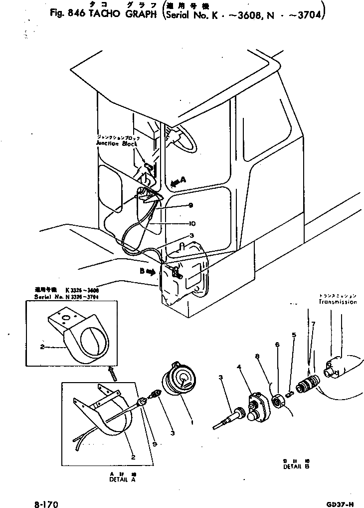
Запчасти Komatsu GD37-5H ТАхОГРАФ(№.-8) ОПЦИОННЫЕ КОМПОНЕНТЫ

Схема запчастей Komatsu GD37-5H - ТАхОГРАФ(№.-8) ОПЦИОННЫЕ КОМПОНЕНТЫ
FIT
1:1
100%

Артикул

Название

Примечание

Количество

1

232-806-8170

TACHOGRAPH

SN: .-3608

1шт.

2

232-806-8131

BRACKET

SN: 3326-3608

1шт.

2

232-806-8130

BRACKET

SN: .-3325

1шт.

3

234-806-8180

CABLE

SN: .-3608

1шт.

4

234-806-8120

BOX

SN: .-3608

1шт.

5

234-806-8130

KEY

SN: .-3608

1шт.

6

234-806-8140

NUT

SN: .-3608

1шт.

7

232-06-27100

ADAPTER

SN: .-3608

1шт.

8

04059-01020

WIRE

SN: .-3608

1шт.

9

232-806-8210

HARNESS

SN: .-3608

1шт.

10

232-806-8220

CABLE

SN: .-3608

1шт.

Выбрано товаров: 11