Запчасти Komatsu GD37-5H ТАхОГРАФ(№9-) ОПЦИОННЫЕ КОМПОНЕНТЫ

Схема запчастей Komatsu GD37-5H - ТАхОГРАФ(№9-) ОПЦИОННЫЕ КОМПОНЕНТЫ
FIT
1:1
100%

Артикул

Название

Примечание

Количество

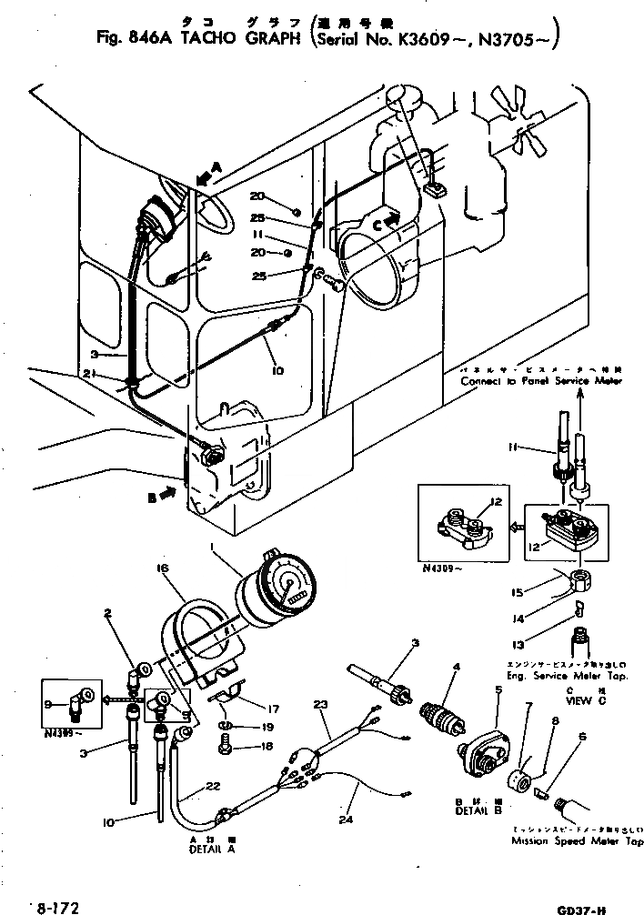
1

232-806-8250

TACHOGRAPH

SN: 3609-UP

1шт.

2

232-806-8260

JOINT

SN: 3609-UP

1шт.

3

232-806-8270

CABLE, 2600MM

SN: 3609-UP

1шт.

4

232-06-27100

ADAPTER

SN: 3609-UP

1шт.

5

232-806-8280

BOX,GEAR

SN: 3609-UP

1шт.

6

236-14-11150

KEY

SN: 3609-UP

1шт.

7

236-14-11160

NUT

SN: 3609-UP

1шт.

8

04059-01020

WIRE

SN: 3609-UP

1шт.

9

232-806-8290

GEAR

SN: 3609-UP

1шт.

10

232-806-8270

CABLE, 2600MM

SN: 3609-UP

1шт.

11

232-806-8310

CABLE

SN: 3609-UP

1шт.

12

232-806-8320

BOX

SN: 3609-UP

1шт.

13

236-14-11150

KEY

SN: 3609-UP

1шт.

14

232-806-8330

NUT

SN: 3609-UP

1шт.

15

04059-01020

WIRE

SN: 3609-UP

1шт.

16

232-806-8132

BRACKET

SN: 3609-UP

1шт.

17

232-806-8160

CLIP

SN: 3609-UP

1шт.

18

01010-50620

BOLT

SN: 3609-UP

2шт.

19

01602-20619

WASHER

SN: 3609-UP

2шт.

20

01571-01016

SEAT

SN: 3609-UP

2шт.

21

08037-03614

GROMMET

SN: 3609-UP

1шт.

22

232-806-8340

HARNESS

SN: 3609-UP

1шт.

23

232-806-8350

HARNESS

SN: 3609-UP

1шт.

24

232-806-8360

CABLE

SN: 3609-UP

1шт.

Выбрано товаров: 24