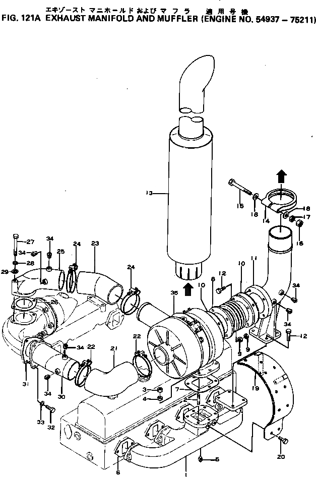
Запчасти Komatsu S4D120-11F ВЫПУСКНОЙ КОЛЛЕКТОР И ГЛУШИТЕЛЬ(№97-7) ГОЛОВКА ЦИЛИНДРОВ

Схема запчастей Komatsu S4D120-11F - ВЫПУСКНОЙ КОЛЛЕКТОР И ГЛУШИТЕЛЬ(№97-7) ГОЛОВКА ЦИЛИНДРОВ
FIT
1:1
100%

Артикул

Название

Примечание

Количество

|$0

6112-10-5103

MANIFOLD ASS'Y

SN: .-75211

1шт.

|$1

0

MANIFOLD ASS'Y

SN: 54937-.

1шт.

1

0

MANIFOLD

SN: .-75211

1шт.

1

0

MANIFOLD

SN: 54937-.

1шт.

2

6112-81-9110

STUD

SN: 54937-75211

6шт.

3

6110-81-9120

NUT

SN: 50026-75211

6шт.

4

6110-81-9130

NUT

SN: 50026-75211

6шт.

5

07042-00108

PLUG

SN: 54937-75211

4шт.

6

6110-11-5811

GASKET (K1)

SN: 50026-75211

4шт.

7

6112-81-9510

GASKET (K1)

SN: 54937-75211

1шт.

8

6112-11-5571

CONNECTOR

SN: 72634-75211

1шт.

8

0

CONNECTOR

SN: 54937-72633

1шт.

9

6110-81-9130

NUT

SN: 50026-75211

8шт.

10

6110-81-9230

GASKET (K1)

SN: 50026-75211

2шт.

11

6112-11-5542

ELBOW

SN: .-75211

1шт.

11

0

ELBOW

SN: 54937-.

1шт.

12

01010-31025

BOLT

SN: 50026-75211

4шт.

13

6112-11-5312

MUFFLER

SN: 54937-75211

1шт.

14

6112-11-5341

CLAMP

SN: 54937-75211

1шт.

15

01051-31420

BOLT

SN: .-75211

1шт.

15

0

BOLT

SN: 70450-.

1шт.

15

6112-11-5350

BOLT

SN: 54937-70449

1шт.

16

01582-01411

NUT

SN: 70450-75211

1шт.

16

01500-61411

NUT

SN: 54937-70449

1шт.

17

01580-01411

NUT

SN: 70450-75211

1шт.

17

01501-61408

NUT

SN: 54937-70449

1шт.

18

01641-21423

WASHER

SN: 54937-75211

2шт.

19

6112-81-9811

PLATE

SN: 54937-75211

1шт.

20

01010-31020

BOLT

SN: 54937-75211

2шт.

21

6112-11-4720

HOSE

SN: 54937-75211

1шт.

22

6110-81-9420

CLAMP

SN: 50026-75211

2шт.

23

6112-11-4710

HOSE

SN: 54937-75211

1шт.

24

6110-81-9320

CLAMP

SN: 50026-75211

2шт.

25

6112-11-4220

CONNECTOR

SN: 54937-75211

1шт.

26

6110-81-9340

GASKET (K1)

SN: 50026-75211

1шт.

27

01010-31075

BOLT

SN: 50026-75211

2шт.

28

01602-01030

WASHER

SN: 50026-75211

2шт.

29

01640-21016

WASHER

SN: 50026-75211

2шт.

30

6112-11-4320

CONNECTOR

SN: 54937-75211

1шт.

31

6110-81-9440

GASKET (K1)

SN: 50026-75211

1шт.

32

01010-31025

BOLT

SN: 50026-75211

3шт.

33

01602-01030

WASHER

SN: 50026-75211

3шт.

34

07042-00108

PLUG

SN: 54937-75211

6шт.

35

6112-81-8000

TURBOCHARGER ASS'Y,(SEE FIG.141)

SN: 50026-75211

1шт.

|$0

6112-10-5103

MANIFOLD ASS'Y

SN: .-75211

1шт.

|$1

0

MANIFOLD ASS'Y

SN: 54937-.

1шт.

1

0

MANIFOLD

SN: .-75211

1шт.

1

0

MANIFOLD

SN: 54937-.

1шт.

2

6112-81-9110

STUD

SN: 54937-75211

6шт.

3

6110-81-9120

NUT

SN: 50026-75211

6шт.

4

6110-81-9130

NUT

SN: 50026-75211

6шт.

5

07042-00108

PLUG

SN: 54937-75211

4шт.

6

6110-11-5811

GASKET (K1)

SN: 50026-75211

4шт.

7

6112-81-9510

GASKET (K1)

SN: 54937-75211

1шт.

8

6112-11-5571

CONNECTOR

SN: 72634-75211

1шт.

8

0

CONNECTOR

SN: 54937-72633

1шт.

9

6110-81-9130

NUT

SN: 50026-75211

8шт.

10

6110-81-9230

GASKET (K1)

SN: 50026-75211

2шт.

11

6112-11-5542

ELBOW

SN: .-75211

1шт.

11

0

ELBOW

SN: 54937-.

1шт.

12

01010-31025

BOLT

SN: 50026-75211

4шт.

13

6112-11-5312

MUFFLER

SN: 54937-75211

1шт.

14

6112-11-5341

CLAMP

SN: 54937-75211

1шт.

15

01051-31420

BOLT

SN: .-75211

1шт.

15

0

BOLT

SN: 70450-.

1шт.

15

6112-11-5350

BOLT

SN: 54937-70449

1шт.

16

01582-01411

NUT

SN: 70450-75211

1шт.

16

01500-61411

NUT

SN: 54937-70449

1шт.

17

01580-01411

NUT

SN: 70450-75211

1шт.

17

01501-61408

NUT

SN: 54937-70449

1шт.

18

01641-21423

WASHER

SN: 54937-75211

2шт.

19

6112-81-9811

PLATE

SN: 54937-75211

1шт.

20

01010-31020

BOLT

SN: 54937-75211

2шт.

21

6112-11-4720

HOSE

SN: 54937-75211

1шт.

22

6110-81-9420

CLAMP

SN: 50026-75211

2шт.

23

6112-11-4710

HOSE

SN: 54937-75211

1шт.

24

6110-81-9320

CLAMP

SN: 50026-75211

2шт.

25

6112-11-4220

CONNECTOR

SN: 54937-75211

1шт.

26

6110-81-9340

GASKET (K1)

SN: 50026-75211

1шт.

27

01010-31075

BOLT

SN: 50026-75211

2шт.

28

01602-01030

WASHER

SN: 50026-75211

2шт.

29

01640-21016

WASHER

SN: 50026-75211

2шт.

30

6112-11-4320

CONNECTOR

SN: 54937-75211

1шт.

31

6110-81-9440

GASKET (K1)

SN: 50026-75211

1шт.

32

01010-31025

BOLT

SN: 50026-75211

3шт.

33

01602-01030

WASHER

SN: 50026-75211

3шт.

34

07042-00108

PLUG

SN: 54937-75211

6шт.

35

6112-81-8000

TURBOCHARGER ASS'Y,(SEE FIG.141)

SN: 50026-75211

1шт.

Выбрано товаров: 88