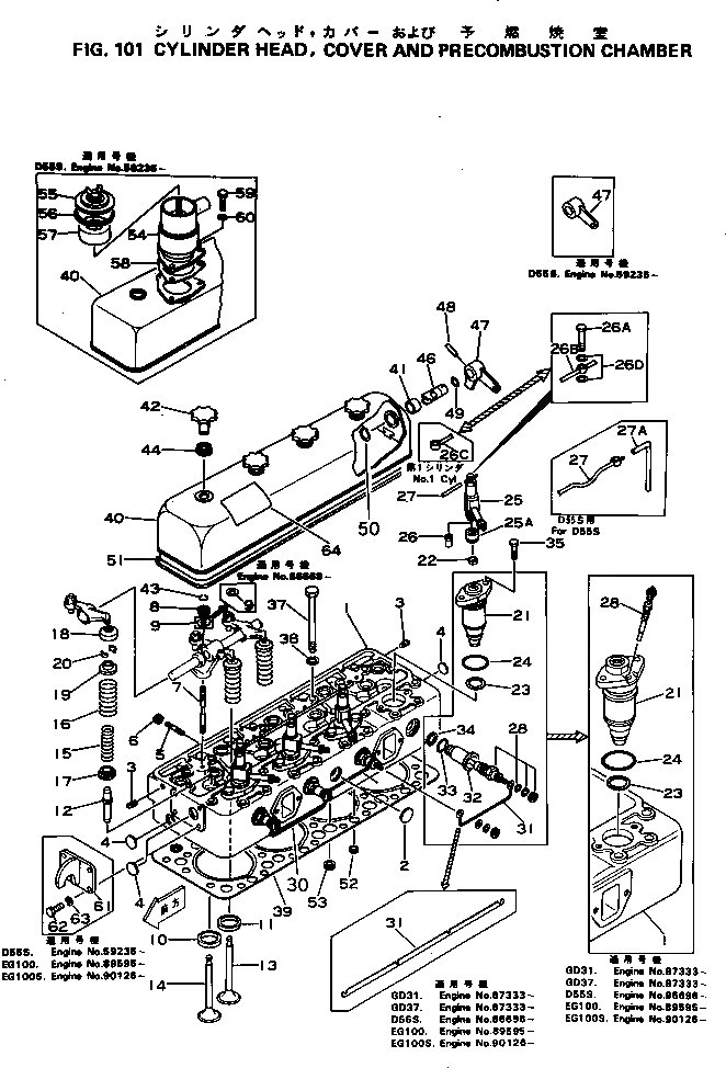
Запчасти Komatsu S4D120-11F ГОЛОВКА ЦИЛИНДРОВ¤КРЫШКАAND PRECOMBUSTION КАМЕРА ГОЛОВКА ЦИЛИНДРОВ

Схема запчастей Komatsu S4D120-11F - ГОЛОВКА ЦИЛИНДРОВ¤КРЫШКАAND PRECOMBUSTION КАМЕРА ГОЛОВКА ЦИЛИНДРОВ
FIT
1:1
100%

Артикул

Название

Примечание

Количество

|1

6112-13-1004

CYLINDER HEAD A.

SN: .-UP

1шт.

|1

6112-13-1003

CYLINDER HEAD A.

SN: 87333-.

1шт.

|1

6112-13-1002

CYLINDER HEAD A.

SN: 83243-87332

1шт.

|1

6112-10-1004

CYLINDER HEAD A.

SN: 76454-83242

1шт.

|1

6112-10-1003

CYLINDER HEAD A.

SN: 75212-76453

1шт.

|1

0

CYLINDER HEAD A.

SN: 64227-75211

1шт.

|1

0

CYLINDER HEAD A.

SN: 54932-64226

1шт.

|1

0

CYLINDER HEAD A.

SN: 50026-54931

1шт.

|1

6112-13-1104

CYLINDER HEAD A.

SN: .-UP

1шт.

|1

0

CYLINDER HEAD A.

SN: 87333-.

1шт.

|1

6112-13-1102

CYLINDER HEAD A.

SN: 83243-87332

1шт.

|1

6112-10-1103

CYLINDER HEAD A.

SN: 76454-83242

1шт.

|1

6112-10-1102

CYLINDER HEAD A.

SN: 75212-76453

1шт.

|1

6112-10-1101

CYLINDER HEAD A.

SN: 54932-75211

1шт.

|1

6112-10-1100

CYLINDER HEAD A.

SN: 50026-54931

1шт.

1

0

HEAD

SN: .-UP

1шт.

|1

0

HEAD

SN: 87333-.

1шт.

|1

0

HEAD

SN: 83243-87332

1шт.

|1

0

HEAD

SN: 76454-83242

1шт.

|1

0

HEAD

SN: 75212-76453

1шт.

|1

0

HEAD

SN: 50026-75211

1шт.

2

07046-13520

PLUG

SN: 76454-87332

2шт.

|2

07046-13520

PLUG

SN: 50026-76453

3шт.

3

07043-00108

PLUG

SN: 87333-UP

2шт.

|3

07042-00108

PLUG

SN: 50026-87332

1шт.

4

07046-42816

PLUG

SN: 87333-UP

28шт.

|4

07046-13020

PLUG

SN: 76454-87332

17шт.

|4

07046-13020

PLUG

SN: 50026-76453

13шт.

5

01140-71035

STUD

SN: 75212-UP

8шт.

|5

01140-31040

STUD

SN: 54932-75211

8шт.

|5

01140-31035

STUD

SN: 50026-54931

8шт.

6

6112-13-1190

NUT

SN: 75212-UP

8шт.

|6

6110-11-1190

NUT

SN: 50026-75211

8шт.

7

6110-11-1151

STUD

SN: 50026-UP

4шт.

8

01580-01008

NUT

SN: 50026-UP

4шт.

9

01643-31032

WASHER

SN: 86666-UP

4шт.

|9

01650-21012

WASHER

SN: 50026-86665

4шт.

10

6110-13-1171

SEAT,EXHAUST (STD)

SN: 86456-UP

4шт.

|10

6110-11-1170

SEAT,EXHAUST (STD)

SN: 50026-86455

4шт.

|10

6110-19-1171

SEAT¤ 0.25MM,EXHAUST (OS)

SN: 86456-UP

4шт.

|10

6110-19-1170

SEAT¤ 0.25MM,EXHAUST (OS)

SN: 50026-86455

4шт.

|10

6110-18-1171

SEAT¤ 0.50MM,EXHAUST (OS)

SN: 86456-UP

4шт.

|10

6110-18-1170

SEAT¤ 0.50MM,EXHAUST (OS)

SN: 50026-86455

4шт.

11

6110-13-1181

SEAT,INTAKE (STD)

SN: 86456-UP

4шт.

|11

6110-11-1180

SEAT,INTAKE (STD)

SN: 50026-86455

4шт.

|11

6110-19-1181

SEAT¤ 0.25MM,INTAKE (OS)

SN: 86456-UP

4шт.

|11

6110-19-1180

SEAT¤ 0.25MM,INTAKE (OS)

SN: 50026-86455

4шт.

|11

6110-18-1181

SEAT¤ 0.50MM,INTAKE (OS)

SN: 86456-UP

8шт.

|11

6110-18-1180

SEAT¤ 0.50MM,INTAKE (OS)

SN: 50026-86455

4шт.

12

6110-13-1311

GUIDE

SN: 86456-UP

8шт.

|12

0

GUIDE

SN: 50026-86455

8шт.

13

6110-43-4110

VALVE,INTAKE

SN: 50026-UP

4шт.

14

6110-43-4210

VALVE,EXHAUST

SN: 86456-UP

4шт.

|14

0

VALVE,EXHAUST

SN: 50026-86455

4шт.

15

6112-43-4410

SPRING

SN: 64227-UP

8шт.

|15

6110-43-4410

SPRING

SN: 50026-64226

8шт.

16

6112-43-4420

SPRING

SN: 64227-UP

8шт.

|16

6110-43-4420

SPRING

SN: 50026-64226

8шт.

17

6110-43-4530

SEAT

SN: 64227-UP

8шт.

|17

6110-41-4530

SEAT

SN: 50026-64226

8шт.

18

6110-41-4540

CAP

SN: 50026-UP

8шт.

|19

6110-40-4500

VALVE COTTER A.

SN: 50026-UP

8шт.

19

0

SEAT

SN: 50026-UP

1шт.

20

0

COTTER

SN: 50026-UP

1шт.

|21

6112-13-2103

CHAMBER ASS'Y

SN: 87333-UP

4шт.

|21

6112-13-2100

CHAMBER ASS'Y

SN: 63153-87332

4шт.

|21

6112-10-2100

CHAMBER ASS'Y

SN: 50026-63152

4шт.

21

0

CHAMBER

SN: 87333-UP

1шт.

|21

0

CHAMBER

SN: 63153-87332

1шт.

|21

0

CHAMBER

SN: 50026-63152

1шт.

22

6110-11-2122

GASKET

SN: 50026-UP

1шт.

23

6110-13-2813

GASKET (K1)

SN: 87333-UP

4шт.

|23

0

GASKET

SN: 50026-87332

4шт.

|23

0

GASKET

SN: (75394-76177)

4шт.

|23

0

GASKET

SN: (72634-75393)

4шт.

|23

0

GASKET

SN: (50026-72633)

4шт.

24

6110-11-2820

O-RING (K1)

SN: 50026-UP

4шт.

|25

6110-13-3100

NOZZLE HOLDER A.,NO.2¤3¤4

SN: 70450-UP

3шт.

|25

0

NOZZLE HOLDER A.,NO.2¤3¤4

SN: 50026-70449

3шт.

|25

6110-13-3200

NOZZLE HOLDER A.,NO.1

SN: 70450-UP

1шт.

|25

0

NOZZLE HOLDER A.,NO.1

SN: 50026-70449

1шт.

25

6110-13-3110

HOLDER,NO.1¤2¤3¤4

SN: 70450-UP

1шт.

|25

6002006-5-10

HOLDER,NO.1

SN: 50026-70449

1шт.

|25

6002006-4-10

HOLDER,NO.2¤3¤4

SN: 50026-70449

1шт.

25A

ND093164-0320

NUT

SN: 50026-UP

1шт.

26

6002000-1-20

NOZZLE

SN: 50026-UP

1шт.

26A

6110-13-3150

BOLT

SN: 70450-UP

1шт.

|26A

0

BOLT

SN: 50026-70449

1шт.

26B

6110-13-3270

JOINT,NO.2¤3¤4

SN: 50026-UP

3шт.

26C

6110-13-3280

JOINT,NO.1

SN: 50026-UP

1шт.

26D

6127-11-3160

GASKET (K1)

SN: 50026-UP

8шт.

27

6112-73-5312

PIPE

SN: 50026-UP

3шт.

28

600-815-2650

PLUG,(RED)

SN: .-UP

4шт.

|28

0

PLUG,(BROWN)

SN: 87333-.

4шт.

|28

6004504-1-11

PLUG

SN: 50026-87332

4шт.

29

6004501-1-20

GASKET,(NOT SHOWN)

SN: 87323-87332

4шт.

|29

6004501-1-20

GASKET,(NOT SHOWN) (K1)

SN: 50026-87322

4шт.

30

6110-81-4120

WIRE

SN: 50026-87332

1шт.

31

6110-83-4110

WIRE

SN: 87333-UP

1шт.

|31

6112-81-4110

WIRE

SN: 50026-87332

2шт.

32

6112-11-2410

HOLDER

SN: 51212-87332

4шт.

|32

0

HOLDER

SN: 50026-51211

4шт.

|$$103

(6112-11-2410{6110-11-2430)}

-1шт.

33

6110-11-2421

O-RING

SN: 87323-87332

4шт.

|33

6110-11-2421

O-RING (K1)

SN: 50026-87322

4шт.

34

6112-11-2430

GASKET

SN: 87323-87332

4шт.

|34

6112-11-2430

GASKET (K1)

SN: 51212-87322

4шт.

|34

6110-11-2430

GASKET (K1)

SN: 50026-51211

4шт.

35

6110-13-2133

BOLT

SN: 87333-UP

8шт.

|35

6110-13-2132

BOLT

SN: 76454-87332

8шт.

|35

6110-13-2131

BOLT

SN: 75596-76453

8шт.

|35

0

BOLT

SN: 59235-75595

8шт.

|35

01010-31235

BOLT

SN: 50026-59234

8шт.

37

6110-13-1612

BOLT

SN: 71826-UP

26шт.

|37

0

BOLT

SN: 70450-71825

26шт.

|37

6110-13-1610

BOLT

SN: 50026-70449

26шт.

38

6110-11-1620

WASHER

SN: 50026-UP

26шт.

39

6110-13-1810

GASKET (K1)

SN: 53306-UP

1шт.

|39

0

GASKET

SN: 50026-53305

1шт.

|40

6110-10-8301

HEAD COVER ASS'Y

SN: .-UP

1шт.

|40

0

HEAD COVER ASS'Y

SN: 50026-.

1шт.

40

6110-13-8110

COVER

SN: 50026-UP

1шт.

41

6110-13-8491

BUSHING

SN: .-UP

1шт.

|41

0

BUSHING

SN: 50026-.

1шт.

42

6110-11-8122

NUT

SN: 50026-UP

4шт.

43

6110-11-8130

RING

SN: 50026-UP

4шт.

44

6110-11-8820

WASHER (K1)

SN: 50026-UP

4шт.

46

6110-13-8410

SHAFT

SN: 50026-UP

1шт.

47

6112-11-8430

LEVER

SN: 50026-UP

1шт.

48

04025-00640

PIN

SN: 50026-UP

1шт.

49

07000-02018

O-RING (K1)

SN: 50026-UP

1шт.

50

04064-02212

RING

SN: 50026-UP

1шт.

51

6110-11-8811

GASKET (K1)

SN: 50026-UP

1шт.

52

6110-23-2710

FERRULE (K1)

SN: 86384-UP

10шт.

|52

0

FERRULE

SN: 50026-86383

10шт.

53

6110-21-2721

FERRULE (K1)

SN: 50026-UP

16шт.

64

6110-81-2123

PLATE¤ CAUTION

SN: 50026-50026

1шт.

|64

6112-81-2980

PLATE¤ CAUTION,(A)

SN: 50027-UP

1шт.

|1

6112-13-1004

CYLINDER HEAD A.

SN: .-UP

1шт.

|1

6112-13-1003

CYLINDER HEAD A.

SN: 87333-.

1шт.

|1

6112-13-1002

CYLINDER HEAD A.

SN: 83243-87332

1шт.

|1

6112-10-1004

CYLINDER HEAD A.

SN: 76454-83242

1шт.

|1

6112-10-1003

CYLINDER HEAD A.

SN: 75212-76453

1шт.

|1

0

CYLINDER HEAD A.

SN: 64227-75211

1шт.

|1

0

CYLINDER HEAD A.

SN: 54932-64226

1шт.

|1

0

CYLINDER HEAD A.

SN: 50026-54931

1шт.

|1

6112-13-1104

CYLINDER HEAD A.

SN: .-UP

1шт.

|1

0

CYLINDER HEAD A.

SN: 87333-.

1шт.

|1

6112-13-1102

CYLINDER HEAD A.

SN: 83243-87332

1шт.

|1

6112-10-1103

CYLINDER HEAD A.

SN: 76454-83242

1шт.

|1

6112-10-1102

CYLINDER HEAD A.

SN: 75212-76453

1шт.

|1

6112-10-1101

CYLINDER HEAD A.

SN: 54932-75211

1шт.

|1

6112-10-1100

CYLINDER HEAD A.

SN: 50026-54931

1шт.

1

0

HEAD

SN: .-UP

1шт.

|1

0

HEAD

SN: 87333-.

1шт.

|1

0

HEAD

SN: 83243-87332

1шт.

|1

0

HEAD

SN: 76454-83242

1шт.

|1

0

HEAD

SN: 75212-76453

1шт.

|1

0

HEAD

SN: 50026-75211

1шт.

2

07046-13520

PLUG

SN: 76454-87332

2шт.

|2

07046-13520

PLUG

SN: 50026-76453

3шт.

3

07043-00108

PLUG

SN: 87333-UP

2шт.

|3

07042-00108

PLUG

SN: 50026-87332

1шт.

4

07046-42816

PLUG

SN: 87333-UP

28шт.

|4

07046-13020

PLUG

SN: 76454-87332

17шт.

|4

07046-13020

PLUG

SN: 50026-76453

13шт.

5

01140-71035

STUD

SN: 75212-UP

8шт.

|5

01140-31040

STUD

SN: 54932-75211

8шт.

|5

01140-31035

STUD

SN: 50026-54931

8шт.

6

6112-13-1190

NUT

SN: 75212-UP

8шт.

|6

6110-11-1190

NUT

SN: 50026-75211

8шт.

7

6110-11-1151

STUD

SN: 50026-UP

4шт.

8

01580-01008

NUT

SN: 50026-UP

4шт.

9

01643-31032

WASHER

SN: 86666-UP

4шт.

|9

01650-21012

WASHER

SN: 50026-86665

4шт.

10

6110-13-1171

SEAT,EXHAUST (STD)

SN: 86456-UP

4шт.

|10

6110-11-1170

SEAT,EXHAUST (STD)

SN: 50026-86455

4шт.

|10

6110-19-1171

SEAT¤ 0.25MM,EXHAUST (OS)

SN: 86456-UP

4шт.

|10

6110-19-1170

SEAT¤ 0.25MM,EXHAUST (OS)

SN: 50026-86455

4шт.

|10

6110-18-1171

SEAT¤ 0.50MM,EXHAUST (OS)

SN: 86456-UP

4шт.

|10

6110-18-1170

SEAT¤ 0.50MM,EXHAUST (OS)

SN: 50026-86455

4шт.

11

6110-13-1181

SEAT,INTAKE (STD)

SN: 86456-UP

4шт.

|11

6110-11-1180

SEAT,INTAKE (STD)

SN: 50026-86455

4шт.

|11

6110-19-1181

SEAT¤ 0.25MM,INTAKE (OS)

SN: 86456-UP

4шт.

|11

6110-19-1180

SEAT¤ 0.25MM,INTAKE (OS)

SN: 50026-86455

4шт.

|11

6110-18-1181

SEAT¤ 0.50MM,INTAKE (OS)

SN: 86456-UP

8шт.

|11

6110-18-1180

SEAT¤ 0.50MM,INTAKE (OS)

SN: 50026-86455

4шт.

12

6110-13-1311

GUIDE

SN: 86456-UP

8шт.

|12

0

GUIDE

SN: 50026-86455

8шт.

13

6110-43-4110

VALVE,INTAKE

SN: 50026-UP

4шт.

14

6110-43-4210

VALVE,EXHAUST

SN: 86456-UP

4шт.

|14

0

VALVE,EXHAUST

SN: 50026-86455

4шт.

15

6112-43-4410

SPRING

SN: 64227-UP

8шт.

|15

6110-43-4410

SPRING

SN: 50026-64226

8шт.

16

6112-43-4420

SPRING

SN: 64227-UP

8шт.

|16

6110-43-4420

SPRING

SN: 50026-64226

8шт.

17

6110-43-4530

SEAT

SN: 64227-UP

8шт.

|17

6110-41-4530

SEAT

SN: 50026-64226

8шт.

18

6110-41-4540

CAP

SN: 50026-UP

8шт.

|19

6110-40-4500

VALVE COTTER A.

SN: 50026-UP

8шт.

19

0

SEAT

SN: 50026-UP

1шт.

20

0

COTTER

SN: 50026-UP

1шт.

|21

6112-13-2103

CHAMBER ASS'Y

SN: 87333-UP

4шт.

|21

6112-13-2100

CHAMBER ASS'Y

SN: 63153-87332

4шт.

|21

6112-10-2100

CHAMBER ASS'Y

SN: 50026-63152

4шт.

21

0

CHAMBER

SN: 87333-UP

1шт.

|21

0

CHAMBER

SN: 63153-87332

1шт.

|21

0

CHAMBER

SN: 50026-63152

1шт.

22

6110-11-2122

GASKET

SN: 50026-UP

1шт.

23

6110-13-2813

GASKET (K1)

SN: 87333-UP

4шт.

|23

0

GASKET

SN: 50026-87332

4шт.

|23

0

GASKET

SN: (75394-76177)

4шт.

|23

0

GASKET

SN: (72634-75393)

4шт.

|23

0

GASKET

SN: (50026-72633)

4шт.

24

6110-11-2820

O-RING (K1)

SN: 50026-UP

4шт.

|25

6110-13-3100

NOZZLE HOLDER A.,NO.2¤3¤4

SN: 70450-UP

3шт.

|25

0

NOZZLE HOLDER A.,NO.2¤3¤4

SN: 50026-70449

3шт.

|25

6110-13-3200

NOZZLE HOLDER A.,NO.1

SN: 70450-UP

1шт.

|25

0

NOZZLE HOLDER A.,NO.1

SN: 50026-70449

1шт.

25

6110-13-3110

HOLDER,NO.1¤2¤3¤4

SN: 70450-UP

1шт.

|25

6002006-5-10

HOLDER,NO.1

SN: 50026-70449

1шт.

|25

6002006-4-10

HOLDER,NO.2¤3¤4

SN: 50026-70449

1шт.

25A

ND093164-0320

NUT

SN: 50026-UP

1шт.

26

6002000-1-20

NOZZLE

SN: 50026-UP

1шт.

26A

6110-13-3150

BOLT

SN: 70450-UP

1шт.

|26A

0

BOLT

SN: 50026-70449

1шт.

26B

6110-13-3270

JOINT,NO.2¤3¤4

SN: 50026-UP

3шт.

26C

6110-13-3280

JOINT,NO.1

SN: 50026-UP

1шт.

26D

6127-11-3160

GASKET (K1)

SN: 50026-UP

8шт.

27

6112-73-5312

PIPE

SN: 50026-UP

3шт.

28

600-815-2650

PLUG,(RED)

SN: .-UP

4шт.

|28

0

PLUG,(BROWN)

SN: 87333-.

4шт.

|28

6004504-1-11

PLUG

SN: 50026-87332

4шт.

29

6004501-1-20

GASKET,(NOT SHOWN)

SN: 87323-87332

4шт.

|29

6004501-1-20

GASKET,(NOT SHOWN) (K1)

SN: 50026-87322

4шт.

30

6110-81-4120

WIRE

SN: 50026-87332

1шт.

31

6110-83-4110

WIRE

SN: 87333-UP

1шт.

|31

6112-81-4110

WIRE

SN: 50026-87332

2шт.

32

6112-11-2410

HOLDER

SN: 51212-87332

4шт.

|32

0

HOLDER

SN: 50026-51211

4шт.

|$$103

(6112-11-2410{6110-11-2430)}

-1шт.

33

6110-11-2421

O-RING

SN: 87323-87332

4шт.

|33

6110-11-2421

O-RING (K1)

SN: 50026-87322

4шт.

34

6112-11-2430

GASKET

SN: 87323-87332

4шт.

|34

6112-11-2430

GASKET (K1)

SN: 51212-87322

4шт.

|34

6110-11-2430

GASKET (K1)

SN: 50026-51211

4шт.

35

6110-13-2133

BOLT

SN: 87333-UP

8шт.

|35

6110-13-2132

BOLT

SN: 76454-87332

8шт.

|35

6110-13-2131

BOLT

SN: 75596-76453

8шт.

|35

0

BOLT

SN: 59235-75595

8шт.

|35

01010-31235

BOLT

SN: 50026-59234

8шт.

37

6110-13-1612

BOLT

SN: 71826-UP

26шт.

|37

0

BOLT

SN: 70450-71825

26шт.

|37

6110-13-1610

BOLT

SN: 50026-70449

26шт.

38

6110-11-1620

WASHER

SN: 50026-UP

26шт.

39

6110-13-1810

GASKET (K1)

SN: 53306-UP

1шт.

|39

0

GASKET

SN: 50026-53305

1шт.

|40

6110-10-8301

HEAD COVER ASS'Y

SN: .-UP

1шт.

|40

0

HEAD COVER ASS'Y

SN: 50026-.

1шт.

40

6110-13-8110

COVER

SN: 50026-UP

1шт.

41

6110-13-8491

BUSHING

SN: .-UP

1шт.

|41

0

BUSHING

SN: 50026-.

1шт.

42

6110-11-8122

NUT

SN: 50026-UP

4шт.

43

6110-11-8130

RING

SN: 50026-UP

4шт.

44

6110-11-8820

WASHER (K1)

SN: 50026-UP

4шт.

46

6110-13-8410

SHAFT

SN: 50026-UP

1шт.

47

6112-11-8430

LEVER

SN: 50026-UP

1шт.

48

04025-00640

PIN

SN: 50026-UP

1шт.

49

07000-02018

O-RING (K1)

SN: 50026-UP

1шт.

50

04064-02212

RING

SN: 50026-UP

1шт.

51

6110-11-8811

GASKET (K1)

SN: 50026-UP

1шт.

52

6110-23-2710

FERRULE (K1)

SN: 86384-UP

10шт.

|52

0

FERRULE

SN: 50026-86383

10шт.

53

6110-21-2721

FERRULE (K1)

SN: 50026-UP

16шт.

64

6110-81-2123

PLATE¤ CAUTION

SN: 50026-50026

1шт.

|64

6112-81-2980

PLATE¤ CAUTION,(A)

SN: 50027-UP

1шт.

Выбрано товаров: 276