Запчасти Komatsu GD37-6H РУЛЕВ. УПРАВЛЕНИЕ УСИЛИТЕЛЬ СОЕДИНЕНИЕ РУКОЯТЬ (OP)(№87-) СИСТЕМАУПРАВЛЕНИЯ ПОВОРОТОМ

Схема запчастей Komatsu GD37-6H - РУЛЕВ. УПРАВЛЕНИЕ УСИЛИТЕЛЬ СОЕДИНЕНИЕ РУКОЯТЬ (OP)(№87-) СИСТЕМАУПРАВЛЕНИЯ ПОВОРОТОМ
FIT
1:1
100%

Артикул

Название

Примечание

Количество

|$0

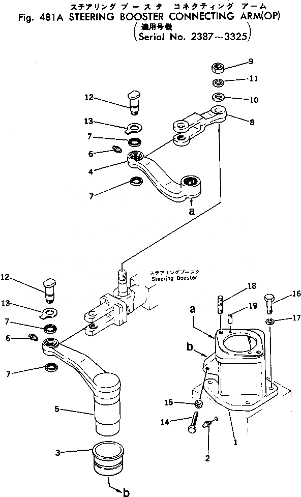
232-41-00103

BRACKET ASS'Y

SN: 2975-3325

1шт.

|$1

232-41-00102

BRACKET ASS'Y

SN: 2387-2974

1шт.

1

232-41-11110

BRACKET

SN: 2387-3325

1шт.

2

07020-00000

FITTING

SN: 2101-3325

1шт.

3

232-41-26130

BUSHING

SN: 2101-3325

1шт.

4

232-41-26111

ARM

SN: 2387-3325

1шт.

5

232-41-26121

ARM

SN: 2387-3325

1шт.

6

07020-00000

FITTING

SN: 2387-@

2шт.

7

234-41-11180

SEAL

SN: 2387-3325

4шт.

8

234-41-11120

YOKE

SN: 2387-@

1шт.

9

01582-02016

NUT

SN: 2975-@

1шт.

9

01500-32016

NUT

SN: 2387-2974

1шт.

10

01643-02045

WASHER

SN: 2387-@

1шт.

11

01602-02060

WASHER

SN: 2387-@

1шт.

12

234-41-11131

PIN

SN: 2975-@

2шт.

12

234-41-11130

PIN

SN: 2387-2974

2шт.

13

234-41-11160

PLATE

SN: 2387-@

2шт.

14

232-40-13161

BOLT

SN: 2975-3325

2шт.

14

232-40-13160

BOLT

SN: 2101-2974

2шт.

15

01580-01613

NUT

SN: 2975-3325

2шт.

15

01501-31608

NUT

SN: 2101-2974

2шт.

16

01010-31645

BOLT

SN: 2975-3325

4шт.

16

01000-31650

BOLT

SN: 2101-2974

4шт.

17

01602-01648

WASHER

SN: 2101-3325

4шт.

18

01100-31640

STUD

SN: 2101-3325

2шт.

19

04020-01228

PIN

SN: 2101-3325

2шт.

Выбрано товаров: 26