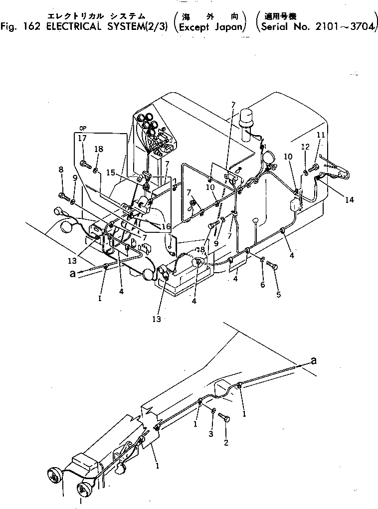
Запчасти Komatsu GD37-6H ЭЛЕКТРИКА (/) (КРОМЕ ЯПОН.)(№-7) КОМПОНЕНТЫ ДВИГАТЕЛЯ И ЭЛЕКТРИКА

Схема запчастей Komatsu GD37-6H - ЭЛЕКТРИКА (/) (КРОМЕ ЯПОН.)(№-7) КОМПОНЕНТЫ ДВИГАТЕЛЯ И ЭЛЕКТРИКА
FIT
1:1
100%

Артикул

Название

Примечание

Количество

1

08036-00810

CLIP

SN: 2101-@

7шт.

2

01010-50812

BOLT

SN: 2975-@

3шт.

2

01000-30812

BOLT

SN: 2101-2974

3шт.

3

01602-20825

WASHER

SN: 2101-@

3шт.

4

232-06-11980

CLIP

SN: 2101-3704

6шт.

5

01010-51016

BOLT

SN: 2975-@

6шт.

5

01000-31016

BOLT

SN: 2101-2974

6шт.

6

01602-21030

WASHER

SN: 2101-@

6шт.

7

232-06-11990

BAND

SN: 2101-3704

8шт.

8

01010-51016

BOLT

SN: 2975-@

8шт.

8

01000-31016

BOLT

SN: 2101-2974

8шт.

9

01602-21030

WASHER

SN: 2101-@

8шт.

10

08036-00810

CLIP

SN: 2101-@

2шт.

11

01010-50812

BOLT

SN: 2975-@

2шт.

11

01000-30812

BOLT

SN: 2101-2974

2шт.

12

01602-20825

WASHER

SN: 2101-@

2шт.

13

232-06-11950

GROMMET

SN: 2101-@

2шт.

14

08037-01008

GROMMET

SN: 3326-@

3шт.

14

232-06-92120

GROMMET

SN: 2101-3325

3шт.

15

232-06-11910

GROMMET (OP)

SN: 2101-3704

1шт.

16

08036-10810

CLIP (OP)

SN: 3434-@

1шт.

17

01010-50812

BOLT (OP)

SN: 3434-@

1шт.

18

01602-20825

WASHER (OP)

SN: 3434-@

1шт.

Выбрано товаров: 23