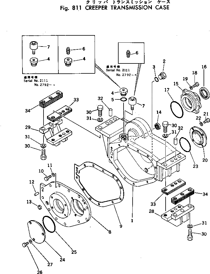
Запчасти Komatsu GD37-6H CREEPER КОРПУС ТРАНСМИССИИ ОПЦИОННЫЕ КОМПОНЕНТЫ

Схема запчастей Komatsu GD37-6H - CREEPER КОРПУС ТРАНСМИССИИ ОПЦИОННЫЕ КОМПОНЕНТЫ
FIT
1:1
100%

Артикул

Название

Примечание

Количество

|$0

232-976-0093

TRANSMISSION ASS'Y

SN: 2795-UP

1шт.

|$1

0

TRANSMISSION ASS'Y

SN: 2792-2794

1шт.

|$2

0

TRANSMISSION ASS'Y

SN: 2112-2791

1шт.

|$3

0

TRANSMISSION ASS'Y

SN: 2111-2111

1шт.

|$4

0

TRANSMISSION ASS'Y

SN: 2101-2110

1шт.

1

232-975-8111

CASE

SN: 2101-UP

1шт.

2

07044-02412

PLUG

SN: 2101-UP

1шт.

3

07000-03022

O-RING

SN: 2101-UP

1шт.

4

232-975-7220

PLUG

SN: 2792-UP

1шт.

4

131-14-42360

PLUG

SN: 2112-2791

1шт.

4

232-975-7220

PLUG

SN: 2111-2111

1шт.

4

131-14-42360

PLUG

SN: 2101-2110

1шт.

5

07002-13634

O-RING

SN: .-UP

1шт.

5

0

O-RING

SN: 2101-.

1шт.

6

07042-20211

PLUG

SN: .-UP

2шт.

6

07042-20211

PLUG

SN: 2792-.

2шт.

6

07042-20211

PLUG

SN: 2111-2111

1шт.

7

07030-00252

BREATHER

SN: 2101-.

1шт.

8

232-975-8120

COVER

SN: 2101-UP

1шт.

9

232-975-8130

GASKET

SN: 2101-UP

1шт.

10

01010-51035

BOLT

SN: 2975-UP

13шт.

10

01040-31025

BOLT

SN: 2101-2974

13шт.

11

01602-21030

WASHER

SN: 2101-UP

13шт.

12

04020-01024

PIN

SN: 2101-UP

2шт.

13

07035-03008

GAUGE

SN: 2101-UP

1шт.

14

07012-00020

SEAL

SN: 2101-UP

1шт.

15

232-975-8230

CAGE

SN: 2101-UP

1шт.

16

07012-20050

SEAL

SN: 2101-UP

1шт.

17

07000-05100

O-RING

SN: 2101-UP

1шт.

18

01010-51025

BOLT

SN: 2975-UP

4шт.

18

01040-31025

BOLT

SN: 2101-2974

4шт.

19

01602-21030

WASHER

SN: 2101-UP

4шт.

20

232-975-8510

COVER

SN: 2101-UP

1шт.

21

01010-51022

BOLT

SN: 2975-UP

4шт.

21

01040-31022

BOLT

SN: 2101-2974

4шт.

22

01602-21030

WASHER

SN: 2101-UP

4шт.

23

07000-03095

O-RING

SN: 2101-UP

1шт.

24

232-975-8570

COVER

SN: 2101-UP

1шт.

25

07000-05100

O-RING

SN: 2101-UP

1шт.

26

01010-51020

BOLT

SN: 2975-UP

3шт.

26

01040-31020

BOLT

SN: 2101-2974

3шт.

27

01602-21030

WASHER

SN: 2101-UP

3шт.

28

232-975-6160

SUPPORT

SN: 2101-UP

1шт.

29

232-975-6170

SUPPORT

SN: 2101-UP

1шт.

30

01010-51645

BOLT

SN: 2975-UP

12шт.

30

01040-31645

BOLT

SN: 2101-2974

12шт.

31

01602-21648

WASHER

SN: 2101-UP

12шт.

32

04020-01638

PIN

SN: 2101-UP

2шт.

33

232-975-0161

SHIM ASS'Y

SN: 2101-UP

2шт.

33

0

SHIM, 0.2MM

SN: 2101-UP

4шт.

33

0

SHIM, 1.0MM

SN: 2101-UP

2шт.

34

232-975-0162

SHIM ASS'Y

SN: 2101-UP

2шт.

34

0

SHIM

SN: 2101-UP

1шт.

34

0

SHIM

SN: 2101-UP

10шт.

Выбрано товаров: 54