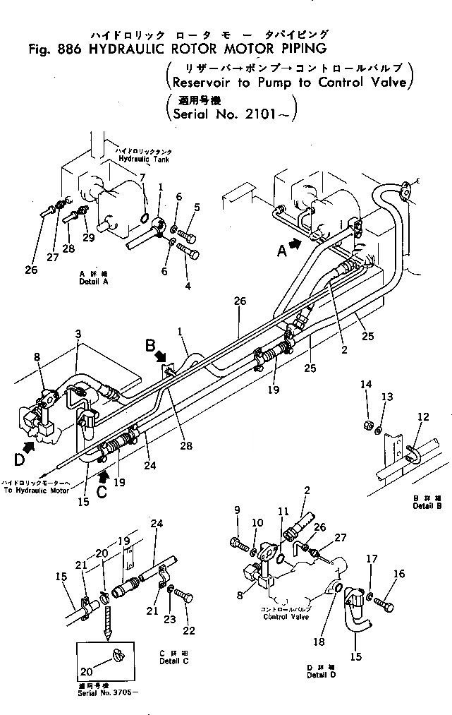
Запчасти Komatsu GD37-6H ГИДРАВЛ ROTOR МОТОР ТРУБЫ (РЕЗЕРВУАР - НАСОС - УПРАВЛЯЮЩ. КЛАПАН) ОПЦИОННЫЕ КОМПОНЕНТЫ

Схема запчастей Komatsu GD37-6H - ГИДРАВЛ ROTOR МОТОР ТРУБЫ (РЕЗЕРВУАР - НАСОС - УПРАВЛЯЮЩ. КЛАПАН) ОПЦИОННЫЕ КОМПОНЕНТЫ
FIT
1:1
100%

Артикул

Название

Примечание

Количество

1

232-976-7210

TUBE

SN: 2101-UP

1шт.

2

07108-31004

HOSE

SN: 2975-UP

1шт.

2

07108-01003

HOSE

SN: 2101-2974

1шт.

3

07108-31004

HOSE

SN: 2975-UP

1шт.

3

07108-01005

HOSE

SN: 2101-2974

1шт.

4

01252-41060

BOLT

SN: 2975-UP

2шт.

4

01252-01060

BOLT

SN: 2101-2974

2шт.

5

01252-41045

BOLT

SN: 2975-UP

2шт.

5

01252-01045

BOLT

SN: 2101-2974

2шт.

6

01602-21030

WASHER

SN: 2101-UP

4шт.

7

07000-13035

O-RING

SN: 2101-UP

1шт.

8

232-975-4411

TUBE

SN: 2101-UP

1шт.

9

01010-51435

BOLT

SN: 2975-UP

2шт.

9

01040-31235

BOLT

SN: 2101-2974

2шт.

10

01602-21442

WASHER

SN: 2975-UP

2шт.

10

01602-21236

WASHER

SN: 2101-2974

2шт.

11

07000-13045

O-RING

SN: 2101-UP

1шт.

12

07283-13450

CLIP

SN: 2975-UP

1шт.

12

07283-03450

CLIP

SN: 2101-2974

1шт.

13

01643-31032

WASHER

SN: 2101-UP

2шт.

14

01599-01011

NUT

SN: 2101-UP

2шт.

15

232-975-4423

TUBE

SN: 3705-UP

1шт.

15

232-975-4422

TUBE

SN: 2101-3704

1шт.

16

01010-51235

BOLT

SN: 2975-UP

2шт.

16

01040-31235

BOLT

SN: 2101-2974

2шт.

17

01602-21236

WASHER

SN: 2101-UP

2шт.

18

07000-03045

O-RING

SN: 2101-UP

1шт.

19

07260-23216

HOSE

SN: 3705-UP

2шт.

19

07260-03216

HOSE

SN: 2101-3704

2шт.

20

07281-00489

CLAMP

SN: 3705-UP

8шт.

20

07280-05026

CLAMP

SN: 2101-3704

8шт.

21

07282-03411

CLAMP

SN: 2101-UP

4шт.

22

01010-51016

BOLT

SN: 2975-UP

8шт.

22

01040-31016

BOLT

SN: 2101-2974

8шт.

23

01602-21030

WASHER

SN: 2101-UP

8шт.

24

232-976-7230

TUBE

SN: 2101-UP

1шт.

25

232-976-7221

TUBE

SN: 3705-UP

1шт.

25

232-976-7220

TUBE

SN: 2101-3704

1шт.

26

232-976-7251

TUBE

SN: 2975-UP

1шт.

26

232-976-7250

TUBE

SN: 2101-2974

1шт.

27

07213-51013

CONNECTOR

SN: 2975-UP

2шт.

27

07213-01013

CONNECTOR

SN: 2101-2974

2шт.

28

232-976-7240

TUBE

SN: 2101-UP

1шт.

29

07213-51521

CONNECTOR

SN: 2975-UP

1шт.

29

07213-01521

CONNECTOR

SN: 2101-2974

1шт.

Выбрано товаров: 45