Запчасти Komatsu GD37-6H ЭЛЕКТРИКА (ДЛЯ W ГЕНЕРАТОР) (OP)(№7-) КОМПОНЕНТЫ ДВИГАТЕЛЯ И ЭЛЕКТРИКА

Схема запчастей Komatsu GD37-6H - ЭЛЕКТРИКА (ДЛЯ W ГЕНЕРАТОР) (OP)(№7-) КОМПОНЕНТЫ ДВИГАТЕЛЯ И ЭЛЕКТРИКА
FIT
1:1
100%

Артикул

Название

Примечание

Количество

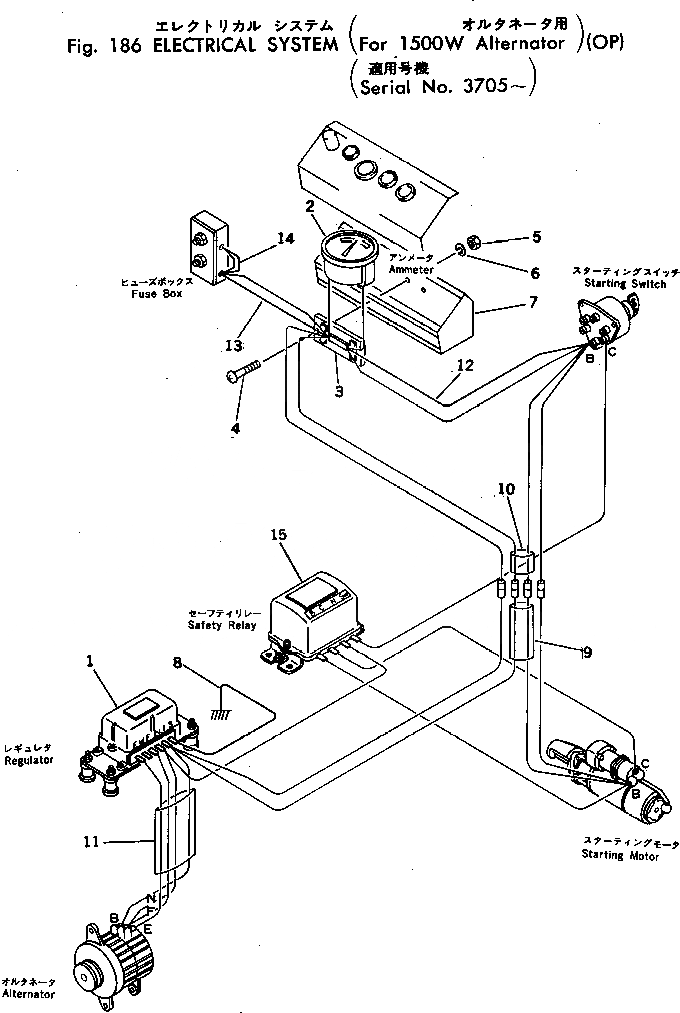
1

600-822-8710

REGULATOR ASS'Y

SN: 3705-UP

1шт.

2

281-06-15490

AMMETER

SN: 3705-UP

1шт.

3

281-06-15480

CONVERTER

SN: 3705-UP

1шт.

4

01220-40516

SCREW

SN: 3705-UP

2шт.

5

01580-10504

NUT

SN: 3705-UP

2шт.

6

01601-20513

WASHER

SN: 3705-UP

2шт.

7

232-808-5140

BRACKET

SN: 3705-UP

1шт.

8

232-808-5110

CABLE

SN: 3705-UP

1шт.

9

232-808-5120

HARNESS

SN: 3705-UP

1шт.

10

232-808-5130

HARNESS

SN: 3705-UP

1шт.

11

232-808-5160

HARNESS

SN: 3705-UP

1шт.

12

232-06-11244

CABLE

SN: 3705-UP

1шт.

13

232-06-11293

HARNESS

SN: 3705-UP

1шт.

14

232-06-11322

CABLE

SN: 3705-UP

1шт.

15

600-824-8110

SAFETY RELAY A.

SN: 3705-UP

1шт.

Выбрано товаров: 15