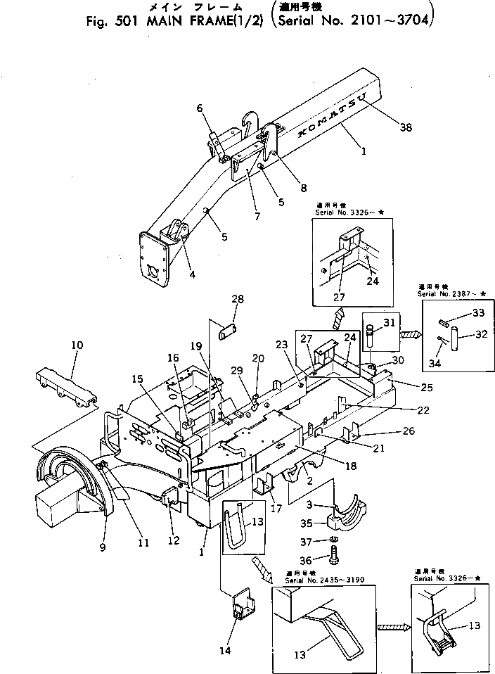
Запчасти Komatsu GD37-6H ОСНОВН. РАМА (/)(№-7) РАМА И ЧАСТИ КОРПУСА

Схема запчастей Komatsu GD37-6H - ОСНОВН. РАМА (/)(№-7) РАМА И ЧАСТИ КОРПУСА
FIT
1:1
100%

Артикул

Название

Примечание

Количество

|1

232-801-0075

MAIN FRAME ASS'Y

SN: 3338-3704

1шт.

|1

232-801-0074

MAIN FRAME ASS'Y

SN: 3191-3337

1шт.

|1

232-801-0073

MAIN FRAME ASS'Y

SN: 2975-3190

1шт.

|1

232-801-0072

MAIN FRAME ASS'Y

SN: 2591-2974

1шт.

|1

232-801-0071

MAIN FRAME ASS'Y

SN: 2101-2590

1шт.

1

232-801-1217

FRAME

SN: 3338-3704

1шт.

|1

232-801-1216

FRAME

SN: 3191-3337

1шт.

|1

232-801-1215

FRAME

SN: 2975-3190

1шт.

|1

232-801-1214

FRAME

SN: 2591-2974

1шт.

|1

232-801-1213

FRAME

SN: 2101-2590

1шт.

2

232-46-11322

SEAT

SN: 2998-3704

2шт.

|2

232-46-11321

SEAT

SN: 2975-2997

2шт.

|2

232-46-11320

SEAT

SN: 2101-2974

2шт.

3

232-46-11460

SEAT

SN: 2101-3704

6шт.

4

232-46-11121

BRACKET

SN: 2591-3704

1шт.

|4

232-46-11120

BRACKET

SN: 2101-2590

1шт.

5

01571-00814

SEAT

SN: 2975-3704

12шт.

|5

232-46-11560

SEAT

SN: 2101-2974

5шт.

6

232-46-11212

SEAT

SN: 2975-3704

2шт.

|6

232-46-11211

SEAT

SN: 2101-2974

2шт.

7

232-46-11141

BRACKET,L.H.

SN: 3326-3704

1шт.

|7

232-46-11140

BRACKET,L.H.

SN: 2101-3325

1шт.

|7

232-46-11151

BRACKET,R.H.

SN: 3326-3704

1шт.

|7

232-46-11150

BRACKET,R.H.

SN: 2101-3325

1шт.

8

232-46-11160

HANGER

SN: 2101-3704

2шт.

9

232-46-11170

GUIDE

SN: 2101-3704

1шт.

10

232-46-11181

GUIDE

SN: 2975-3704

1шт.

|10

232-46-11180

GUIDE

SN: 2101-2974

1шт.

11

232-46-11191

SEAT

SN: 2975-3704

2шт.

|11

232-46-11190

SEAT

SN: 2101-2974

2шт.

12

232-06-15280

PLATE

SN: 2101-2590

2шт.

13

232-54-11427

STEP,L.H.

SN: 3326-3704

1шт.

|13

232-54-11426

STEP,L.H.

SN: 3191-3325

1шт.

|13

232-54-11424

STEP,L.H.

SN: 2435-3190

1шт.

|13

232-54-11422

STEP,L.H.

SN: 2101-2434

1шт.

|13

232-54-11444

STEP,R.H.

SN: 3326-3704

1шт.

|13

232-54-11443

STEP,R.H.

SN: 3191-3326

1шт.

|13

232-54-11442

STEP,R.H.

SN: 2435-3190

1шт.

|13

232-54-11440

STEP,R.H.

SN: 2101-2434

1шт.

14

232-46-11263

BRACKET,L.H.

SN: 2975-3704

1шт.

|14

232-46-11262

BRACKET,L.H.

SN: 2101-2974

1шт.

|14

232-46-11273

BRACKET,R.H.

SN: 2975-3704

1шт.

|14

232-46-11272

BRACKET,R.H.

SN: 2101-2974

1шт.

15

232-46-11281

HOLDER

SN: 2101-3704

1шт.

16

232-46-31112

BOSS

SN: 2975-3704

1шт.

|16

232-46-31110

BOSS

SN: 2101-2974

1шт.

17

232-46-11311

STOPPER

SN: 2101-3704

2шт.

18

232-46-13214

BOX

SN: 2387-3704

1шт.

|18

232-46-13213

BOX

SN: 2101-2386

1шт.

|18

09455-03016

HINGE

SN: 2101-3704

2шт.

19

232-46-11471

SEAT

SN: 2975-3704

2шт.

|19

232-46-11470

SEAT

SN: 2101-2974

2шт.

20

30-46-11273

PLATE

SN: 2101-3704

1шт.

21

232-46-11361

PLATE

SN: 2101-3704

1шт.

22

232-46-11381

BRACKET

SN: 2101-3704

1шт.

23

01571-01016

SEAT

SN: 2975-3704

19шт.

|23

232-46-11570

SEAT

SN: 2101-2974

18шт.

24

232-46-11442

PLATE

SN: 3326-3704

1шт.

|24

232-46-11441

SEAT

SN: 2101-3325

3шт.

25

232-801-1222

BRACKET

SN: 2975-3704

2шт.

|25

232-801-1221

BRACKET

SN: 2101-2974

2шт.

|25

01580-01613

NUT

SN: 2975-3704

4шт.

|25

01500-31613

NUT

SN: 2101-2974

2шт.

26

232-46-11391

STOPPER

SN: 2101-3704

2шт.

27

232-46-11840

SEAT

SN: 3326-3704

2шт.

|27

230-06-11322

SEAT

SN: 2975-3325

2шт.

|27

232-46-11410

SEAT

SN: 2399-2974

3шт.

|27

232-46-11410

SEAT

SN: 2101-2398

2шт.

28

232-46-11231

BRACKET

SN: 2975-3704

1шт.

|28

232-46-11230

BRACKET

SN: 2101-2974

1шт.

29

232-46-91120

SEAT

SN: 2975-3704

1шт.

|29

232-46-11330

SEAT

SN: 2101-2974

1шт.

30

232-46-91110

DRAWBAR ASS'Y

SN: 2101-2386

1шт.

|30

232-46-11431

DRAWBAR

SN: 2101-2386

1шт.

|30

364-46-11460

BRACKET

SN: 2101-2386

1шт.

|30

364-46-11450

LATCH

SN: 2101-2386

1шт.

|30

04400-00836

RIVET

SN: 2101-2386

1шт.

31

232-46-11710

PIN

SN: 2101-2386

1шт.

32

232-46-11711

PIN

SN: 2387-@

1шт.

33

04025-01065

PIN

SN: 2387-@

1шт.

34

232-46-11920

PIN

SN: 2387-@

1шт.

|35

232-46-00082

BLOCK ASS'Y

SN: 2998-3704

2шт.

|35

232-46-00081

BLOCK ASS'Y

SN: 2975-2997

2шт.

|35

232-46-00080

BLOCK ASS'Y

SN: 2101-2974

2шт.

|35

232-46-11322

SEAT

SN: 2998-3704

1шт.

|35

232-46-11321

SEAT

SN: 2975-2997

1шт.

|35

232-46-11320

SEAT

SN: 2101-2974

1шт.

35

232-22-11381

CAP

SN: 2998-@

1шт.

|35

232-22-11380

CAP

SN: 2101-2997

1шт.

36

01011-63040

BOLT

SN: 2998-@

2шт.

|36

01011-62435

BOLT

SN: 2975-2997

2шт.

|36

01001-32435

BOLT

SN: 2101-2974

2шт.

37

01601-03075

WASHER

SN: 2998-@

2шт.

|37

01602-02472

WASHER

SN: 2101-2997

2шт.

38

09690-00400

PLATE¤ MARK

SN: 2220-2974

1шт.

|38

09690-00400

PLATE¤ MARK

SN: 2207-3704

2шт.

Выбрано товаров: 96