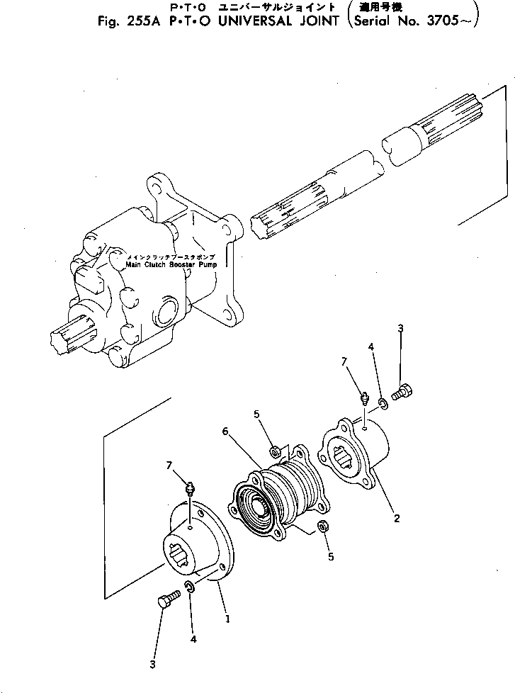
Запчасти Komatsu GD37-6H P.T.O КРЕСТОВИНА(№7-) СИЛОВАЯ ПЕРЕДАЧА

Схема запчастей Komatsu GD37-6H - P.T.O КРЕСТОВИНА(№7-) СИЛОВАЯ ПЕРЕДАЧА
FIT
1:1
100%

Артикул

Название

Примечание

Количество

1

232-43-33140

FLANGE

SN: 3705-UP

1шт.

2

232-43-33130

FLANGE

SN: 3705-UP

1шт.

3

01010-51030

BOLT

SN: 3705-UP

6шт.

4

01602-21030

WASHER

SN: 3705-UP

6шт.

5

01580-11008

NUT

SN: 3705-UP

6шт.

6

232-43-33100

JOINT ASS'Y

SN: 3705-UP

1шт.

7

07020-00000

FITTING

SN: 3705-UP

2шт.

Выбрано товаров: 0