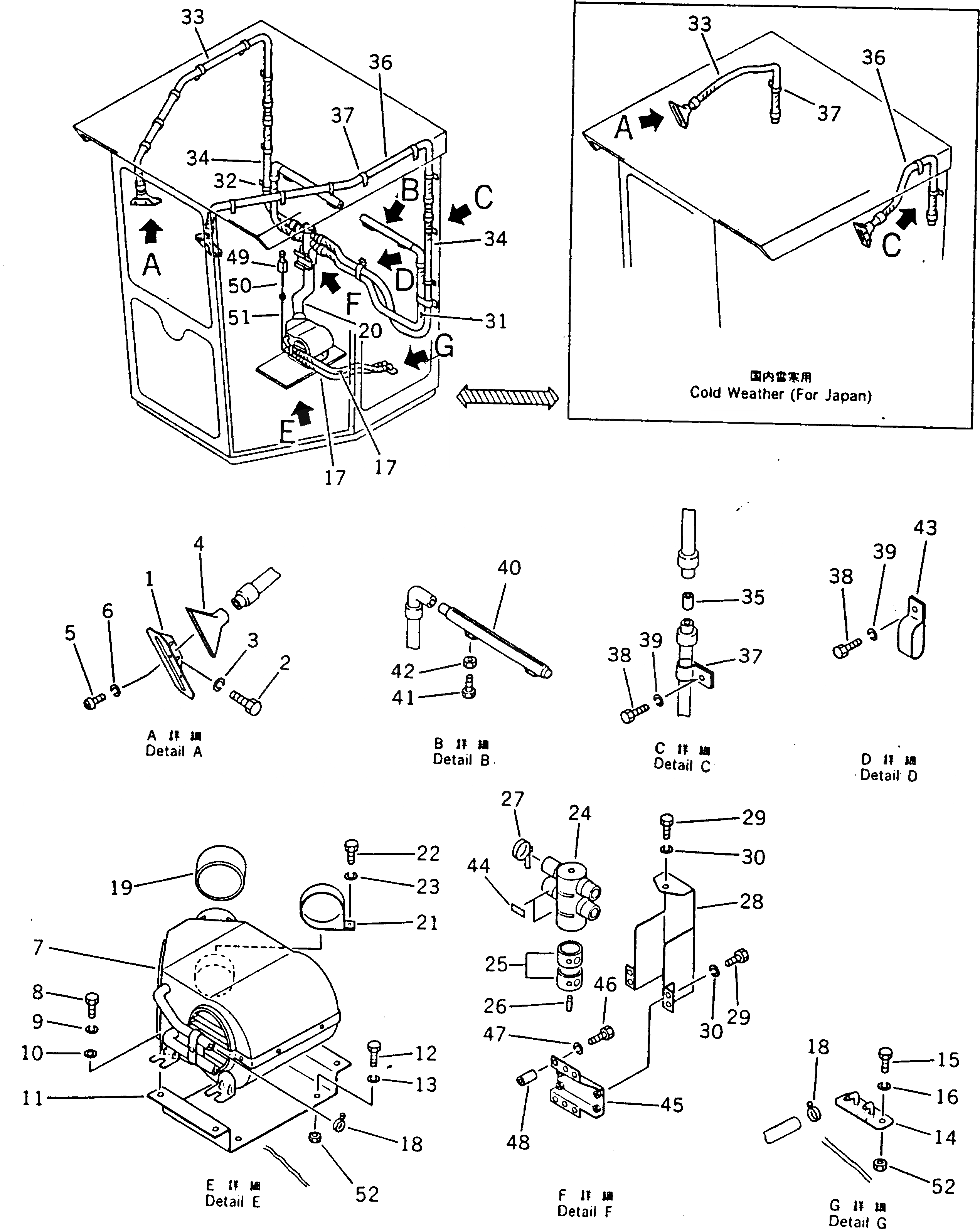
Запчасти Komatsu GD405A-1 ОБОГРЕВАТЕЛЬ. (/)(№-) ОПЦИОННЫЕ КОМПОНЕНТЫ

Схема запчастей Komatsu GD405A-1 - ОБОГРЕВАТЕЛЬ. (/)(№-) ОПЦИОННЫЕ КОМПОНЕНТЫ
FIT
1:1
100%

Артикул

Название

Примечание

Количество

|$0

238-807-0011

CAR HEATER ASS'Y

SN: 50551-UP

1шт.

1

238-807-1230

BRACKET

SN: 50551-UP

2шт.

2

01010-50816

BOLT

SN: 50551-UP

4шт.

3

01602-20825

WASHER

SN: 50551-UP

4шт.

4

09486-10000

NOZZLE

SN: 50551-UP

2шт.

5

01220-40512

SCREW

SN: 50551-UP

4шт.

6

01601-20513

WASHER

SN: 50551-UP

4шт.

7

237-807-4110

HEATER

SN: 50551-UP

1шт.

8

01010-51025

BOLT

SN: 50002-UP

4шт.

9

01602-21030

WASHER

SN: 50002-UP

4шт.

10

01643-31032

WASHER

SN: 50551-UP

4шт.

11

233-807-4131

BRACKET

SN: 50551-UP

1шт.

12

01010-51025

BOLT

SN: 50551-UP

4шт.

13

01602-21030

WASHER

SN: 50551-UP

4шт.

14

233-807-4121

JOINT

SN: 50551-UP

1шт.

15

01010-51055

BOLT

SN: 50551-UP

2шт.

16

01602-21030

WASHER

SN: 50551-UP

2шт.

17

09483-00407

HOSE

SN: 50551-UP

2шт.

18

07281-02229

CLAMP

SN: 50551-UP

4шт.

19

237-807-4240

CAP

SN: 50551-UP

1шт.

20

09485-06509

HOSE

SN: 50551-UP

1шт.

21

232-809-4850

CLIP

SN: 50551-UP

5шт.

22

01010-51012

BOLT

SN: 50551-UP

5шт.

23

01602-21030

WASHER

SN: 50551-UP

5шт.

24

237-807-4521

JOINT

SN: 50551-UP

1шт.

25

237-807-4261

PIPE

SN: 50551-UP

2шт.

26

237-807-4270

BAR

SN: 50551-UP

2шт.

27

08034-00536

BAND

SN: 50551-UP

4шт.

28

237-807-4220

COVER

SN: 50551-UP

1шт.

29

01011-51015

BOLT

SN: 50551-UP

5шт.

30

01602-21030

WASHER

SN: 50551-UP

5шт.

31

232-817-2320

HOSE,L.H.

SN: 50551-UP

1шт.

32

232-817-2330

HOSE,R.H.

SN: 50551-UP

1шт.

33

09485-03721

HOSE

SN: 50551-UP

1шт.

33

09485-03707

HOSE,(FOR SNOW REMOVING)

SN: 50551-UP

1шт.

34

09485-03715

HOSE

SN: 50551-UP

2шт.

35

232-807-1361

JOINT

SN: 50002-UP

2шт.

36

09485-03720

HOSE

SN: 50551-UP

1шт.

36

09485-03715

HOSE,(FOR SNOW REMOVING)

SN: 50551-50562

1шт.

37

232-807-1551

CLIP

SN: 50551-UP

14шт.

37

232-807-1551

CLIP,(FOR SNOW REMOVING)

SN: 50551-50562

6шт.

38

01010-50816

BOLT

SN: 50551-UP

16шт.

38

01010-50816

BOLT,(FOR SNOW REMOVING)

SN: 50551-50562

8шт.

39

01602-20825

WASHER

SN: 50551-UP

16шт.

39

01602-20825

WASHER,(FOR SNOW REMOVING)

SN: 50551-50562

8шт.

40

237-807-3221

PIPE

SN: 50551-UP

2шт.

41

01010-50820

BOLT

SN: 50551-UP

4шт.

42

01580-10806

NUT

SN: 50551-UP

4шт.

43

230-807-1680

CLIP

SN: 50551-UP

2шт.

44

237-807-4180

PLATE

SN: 50551-UP

2шт.

45

233-807-4160

BRACKET

SN: 50551-UP

1шт.

46

01010-51020

BOLT

SN: 50551-UP

4шт.

47

01602-21030

WASHER

SN: 50551-UP

4шт.

48

232-817-2310

COLLAR

SN: 50551-UP

2шт.

49

237-807-4120

SWITCH

SN: 50551-UP

1шт.

50

236-855-1330

CABLE

SN: 50551-UP

1шт.

51

233-807-4111

HARNESS

SN: 50551-UP

1шт.

52

01580-11008

NUT (WELDED)

SN: 50551-UP

6шт.

Выбрано товаров: 58