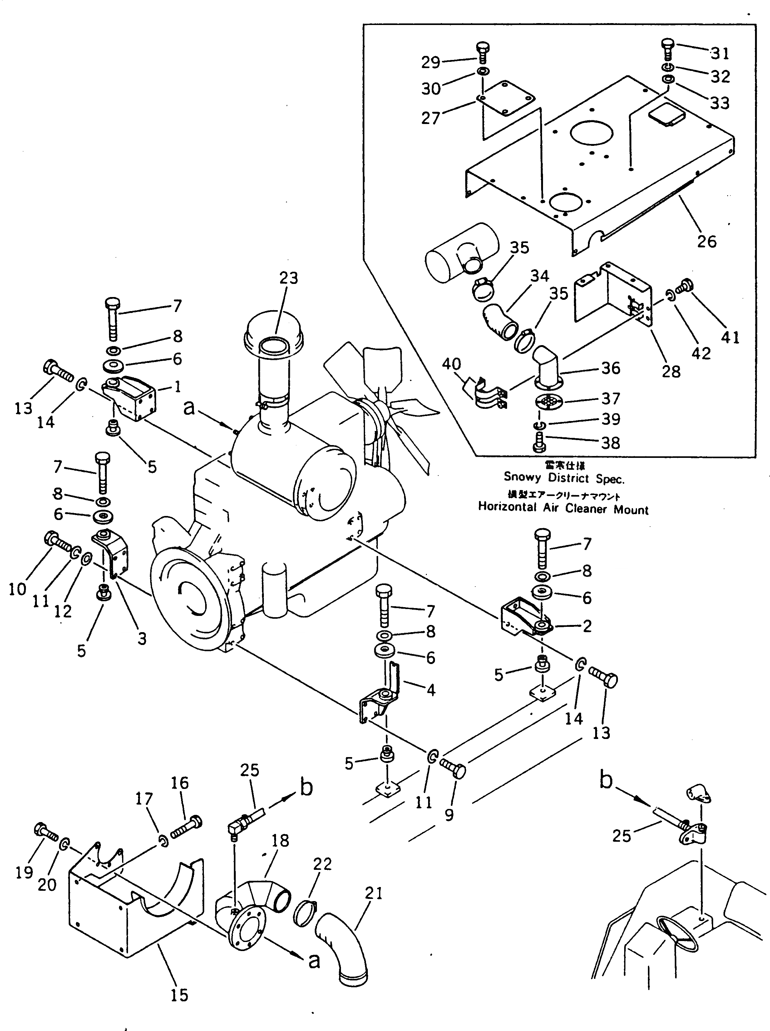
Запчасти Komatsu GD405A-1 КРЕПЛЕНИЕ ДВИГАТЕЛЯ КОМПОНЕНТЫ ДВИГАТЕЛЯ И ЭЛЕКТРИКА

Схема запчастей Komatsu GD405A-1 - КРЕПЛЕНИЕ ДВИГАТЕЛЯ КОМПОНЕНТЫ ДВИГАТЕЛЯ И ЭЛЕКТРИКА
FIT
1:1
100%

Артикул

Название

Примечание

Количество

1

238-01-12210

BRACKET

SN: 50002-UP

1шт.

2

238-01-12220

BRACKET

SN: 50002-UP

1шт.

3

238-01-12230

BRACKET

SN: 50002-UP

1шт.

4

238-01-12240

BRACKET

SN: 50002-UP

1шт.

5

237-01-11110

SEAT

SN: 50002-UP

4шт.

6

237-01-11130

PLATE

SN: 50002-UP

4шт.

7

01010-51675

BOLT

SN: 50002-UP

4шт.

8

01605-11635

WASHER

SN: 50002-UP

4шт.

9

01010-51230

BOLT

SN: 50002-UP

7шт.

10

01010-51235

BOLT

SN: 50002-UP

1шт.

11

01602-21236

WASHER

SN: 50002-UP

8шт.

12

01643-31232

WASHER

SN: 50002-UP

1шт.

13

01010-51025

BOLT

SN: 50002-UP

8шт.

14

01602-21030

WASHER

SN: 50002-UP

8шт.

15

233-01-21110

BRACKET

SN: 50002-UP

1шт.

16

01010-51020

BOLT

SN: 50002-UP

4шт.

17

01602-21030

WASHER

SN: 50002-UP

4шт.

18

233-01-21120

TUBE

SN: 50002-UP

1шт.

19

01580-10806

NUT

SN: 50002-UP

6шт.

20

01602-20825

WASHER

SN: 50002-UP

6шт.

21

233-01-21130

HOSE

SN: 50002-UP

1шт.

22

07281-01159

CLAMP

SN: 50002-UP

2шт.

23

233-01-21140

EXTENSION

SN: 50002-UP

1шт.

24

233-01-21180

CUSHION

SN: 50005-UP

1шт.

25

08671-00184

HOSE

SN: 50005-UP

1шт.

26

233-802-2210

BONNET,(MODIFIED PARTS)

SN: 50551-UP

1шт.

27

233-802-2270

COVER,(FOR SNOW REMOVING)

SN: 50551-UP

1шт.

28

233-802-2220

COVER,(FOR SNOW REMOVING)

SN: 50551-UP

1шт.

29

01010-50820

BOLT,(FOR SNOW REMOVING)

SN: 50551-UP

4шт.

30

01643-30823

WASHER,(FOR SNOW REMOVING)

SN: 50551-UP

4шт.

31

01010-51025

BOLT,(FOR SNOW REMOVING)

SN: 50551-UP

3шт.

32

01602-21030

WASHER,(FOR SNOW REMOVING)

SN: 50551-UP

3шт.

33

01643-31232

WASHER,(FOR SNOW REMOVING)

SN: 50551-UP

3шт.

34

233-802-2240

HOSE,(FOR SNOW REMOVING)

SN: 50551-UP

1шт.

35

07281-01159

CLAMP,(FOR SNOW REMOVING)

SN: 50551-UP

2шт.

36

233-802-2230

PIPE,(FOR SNOW REMOVING)

SN: 50551-UP

1шт.

37

233-802-2250

PLATE,(FOR SNOW REMOVING)

SN: 50551-UP

1шт.

38

01220-40610

SCREW,(FOR SNOW REMOVING)

SN: 50551-UP

4шт.

39

01602-20619

WASHER,(FOR SNOW REMOVING)

SN: 50551-UP

4шт.

40

233-802-2260

CLAMP,(FOR SNOW REMOVING)

SN: 50551-UP

2шт.

41

01010-51030

BOLT,(FOR SNOW REMOVING)

SN: 50551-UP

4шт.

42

01602-21030

WASHER,(FOR SNOW REMOVING)

SN: 50551-UP

4шт.

43

08670-50001

INDICATOR,DUST

SN: 50002-UP

1шт.

Выбрано товаров: 43