Запчасти Komatsu GD405A-1 КОРПУС СДВОЕННОГО ПРИВОДА(№-98) СДВОЕНН. ПРИВОД И КОЛЕСА

Схема запчастей Komatsu GD405A-1 - КОРПУС СДВОЕННОГО ПРИВОДА(№-98) СДВОЕНН. ПРИВОД И КОЛЕСА
FIT
1:1
100%

Артикул

Название

Примечание

Количество

|$0

233-23-00210

TANDEM DRIVE ASS'Y,L.H. (FOR JAPAN)

SN: 50002-50598

1шт.

|$1

233-23-00200

TANDEM DRIVE ASS'Y,L.H. (EXCEPT JAPAN)

SN: 50002-50598

1шт.

|$2

233-23-00230

TANDEM DRIVE ASS'Y,R.H. (FOR JAPAN)

SN: 50002-50598

1шт.

|$3

233-23-00220

TANDEM DRIVE ASS'Y,R.H. (EXCEPT JAPAN)

SN: 50002-50598

1шт.

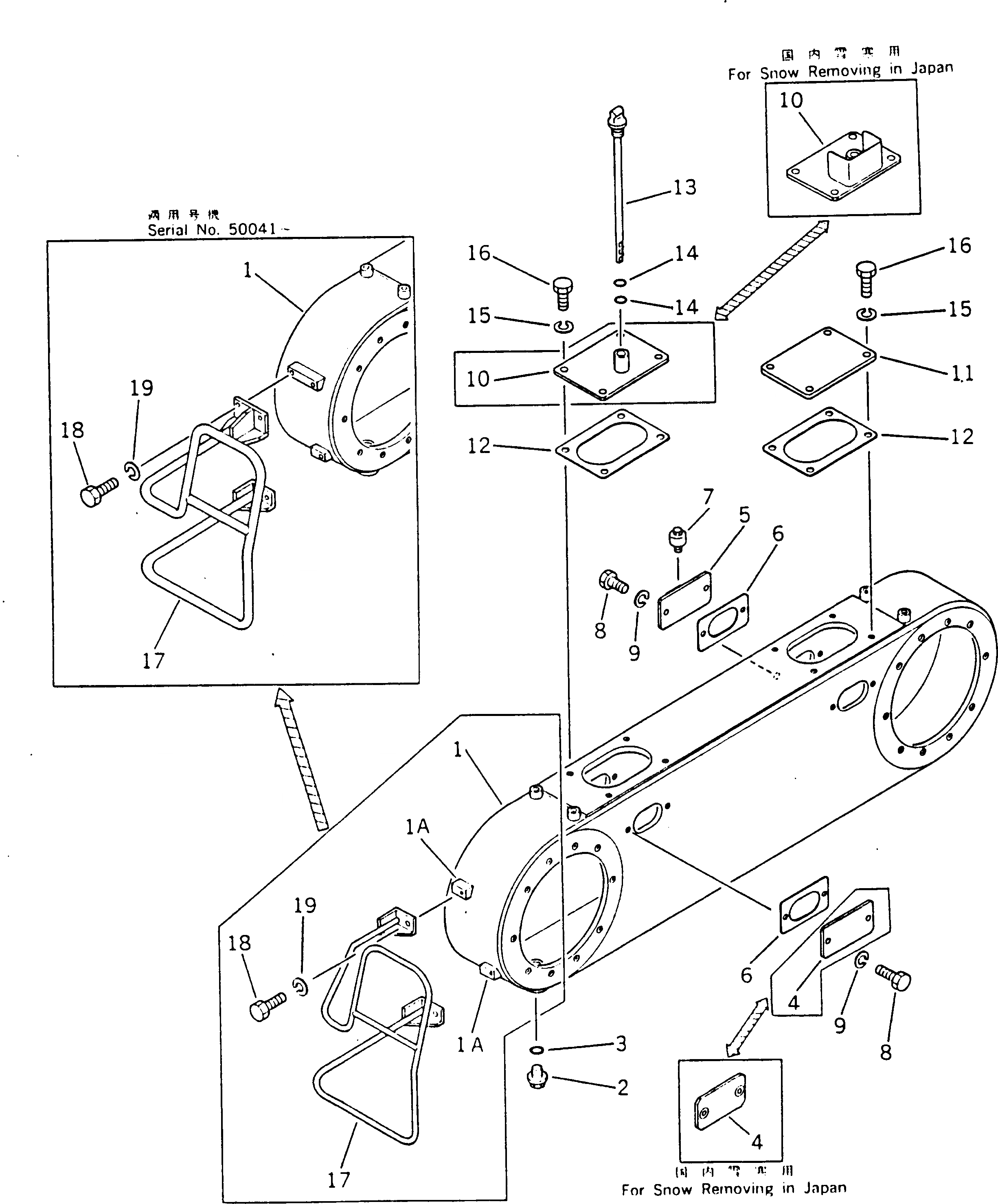
1

233-23-23110

CASE

SN: 50002-50598

1шт.

1A

233-99-11350

SEAT,(FOR JAPAN)

SN: 50002-50040

2шт.

2

07044-12412

PLUG

SN: 50002-@

1шт.

3

07002-12434

O-RING (KIT)

SN: 50002-@

1шт.

4

238-23-11130

COVER

SN: 50002-@

3шт.

4

232-25-51770

COVER,(FOR SNOW REMOVING)

SN: .-@

2шт.

5

238-23-11140

COVER

SN: 50002-@

1шт.

6

238-23-11120

GASKET (KIT)

SN: 50002-@

4шт.

7

07030-00252

BREATHER

SN: .-@

1шт.

7

0

BREATHER

SN: 50002-.

1шт.

8

01010-51230

BOLT

SN: 50002-@

8шт.

9

01602-01236

WASHER

SN: 50002-@

8шт.

10

238-23-11150

COVER

SN: 50002-50598

1шт.

10

238-23-11170

COVER,(FOR SNOW REMOVING)

SN: .-@

1шт.

11

237-23-11141

COVER

SN: 50002-50598

1шт.

12

237-23-11151

GASKET (KIT)

SN: 50002-50598

2шт.

13

233-23-21210

GAUGE

SN: 50002-@

1шт.

14

07000-03022

O-RING (KIT)

SN: 50002-@

2шт.

15

01602-01236

WASHER

SN: 50002-@

8шт.

16

01010-51230

BOLT

SN: 50002-@

8шт.

17

233-23-23121

GUARD,L.H. (FOR JAPAN)

SN: 50041-@

1шт.

17

0

GUARD,L.H. (FOR JAPAN)

SN: 50002-50040

1шт.

17

233-23-23131

GUARD,R.H. (FOR JAPAN)

SN: 50041-@

1шт.

17

0

GUARD,R.H. (FOR JAPAN)

SN: 50002-50040

1шт.

18

01602-51230

WASHER,(FOR JAPAN)

SN: 50041-@

6шт.

18

01602-51230

WASHER,(FOR JAPAN)

SN: 50002-50040

4шт.

19

01602-21236

WASHER,(FOR JAPAN)

SN: 50041-@

6шт.

19

01602-21236

WASHER,(FOR JAPAN)

SN: 50002-50040

4шт.

Выбрано товаров: 32