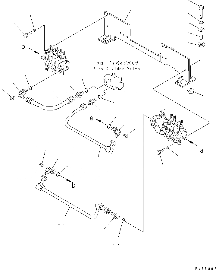
Запчасти Komatsu GD405A-2 ГИДРОЛИНИЯ (КЛАПАН ДЕЛИТЕЛЯ ПОТОКА - УПРАВЛЯЮЩ. КЛАПАН)(С НАКЛОНЯЕМ.)(№-999) ГИДРАВЛИКА

Схема запчастей Komatsu GD405A-2 - ГИДРОЛИНИЯ (КЛАПАН ДЕЛИТЕЛЯ ПОТОКА - УПРАВЛЯЮЩ. КЛАПАН)      (С НАКЛОНЯЕМ.)(№-999) ГИДРАВЛИКА
1
1
2
2
3
3
4
4
5
5
6
7
7
8
8
9
9
10
11
12
13
14
15
16
17
18
19
20
21
FIT
1:1
100%

Артикул

Название

Примечание

Количество

1

234-60-51410

NIPPLE

SN: 1001-1999

2шт.

2

238-40-16140

O-RING

SN: 1001-@

2шт.

3

237-60-22170

ELBOW

SN: 1001-1999

2шт.

4

07042-50108

PLUG

SN: 1001-@

2шт.

5

07000-12018

O-RING

SN: 1296-@

2шт.

|5

237-60-22180

O-RING

SN: 1001-1295

2шт.

6

23E-60-16241

BRACKET

SN: 1398-1999

1шт.

|6

23E-60-16240

BRACKET

SN: 1001-1397

1шт.

7

01010-50830

BOLT

SN: 1001-@

6шт.

8

01643-30823

WASHER

SN: 1001-@

6шт.

9

23B-60-16740

SEAT

SN: 1001-1999

8шт.

10

23B-60-16490

COLLAR

SN: 1001-1999

4шт.

11

23B-60-16870

WASHER

SN: 1001-1999

4шт.

12

01010-51045

BOLT

SN: 1001-1999

4шт.

13

01643-31032

WASHER

SN: 1001-@

4шт.

14

237-60-22170

ELBOW

SN: 1001-1999

1шт.

15

07042-50108

PLUG

SN: 1001-1999

1шт.

16

07000-12018

O-RING

SN: 1415-@

1шт.

|16

237-60-22180

O-RING

SN: 1001-1414

1шт.

17

233-60-32120

NIPPLE

SN: 1001-1999

1шт.

18

07000-12018

O-RING

SN: 1415-@

1шт.

|18

237-60-22240

O-RING

SN: 1001-1414

1шт.

19

23E-60-16150

TUBE

SN: 1001-1999

1шт.

20

07108-20404

HOSE

SN: 1001-1999

1шт.

21

23D-60-16160

TUBE

SN: 1001-1999

1шт.

Выбрано товаров: 25