Запчасти Komatsu GD405A-2 ЭЛЕКТРИКА (ЛИНИЯ ПАНЕЛИ ПРИБОРОВ)(№-) КОМПОНЕНТЫ ДВИГАТЕЛЯ И ЭЛЕКТРИКА

Схема запчастей Komatsu GD405A-2 - ЭЛЕКТРИКА (ЛИНИЯ ПАНЕЛИ ПРИБОРОВ)(№-) КОМПОНЕНТЫ ДВИГАТЕЛЯ И ЭЛЕКТРИКА
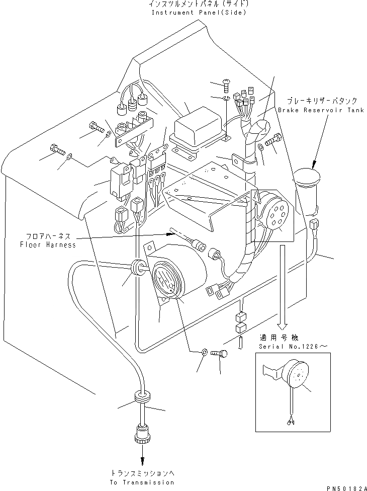
1
2
2
3
4
5
6
7
8
9
10
11
12
13
14
15
16
17
18
19
20
21
22
23
23
FIT
1:1
100%

Артикул

Название

Примечание

Количество

1

23B-06-11540

WIRE ASS'Y

SN: 1001-1235

1шт.

2

232-06-61620

BUZZER

SN: 1226-@

1шт.

|2

08166-02480

BUZZER

SN: 1001-1225

1шт.

3

08163-02400

RELAY,HORN

SN: 1001-@

1шт.

4

22W-06-13251

FLASHER,RELAY

SN: 1001-@

1шт.

5

287-06-16410

RELAY,BRAKE

SN: 1226-@

1шт.

|5

233-06-13260

RELAY,BRAKE

SN: 1001-1225

1шт.

6

01010-50612

BOLT

SN: 1226-@

4шт.

|6

01010-50612

BOLT

SN: 1001-1225

3шт.

7

01643-30623

WASHER

SN: 1226-@

4шт.

|7

01643-30623

WASHER

SN: 1001-1225

3шт.

8

23D-06-11190

WIRE ASS'Y

SN: 1001-@

1шт.

9

7861-72-3000

CONTROLLER ASS'Y

SN: 1001-1235

1шт.

10

01220-40616

SCREW

SN: 1001-1235

4шт.

11

01602-20619

WASHER,SPRING

SN: 1001-1235

4шт.

12

08036-02514

CLIP

SN: 1001-@

1шт.

13

01010-51016

BOLT

SN: 1001-@

1шт.

14

01643-31032

WASHER

SN: 1001-@

1шт.

15

23B-06-12240

BRACKET

SN: 1001-1235

1шт.

16

01010-50812

BOLT

SN: 1001-1235

1шт.

17

01602-20825

WASHER,SPRING

SN: 1001-1235

1шт.

18

419-06-17110

ODOMETER

SN: 1001-@

1шт.

19

08603-40023

CABLE

SN: 1034-@

1шт.

|19

08603-40022

CABLE

SN: 1001-1033

1шт.

20

23D-06-12330

BRACKET

SN: 1001-@

1шт.

21

01010-51016

BOLT

SN: 1001-@

2шт.

22

01643-31032

WASHER

SN: 1001-@

2шт.

23

08037-02512

GROMMET

SN: 1001-@

2шт.

Выбрано товаров: 28