Запчасти Komatsu GD405A-2 ГИДРОЛИНИЯ (ЦИЛИНДР СДВИГ. ОТВАЛА ЛИНИЯ) (/) (С РЕГУЛИР. ОТВАЛ) ГИДРАВЛИКА

Схема запчастей Komatsu GD405A-2 - ГИДРОЛИНИЯ (ЦИЛИНДР СДВИГ. ОТВАЛА ЛИНИЯ) (/)     (С РЕГУЛИР. ОТВАЛ) ГИДРАВЛИКА
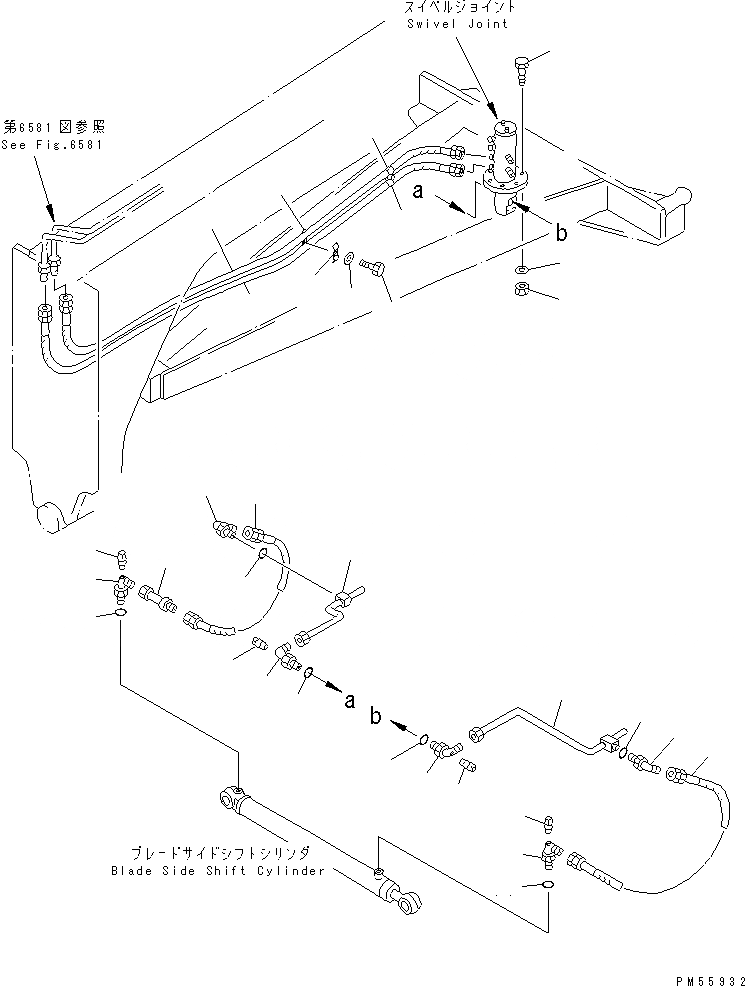
1
1
2
3
4
5
5
6
6
7
7
8
9
10
10
11
11
12
12
13
14
15
16
16
17
17
18
18
19
19
20
21
FIT
1:1
100%

Артикул

Название

Примечание

Количество

1

07113-00326

HOSE

SN: 1001-UP

2шт.

2

01010-51245

BOLT

SN: 1001-UP

3шт.

3

01580-11210

NUT

SN: 1001-UP

3шт.

4

01643-31232

WASHER

SN: 1001-UP

3шт.

5

07235-50422

ELBOW

SN: 1001-UP

2шт.

6

07042-20108

PLUG

SN: 1001-UP

2шт.

7

07002-12034

O-RING

SN: 1001-UP

2шт.

8

23D-60-15710

TUBE

SN: 1001-UP

1шт.

9

23D-60-15720

TUBE

SN: 1001-UP

1шт.

10

07235-10315

ELBOW

SN: 1001-UP

2шт.

11

07002-12034

O-RING

SN: 1001-UP

2шт.

12

230-09-03055

HOSE

SN: 1001-UP

2шт.

13

23D-60-15260

TUBE

SN: 1001-UP

1шт.

14

07235-50422

ELBOW

SN: 1001-UP

1шт.

15

07235-50315

ELBOW

SN: 1001-UP

1шт.

16

07042-20108

PLUG

SN: 1001-UP

2шт.

17

07002-12034

O-RING

SN: 1001-UP

2шт.

18

232-60-69160

CLIP

SN: 1001-UP

2шт.

19

232-60-69170

CLIP

SN: 1001-UP

2шт.

20

01010-51035

BOLT

SN: 1001-UP

2шт.

21

01643-31032

WASHER

SN: 1001-UP

2шт.

Выбрано товаров: 21