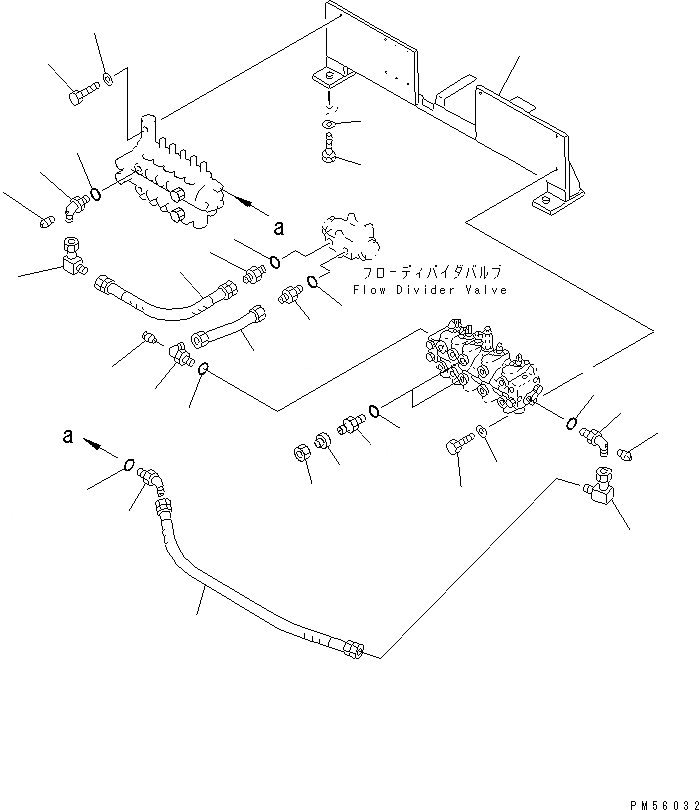
Запчасти Komatsu GD405A-2S ГИДРОЛИНИЯ (КЛАПАН ДЕЛИТЕЛЯ ПОТОКА - УПРАВЛЯЮЩ. КЛАПАН)(С НАКЛОНЯЕМ.)(№-) ГИДРАВЛИКА

Схема запчастей Komatsu GD405A-2S - ГИДРОЛИНИЯ (КЛАПАН ДЕЛИТЕЛЯ ПОТОКА - УПРАВЛЯЮЩ. КЛАПАН)      (С НАКЛОНЯЕМ.)(№-) ГИДРАВЛИКА
1
1
2
2
3
4
5
6
6
7
7
8
8
9
9
10
10
11
12
13
14
15
16
17
18
19
20
21
22
23
24
FIT
1:1
100%

Артикул

Название

Примечание

Количество

1

23B-60-14410

NIPPLE

SN: 4501-UP

2шт.

2

238-40-16140

O-RING

SN: 4001-UP

2шт.

3

23D-60-16550

TUBE

SN: 4501-UP

1шт.

4

07108-20506

HOSE

SN: 4501-UP

1шт.

5

234-60-32530

ELBOW

SN: 4501-UP

1шт.

6

23B-60-14430

ELBOW

SN: 4501-UP

2шт.

7

07042-50108

PLUG

SN: 4001-UP

2шт.

8

07000-12018

O-RING

SN: 4501-UP

2шт.

9

01010-50830

BOLT

SN: 4001-UP

6шт.

10

01643-30823

WASHER

SN: 4001-UP

6шт.

11

23D-60-16590

BRACKET

SN: 4501-UP

1шт.

12

01010-51030

BOLT

SN: 4501-UP

4шт.

13

01643-31032

WASHER

SN: 4501-UP

4шт.

14

23B-60-14430

ELBOW

SN: 4501-UP

1шт.

15

07042-50108

PLUG

SN: 4501-UP

1шт.

16

07000-12018

O-RING

SN: 4501-UP

1шт.

17

234-60-32530

ELBOW

SN: 4501-UP

1шт.

18

07108-20506

HOSE

SN: 4501-UP

1шт.

19

235-60-15440

ELBOW

SN: 4501-UP

1шт.

20

07000-12018

O-RING

SN: 4501-UP

1шт.

21

237-60-23120

NIPPLE

SN: 4501-UP

4шт.

22

07000-12018

O-RING

SN: 4501-UP

4шт.

23

07222-00414

PLUG

SN: 4501-UP

4шт.

24

07221-20422

NUT

SN: 4501-UP

4шт.

Выбрано товаров: 24