Запчасти Komatsu GD405A-3 КОРПУС СДВОЕННОГО ПРИВОДА СИЛОВАЯ ПЕРЕДАЧА

Схема запчастей Komatsu GD405A-3 - КОРПУС СДВОЕННОГО ПРИВОДА СИЛОВАЯ ПЕРЕДАЧА
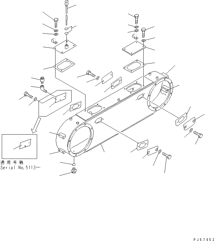
1
2
2
2
2
3
4
5
6
7
8
9
9
10
10
10
11
11
11
12
12
13
14
14
15
16
17
17
18
18
18
18
19
19
19
19
20
20
20
20
FIT
1:1
100%

Артикул

Название

Примечание

Количество

|1

23D-23-00052

TANDEM DRIVE ASS'Y,L.H.

SN: 5155-UP

1шт.

|1

0

TANDEM DRIVE ASS'Y,L.H.

SN: 5113-5154

1шт.

|1

0

TANDEM DRIVE ASS'Y,L.H.

SN: 5001-5112

1шт.

|1

23D-23-00062

TANDEM DRIVE ASS'Y,R.H.

SN: 5155-UP

1шт.

|1

0

TANDEM DRIVE ASS'Y,R.H.

SN: 5113-5154

1шт.

|1

0

TANDEM DRIVE ASS'Y,R.H.

SN: 5001-5112

1шт.

|$$7

THESE ASSEMBLIES CONSIST OF ALL PARTS SHOWN IN FIGS.2651 AND 2653.

-1шт.

|1

23D-23-31110

CASE ASS'Y,(MODIFIED PART)

SN: 5001-UP

1шт.

1

23E-23-31110

CASE

SN: 5001-UP

1шт.

2

23D-23-31170

SEAT (WELDED)

SN: 5318-UP

4шт.

|2

0

SEAT (WELDED)

SN: 5001-5317

4шт.

3

07044-12412

PLUG

SN: 5001-UP

1шт.

4

07002-12434

O-RING (KIT)

SN: 5001-UP

1шт.

5

23D-23-11161

COVER

SN: 5001-UP

1шт.

6

23D-23-11170

GAUGE

SN: 5001-UP

1шт.

7

07002-02434

O-RING (KIT)

SN: 5001-UP

2шт.

8

23D-23-11140

COVER

SN: 5001-UP

1шт.

9

23D-23-11151

GASKET (KIT)

SN: 5001-UP

2шт.

10

01010-81230

BOLT

SN: 5001-UP

8шт.

11

01643-31232

WASHER

SN: 5001-UP

8шт.

12

01641-21223

WASHER

SN: 5001-UP

2шт.

13

238-23-11130

COVER

SN: 5001-UP

1шт.

14

23D-23-31131

COVER

SN: 5113-UP

1шт.

|14

0

COVER

SN: 5001-5112

1шт.

15

07323-30100

ELBOW

SN: 5001-UP

1шт.

16

07030-01030

BREATHER

SN: 5001-UP

1шт.

17

237-23-11610

COVER

SN: 5001-UP

2шт.

18

237-23-11621

GASKET (KIT)

SN: 5001-UP

4шт.

19

01010-81230

BOLT

SN: 5001-UP

8шт.

20

01643-31232

WASHER

SN: 5001-UP

8шт.

|$$31

SERVICE KIT

-1шт.

KIT

23E-23-05012

SERVICE KIT,TANDEM DRIVE

SN: 5001-UP

2шт.

Выбрано товаров: 0