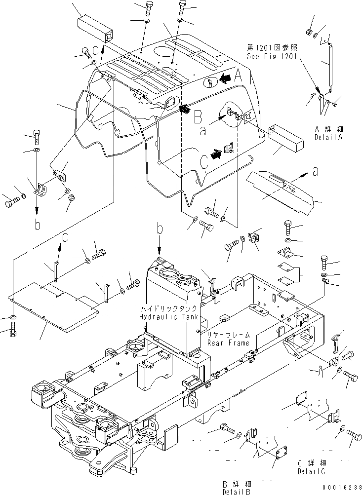
Запчасти Komatsu GD405A-3 КАПОТ (НИЗ. NOISE СПЕЦ-Я)(№-) РАМА И ЧАСТИ КОРПУСА

Схема запчастей Komatsu GD405A-3 - КАПОТ (НИЗ. NOISE СПЕЦ-Я)(№-) РАМА И ЧАСТИ КОРПУСА
1
1
1
2
3
3
4
4
5
5
6
7
8
9
10
11
12
13
14
15
16
17
18
19
20
21
21
22
23
24
25
26
27
28
28
29
30
31
31
32
32
33
34
35
36
36
37
38
39
40
41
42
43
44
45
46
47
47
47
47
48
48
48
48
49
FIT
1:1
100%

Артикул

Название

Примечание

Количество

1

23D-54-32132

HOOD

SN: 5001-@

1шт.

2

23D-54-32520

SEAL

SN: 5001-@

1шт.

3

23D-54-32510

BRACKET

SN: 5001-@

2шт.

4

01010-81020

BOLT

SN: 5001-@

8шт.

5

01643-31032

WASHER

SN: 5001-@

8шт.

6

23D-54-32151

STRIKER

SN: 5001-@

1шт.

7

01010-81025

BOLT

SN: 5001-@

2шт.

8

01643-31032

WASHER

SN: 5001-@

2шт.

9

23D-54-32860

SHIM¤ 1.0MM

SN: 5001-@

5шт.

|9

23D-54-32850

SHIM¤ 4.5MM

SN: 5001-@

1шт.

10

23D-54-32751

COVER

SN: 5001-@

1шт.

11

20U-54-21321

LOCK ASS'Y

SN: 5001-@

1шт.

12

01010-81020

BOLT

SN: 5001-@

2шт.

13

01643-31032

WASHER

SN: 5001-@

2шт.

14

23D-54-32560

BRACKET

SN: 5051-5066

2шт.

|14

23D-54-32711

BRACKET

SN: 5001-5050

2шт.

15

23D-54-32721

BRACKET

SN: 5001-5066

2шт.

16

01010-81025

BOLT

SN: 5001-5066

4шт.

17

01643-31032

WASHER

SN: 5001-5066

4шт.

18

01010-81020

BOLT

SN: 5001-@

4шт.

19

01643-31032

WASHER

SN: 5001-@

4шт.

20

01010-81025

BOLT

SN: 5001-@

4шт.

21

01643-31032

WASHER

SN: 5001-5066

8шт.

22

01580-11008

NUT,GAS

SN: 5001-5066

4шт.

23

23D-54-32300

SPRING

SN: 5001-@

2шт.

24

04205-10828

PIN,SNAP

SN: 5001-@

2шт.

25

04052-10833

PIN

SN: 5001-@

2шт.

26

01580-10806

NUT

SN: 5001-@

2шт.

27

01643-30823

WASHER

SN: 5001-@

2шт.

28

23D-54-33320

BRACKET

SN: 5001-@

2шт.

29

23D-54-33390

BRACKET

SN: .-@

1шт.

|29

23D-54-33330

BRACKET

SN: 5001-.

1шт.

30

23D-54-33310

PLATE

SN: 5001-@

1шт.

31

01010-80820

BOLT

SN: 5001-@

8шт.

32

01643-30823

WASHER

SN: 5001-@

8шт.

33

23D-54-33340

BRACKET

SN: 5001-@

2шт.

34

01010-80820

BOLT

SN: 5001-@

4шт.

35

01643-30823

WASHER

SN: 5001-@

4шт.

36

09450-10000

CATCH

SN: 5001-@

2шт.

37

09450-00002

PIN

SN: 5001-@

2шт.

38

04050-11610

PIN,COTTER

SN: 5001-@

2шт.

39

01010-81016

BOLT

SN: 5001-@

1шт.

40

01643-31032

WASHER

SN: 5001-@

1шт.

41

23D-54-32220

GUIDE

SN: 5001-@

2шт.

42

01010-81020

BOLT

SN: 5001-@

2шт.

43

01643-31032

WASHER

SN: 5001-@

2шт.

44

23D-54-33441

PLATE

SN: 5001-@

1шт.

45

23D-54-33460

BRACKET

SN: 5001-@

2шт.

46

23D-54-33470

BRACKET

SN: 5001-@

2шт.

47

01010-81020

BOLT

SN: 5001-@

12шт.

48

01643-31032

WASHER

SN: 5001-@

12шт.

49

01571-01016

SEAT (WELDED)

SN: 5001-@

4шт.

Выбрано товаров: 52