Запчасти Komatsu GD405A-3S УПРАВЛЯЮЩ. КЛАПАН (5-СЕКЦИОНН.) (/) (ЛЕВ.) (С ЗУБЧ. МУФТОЙ ЦИРКУЛ. РЕВЕРСА) ГИДРАВЛИКА

Схема запчастей Komatsu GD405A-3S - УПРАВЛЯЮЩ. КЛАПАН (5-СЕКЦИОНН.) (/) (ЛЕВ.) (С ЗУБЧ. МУФТОЙ ЦИРКУЛ. РЕВЕРСА) ГИДРАВЛИКА
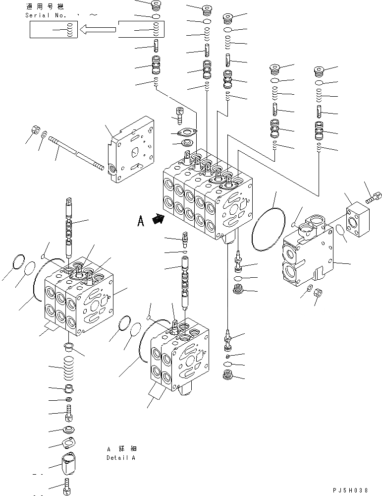
1
2
2
2
3
4
5
5
5
6
7
7
8
8
9
9
10
11
12
12
13
13
14
15
16
17
18
19
20
21
22
22
23
24
25
26
26
27
27
28
29
30
31
32
33
34
34
34
34
34
35
36
36
36
36
37
37
37
37
37
38
38
38
39
39
40
41
41
41
41
41
41
41
42
42
42
42
42
42
42
FIT
1:1
100%

Артикул

Название

Примечание

Количество

|1

723-15-11602

CONTROL VALVE

SN: 4710-UP

1шт.

|1

0

CONTROL VALVE

SN: .-4709

1шт.

|1

723-15-11600

CONTROL VALVE

SN: 4701-.

1шт.

|$$4

THESE ASSEMBLIES CONSIST OF ALL PARTS SHOWN IN FIGS.6205 TO 6207.

-1шт.

1

0

BODY

SN: 4701-UP

1шт.

2

0

BLOCK

SN: 4701-UP

5шт.

3

0

COVER

SN: 4701-UP

1шт.

4

723-11-18420

BLOCK

SN: 4701-UP

1шт.

5

07000-12100

O-RING

SN: 4701-UP

6шт.

6

07000-11008

O-RING

SN: 4701-UP

1шт.

7

723-11-19110

O-RING

SN: 4701-UP

5шт.

8

723-11-19150

RING

SN: 4701-UP

5шт.

9

07000-11007

O-RING

SN: 4701-UP

5шт.

10

723-11-18430

O-RING

SN: 4701-UP

1шт.

11

709-35-11510

STUD

SN: 4701-UP

4шт.

12

01580-10806

NUT

SN: 4701-UP

8шт.

13

01643-50823

WASHER

SN: 4701-UP

8шт.

14

01252-60830

BOLT

SN: 4701-UP

4шт.

15

0

SPOOL

SN: 4701-UP

1шт.

16

0

SPOOL

SN: 4701-UP

1шт.

17

0

SPOOL

SN: 4701-UP

1шт.

18

0

SPOOL

SN: 4701-UP

1шт.

19

0

SPOOL

SN: 4701-UP

1шт.

20

723-11-17110

PLUG

SN: 4701-UP

2шт.

21

07002-10823

O-RING

SN: 4701-UP

2шт.

22

723-11-17280

RETAINER

SN: 4701-UP

10шт.

23

723-11-17810

SPRING

SN: 4701-UP

5шт.

24

723-11-17150

WASHER

SN: 4701-UP

5шт.

25

01252-60610

BOLT

SN: 4701-UP

5шт.

26

723-11-17130

PLATE

SN: 4701-UP

10шт.

27

709-32-11530

SEAL

SN: 4701-UP

10шт.

28

723-11-17930

CASE,SPRING

SN: 4701-UP

5шт.

29

01252-60640

BOLT

SN: 4701-UP

10шт.

30

01252-60610

BOLT

SN: 4701-UP

10шт.

31

0

VALVE

SN: 4701-UP

4шт.

32

0

VALVE

SN: 4701-UP

1шт.

33

0

ORIFICE

SN: 4701-UP

1шт.

34

723-11-15130

SPRING

SN: 4701-UP

5шт.

35

0

VALVE

SN: 4710-UP

2шт.

|35

0

VALVE

SN: 4701-4709

2шт.

36

0

VALVE

SN: 4710-UP

3шт.

|36

0

VALVE

SN: 4701-4709

3шт.

37

0

PISTON

SN: 4710-UP

5шт.

|37

0

PISTON

SN: 4701-4709

5шт.

38

723-11-16130

SPRING

SN: 4701-UP

3шт.

39

723-11-26350

SPRING

SN: .-UP

1шт.

|39

723-11-26350

SPRING

SN: 4701-.

2шт.

40

723-11-26420

SPRING

SN: .-UP

1шт.

41

723-11-15110

PLUG

SN: 4701-UP

10шт.

42

07002-11623

O-RING

SN: 4701-UP

10шт.

Выбрано товаров: 50