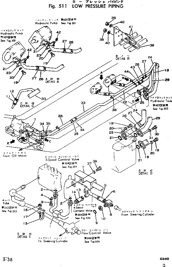
Запчасти Komatsu GD40HT-2 НИЗ. PRESSURE ТРУБЫ РАБОЧЕЕ ОБОРУДОВАНИЕ И ITS СИСТЕМА УПРАВЛЕНИЯ

Схема запчастей Komatsu GD40HT-2 - НИЗ. PRESSURE ТРУБЫ РАБОЧЕЕ ОБОРУДОВАНИЕ И ITS СИСТЕМА УПРАВЛЕНИЯ
FIT
1:1
100%

Артикул

Название

Примечание

Количество

1

234-60-21171

TUBE

SN: 1127-UP

1шт.

|1

234-60-21170

TUBE

SN: 1002-1126

1шт.

|1

234-979-6550

TUBE,(FOR FRONT BLADE)

SN: 1788-UP

1шт.

2

07000-13040

O-RING (KIT)

SN: 1002-UP

2шт.

3

01010-31040

BOLT

SN: 1002-UP

4шт.

4

01602-01030

WASHER

SN: 1002-UP

4шт.

5

07260-22609

HOSE

SN: 1403-UP

1шт.

|5

07260-02609

HOSE

SN: 1002-1402

1шт.

6

07281-00419

CLAMP

SN: 1403-UP

2шт.

|6

07280-04126

CLAMP

SN: 1002-1402

1шт.

7

234-60-21181

TUBE

SN: 1002-UP

1шт.

8

234-60-15270

TUBE

SN: 1002-UP

1шт.

9

07002-12434

O-RING (KIT)

SN: 1002-UP

1шт.

10

07239-12410

NUT

SN: 1036-UP

1шт.

|10

07239-02410

NUT

SN: 1002-1035

1шт.

11

07260-21407

HOSE

SN: 1523-UP

1шт.

|11

07260-01413

HOSE

SN: 1010-1522

1шт.

|11

07260-01428

HOSE

SN: 1002-1009

1шт.

12

07281-00289

CLAMP

SN: 1523-UP

4шт.

|12

07280-02523

CLAMP

SN: 1002-1522

4шт.

13

07260-22609

HOSE

SN: 1403-UP

1шт.

|13

07260-02609

HOSE

SN: 1002-1402

1шт.

14

07281-00419

CLAMP

SN: 1403-UP

2шт.

|14

07280-04126

CLAMP

SN: 1002-1402

1шт.

15

07283-02738

CLIP

SN: 1002-UP

1шт.

16

01599-01011

NUT

SN: 1002-UP

2шт.

17

01643-21032

WASHER

SN: 1002-UP

2шт.

18

234-60-15341

TUBE

SN: 1523-UP

1шт.

|18

234-60-15340

TUBE

SN: 1002-1522

1шт.

19

01010-31035

BOLT

SN: 1002-UP

12шт.

20

01602-01030

WASHER

SN: 1002-UP

12шт.

21

07000-13042

O-RING (KIT)

SN: 1002-UP

4шт.

22

234-60-15351

TUBE

SN: 1523-UP

1шт.

|22

234-60-15350

TUBE

SN: 1002-1522

1шт.

23

234-60-15360

TUBE

SN: 1002-UP

2шт.

24

234-60-15391

TUBE

SN: 1523-UP

1шт.

|24

234-60-15390

TUBE

SN: 1002-1522

1шт.

25

234-60-15380

TUBE

SN: 1002-UP

1шт.

26

07260-23210

HOSE

SN: 1403-UP

4шт.

|26

07260-03216

HOSE

SN: 1002-1402

4шт.

27

07281-00489

CLAMP

SN: 1403-UP

8шт.

|27

07280-05026

CLAMP

SN: 1002-1402

8шт.

28

234-60-21211

TUBE

SN: 1002-UP

1шт.

|28

234-902-7670

TUBE,(FOR ORBIT MOTOR)

SN: 1151-UP

1шт.

29

234-60-15312

TUBE

SN: 1523-UP

1шт.

|29

234-60-15311

TUBE

SN: 1002-1522

1шт.

30

01010-31035

BOLT

SN: 1002-UP

2шт.

31

01602-01030

WASHER

SN: 1002-UP

2шт.

32

07000-13045

O-RING (KIT)

SN: 1002-UP

1шт.

33

234-60-15321

TUBE

SN: 1523-UP

1шт.

|33

234-60-15320

TUBE

SN: 1002-1522

1шт.

34

07260-24113

HOSE

SN: 1403-UP

2шт.

|34

07260-04113

HOSE

SN: 1127-1402

2шт.

|34

07260-04111

HOSE

SN: 1002-1126

2шт.

35

07281-00609

CLAMP

SN: 1403-UP

4шт.

|35

07280-05729

CLAMP

SN: 1002-1402

4шт.

36

01010-30822

BOLT

SN: 1036-UP

3шт.

|36

01000-30822

BOLT

SN: 1002-1035

3шт.

37

01602-00825

WASHER

SN: 1002-UP

3шт.

38

07283-04346

CLIP

SN: 1002-UP

3шт.

39

01599-01011

NUT

SN: 1002-UP

10шт.

40

01643-21032

WASHER

SN: 1002-UP

10шт.

41

07283-03442

CLIP

SN: 1002-UP

2шт.

42

07042-20108

PLUG

SN: 1002-UP

2шт.

43

07260-24111

HOSE

SN: 1403-UP

1шт.

|43

07260-04118

HOSE

SN: 1002-1402

1шт.

44

07281-00609

CLAMP

SN: 1403-UP

2шт.

|44

07280-05729

CLAMP

SN: 1002-1402

2шт.

Выбрано товаров: 68