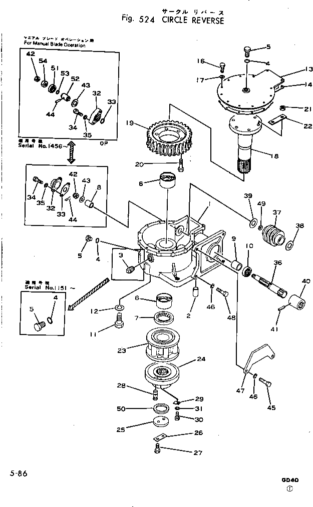
Запчасти Komatsu GD40HT-2 КОЛЬЦЕВ.РЕВЕРС РАБОЧЕЕ ОБОРУДОВАНИЕ И ITS СИСТЕМА УПРАВЛЕНИЯ

Схема запчастей Komatsu GD40HT-2 - КОЛЬЦЕВ.РЕВЕРС РАБОЧЕЕ ОБОРУДОВАНИЕ И ITS СИСТЕМА УПРАВЛЕНИЯ
FIT
1:1
100%

Артикул

Название

Примечание

Количество

|1

234-71-00042

CASE ASS'Y

SN: 1151-UP

1шт.

|1

234-71-00041

GEAR CASE ASS'Y

SN: 1036-1150

1шт.

|1

234-71-00040

GEAR CASE ASS'Y

SN: 1002-1035

1шт.

|1

234-871-0010

GEAR CASE ASS'Y,(FOR MANUAL BLADE OPERATION)

SN: 1456-UP

1шт.

1

234-71-13113

CASE

SN: 1151-UP

1шт.

|1

234-71-13112

CASE

SN: 1036-1150

1шт.

|1

234-71-13111

CASE

SN: 1002-1035

1шт.

|1

234-871-1350

CASE,(FOR MANUAL BLADE OPERATION)

SN: 1456-UP

1шт.

2

232-71-13150

PIN

SN: 1002-UP

2шт.

3

07042-00415

PLUG

SN: 1002-1035

1шт.

4

07002-11823

O-RING (KIT)

SN: .-UP

2шт.

|4

0

O-RING (KIT)

SN: 1151-.

2шт.

|4

0

O-RING (KIT)

SN: 1036-1150

3шт.

|4

0

O-RING (KIT)

SN: 1002-1035

1шт.

5

07040-11812

PLUG

SN: 1151-UP

2шт.

|5

07040-01812

PLUG

SN: 1036-1150

3шт.

|5

07040-01812

PLUG

SN: 1002-1035

1шт.

6

234-71-13190

BUSHING

SN: 1002-UP

2шт.

7

07012-00062

SEAL (KIT)

SN: 1002-UP

1шт.

8

232-71-13140

BUSHING

SN: 1002-UP

1шт.

9

232-71-13280

BUSHING

SN: 1002-UP

1шт.

10

07011-00028

SEAL (KIT)

SN: 1002-UP

1шт.

11

01010-32250

BOLT

SN: 1002-UP

7шт.

12

01602-02268

WASHER

SN: 1002-UP

7шт.

13

234-71-13122

COVER

SN: 1036-UP

1шт.

|13

234-71-13121

COVER

SN: 1002-1035

1шт.

14

234-71-13131

GASKET (KIT)

SN: 1002-UP

1шт.

15

07042-00415

PLUG

SN: 1002-1035

1шт.

16

01010-30820

BOLT

SN: 1036-UP

13шт.

|16

01000-30820

BOLT

SN: 1002-1035

13шт.

17

01602-00825

WASHER

SN: 1002-UP

13шт.

18

234-71-13182

SHAFT

SN: 1151-UP

1шт.

|18

234-71-13181

SHAFT

SN: 1002-1150

1шт.

19

232-70-54140

GEAR

SN: .-UP

1шт.

|19

0

GEAR

SN: 1036-.

1шт.

|19

234-71-13160

GEAR

SN: 1002-1035

1шт.

20

01090-31455

BOLT

SN: 1036-UP

6шт.

|20

01080-01455

BOLT

SN: 1002-1035

6шт.

21

01580-01411

NUT

SN: 1036-UP

6шт.

|21

01500-31411

NUT

SN: 1002-1035

6шт.

22

234-71-13170

PLATE

SN: 1002-UP

3шт.

23

234-71-13223

GEAR

SN: 1451-UP

1шт.

|23

0

GEAR

SN: 1002-1450

1шт.

|23

0

GEAR

SN: (1002-1150)

1шт.

24

234-71-13242

JOINT

SN: 1151-UP

1шт.

|24

234-71-13241

JOINT

SN: 1036-1150

1шт.

|24

234-71-13240

SPROCKET

SN: 1002-1035

1шт.

25

04080-06012

HOLDER

SN: 1002-UP

1шт.

26

04081-06012

LOCK

SN: 1002-UP

1шт.

27

01010-31230

BOLT

SN: 1002-UP

2шт.

28

234-71-13253

PIN

SN: .-UP

1шт.

|28

0

PIN

SN: .-UP

1шт.

|28

0

PIN

SN: 1036-.

1шт.

|28

0

PIN

SN: 1002-1035

1шт.

29

232-71-13531

PLATE

SN: 1036-UP

1шт.

|29

232-71-13530

PLATE

SN: 1002-1035

1шт.

30

01010-30820

BOLT

SN: 1036-UP

1шт.

|30

01000-30816

BOLT

SN: 1002-1035

1шт.

31

01602-00825

WASHER

SN: 1002-UP

1шт.

32

232-71-13220

CAP

SN: 1002-UP

1шт.

|32

234-871-1320

HOUSING,(FOR MANUAL BLADE OPERATION)

SN: 1456-UP

1шт.

33

232-71-13230

GASKET (KIT)

SN: 1002-UP

1шт.

|33

07000-03032

O-RING,(FOR MANUAL BLADE OPERATION) (KIT)

SN: 1456-UP

1шт.

34

01010-30820

BOLT

SN: 1036-UP

2шт.

|34

01000-30820

BOLT

SN: 1002-1035

2шт.

|34

01010-30840

BOLT,(FOR MANUAL BLADE OPERATION)

SN: 1456-UP

2шт.

35

01602-00825

WASHER

SN: 1002-UP

2шт.

36

234-71-13151

SHAFT

SN: 1036-UP

1шт.

|36

234-71-13150

SHAFT

SN: 1002-1035

1шт.

|36

234-871-1310

SHAFT,(FOR MANUAL BLADE OPERATION)

SN: 1456-UP

1шт.

37

232-70-54130

GEAR

SN: .-UP

1шт.

|37

0

GEAR

SN: 1036-.

1шт.

|37

232-71-13420

GEAR

SN: 1002-1035

1шт.

38

232-71-13431

WASHER

SN: 1646-UP

1шт.

|38

0

WASHER

SN: 1002-1645

1шт.

39

232-71-13441

WASHER

SN: 1646-UP

1шт.

|39

0

WASHER

SN: 1002-1645

1шт.

40

234-71-13141

COUPLING

SN: 1151-UP

1шт.

|40

234-71-13140

COUPLING

SN: 1002-1150

1шт.

41

234-71-13280

PIN

SN: 1151-UP

1шт.

|41

04025-00424

PIN

SN: 1002-1150

1шт.

42

01593-01613

NUT

SN: 1036-UP

1шт.

|42

01511-31612

NUT

SN: 1002-1035

1шт.

|42

01582-01411

NUT,(FOR MANUAL BLADE OPERATION)

SN: 1456-UP

1шт.

43

01640-21626

WASHER

SN: 1002-UP

1шт.

|43

01643-31645

WASHER,(FOR MANUAL BLADE OPERATION)

SN: 1456-UP

1шт.

44

04050-04025

PIN

SN: 1002-UP

1шт.

|44

04025-00424

PIN,(FOR MANUAL BLADE OPERATION)

SN: 1456-UP

1шт.

45

01010-31250

BOLT

SN: 1022-UP

2шт.

|45

01010-31250

BOLT

SN: 1002-1021

4шт.

46

01602-01236

WASHER

SN: 1002-UP

4шт.

47

234-71-13260

PLATE

SN: 1022-UP

1шт.

48

01010-31240

BOLT

SN: 1022-UP

2шт.

49

234-71-13270

COLLAR

SN: 1036-UP

1шт.

50

234-71-13310

SPACER

SN: 1151-UP

1шт.

51

07012-00025

SEAL,(FOR MANUAL BLADE OPERATION) (KIT)

SN: 1456-UP

1шт.

52

234-871-1330

SLEEVE,(FOR MANUAL BLADE OPERATION)

SN: 1456-UP

1шт.

53

07000-12016

O-RING,(FOR MANUAL BLADE OPERATION) (KIT)

SN: 1456-UP

1шт.

54

234-871-1340

NUT,(FOR MANUAL BLADE OPERATION)

SN: 1456-UP

1шт.

Выбрано товаров: 99