Запчасти Komatsu GD40HT-2 .KW ГЕНЕРАТОР(№-) ОПЦИОННЫЕ КОМПОНЕНТЫ

Схема запчастей Komatsu GD40HT-2 - .KW ГЕНЕРАТОР(№-) ОПЦИОННЫЕ КОМПОНЕНТЫ
FIT
1:1
100%

Артикул

Название

Примечание

Количество

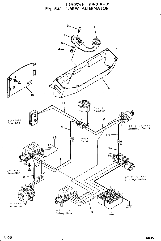
1

281-06-15490

AMMETER

SN: 1150-UP

1шт.

2

281-06-15480

CONVERTER

SN: 1150-UP

1шт.

3

01220-30516

SCREW

SN: 1150-UP

2шт.

4

01580-00504

NUT

SN: 1150-UP

2шт.

5

01602-00513

WASHER

SN: 1150-UP

2шт.

6

234-806-4180

HARNESS

SN: 1150-UP

1шт.

7

234-806-4110

CABLE

SN: 1150-UP

1шт.

8

234-806-4120

CABLE

SN: 1150-UP

1шт.

9

234-806-4130

CABLE

SN: 1150-UP

1шт.

10

234-806-4140

CABLE

SN: 1150-UP

1шт.

11

234-06-21430

CABLE

SN: 1150-UP

1шт.

12

234-06-21440

CABLE

SN: 1150-UP

1шт.

13

234-806-4170

CABLE

SN: 1150-UP

1шт.

14

234-806-4150

BOX

SN: 1150-UP

1шт.

15

234-806-3130

PLATE

SN: 1523-UP

1шт.

16

234-806-3120

HARNESS

SN: 1523-UP

1шт.

17

600-822-8710

REGULATOR ASS'Y

SN: 1150-UP

1шт.

18

600-824-8720

SAFETY RELAY A.

SN: 1150-UP

1шт.

Выбрано товаров: 18