Запчасти Komatsu GD40HT-2 MODIFIED SCARIFIER COVER(№-) ОПЦИОННЫЕ КОМПОНЕНТЫ

Схема запчастей Komatsu GD40HT-2 - MODIFIED SCARIFIER COVER(№-) ОПЦИОННЫЕ КОМПОНЕНТЫ
FIT
1:1
100%

Артикул

Название

Примечание

Количество

|1

234-977-0206

SCARIFIER ASS'Y

SN: 1930-UP

1шт.

|1

234-977-0205

SCARIFIER ASS'Y

SN: 1749-1929

1шт.

|1

234-977-0204

SCARIFIER ASS'Y

SN: 1518-1748

1шт.

|1

234-977-0203

SCARIFIER ASS'Y

SN: 1212-1216

1шт.

|1

234-977-0202

SCARIFIER ASS'Y

SN: 1101-1211

1шт.

|1

234-977-0201

SCARIFIER ASS'Y

SN: 1078-1100

1шт.

|1

234-977-0201

SCARIFIER ASS'Y

SN: 1057-1058

1шт.

|1

234-977-0200

SCARIFIER ASS'Y

SN: 1014-1056

1шт.

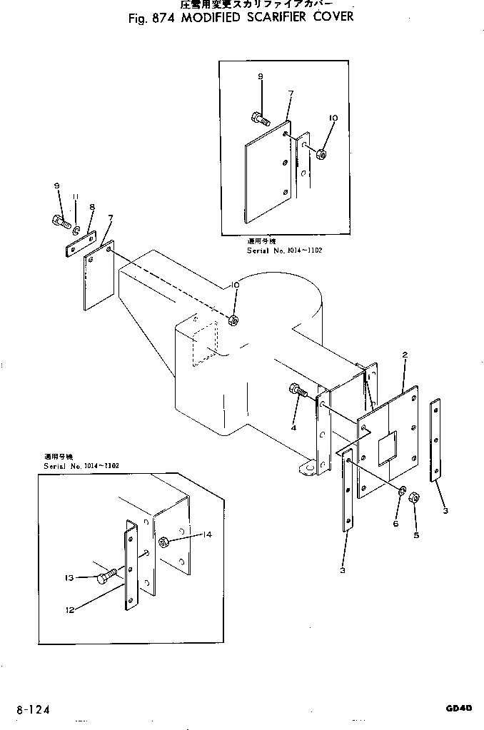
1

234-977-3341

PLATE

SN: 1212-UP

2шт.

|1

234-977-3340

PLATE

SN: 1014-1102

2шт.

2

234-977-3351

PLATE

SN: 1212-UP

2шт.

|2

234-977-3350

PLATE

SN: 1014-1102

2шт.

3

234-977-3321

PLATE

SN: 1212-UP

4шт.

|3

234-977-3320

PLATE

SN: 1014-1102

4шт.

4

01010-30616

BOLT

SN: 1212-UP

12шт.

|4

234-977-3370

BOLT

SN: 1014-1102

12шт.

5

01580-00605

NUT

SN: 1212-UP

12шт.

|5

01580-00430

NUT

SN: 1014-1102

12шт.

6

01602-00619

WASHER

SN: 1212-UP

12шт.

7

234-977-3361

PLATE

SN: 1212-UP

2шт.

|7

234-977-3360

PLATE

SN: 1014-1102

2шт.

8

234-977-3331

PLATE

SN: 1212-UP

2шт.

|8

234-977-3330

PLATE

SN: 1014-1102

2шт.

9

01010-30616

BOLT

SN: 1212-UP

4шт.

|9

234-977-3370

BOLT

SN: 1014-1102

6шт.

10

01580-00605

NUT

SN: 1212-UP

4шт.

|10

01580-00403

NUT

SN: 1014-1102

6шт.

11

01602-00619

WASHER

SN: 1212-UP

4шт.

12

234-977-3310

PLATE

SN: 1014-1102

4шт.

13

234-977-3380

BOLT

SN: 1014-1102

12шт.

14

01580-00430

NUT

SN: 1014-1102

12шт.

Выбрано товаров: 31