Запчасти Komatsu GD40HT-2 КОНТРОЛЬ КЛАПАН(№-) ОПЦИОННЫЕ КОМПОНЕНТЫ

Схема запчастей Komatsu GD40HT-2 - КОНТРОЛЬ КЛАПАН(№-) ОПЦИОННЫЕ КОМПОНЕНТЫ
FIT
1:1
100%

Артикул

Название

Примечание

Количество

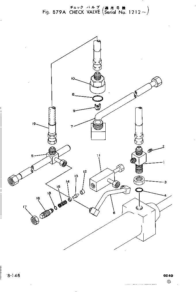
1

234-977-5111

JOINT

SN: 1212-UP

1шт.

2

07042-00108

PLUG

SN: 1212-UP

1шт.

3

07239-12410

NUT

SN: 1212-UP

1шт.

4

07002-12434

O-RING

SN: 1212-UP

1шт.

5

234-977-5190

TUBE

SN: 1212-UP

1шт.

6

07108-20310

HOSE

SN: 1212-UP

1шт.

7

234-977-5151

TUBE

SN: 1212-UP

1шт.

8

07002-13634

O-RING

SN: 1212-UP

1шт.

9

234-60-16450

VALVE

SN: 1212-UP

1шт.

10

234-977-5170

NIPPLE

SN: 1212-UP

1шт.

|11

234-977-5200

CHECK VALVE ASS'Y

SN: 1212-UP

1шт.

|11

234-977-0010

VALVE ASS'Y

SN: 1212-UP

1шт.

11

0

HOUSING

SN: 1212-UP

1шт.

12

0

BUSHING

SN: 1212-UP

1шт.

13

0

VALVE

SN: 1212-UP

1шт.

14

0

COLLAR

SN: 1212-UP

1шт.

15

234-60-16240

SPRING

SN: 1212-UP

1шт.

16

232-975-2620

SCREW

SN: 1212-UP

1шт.

17

01583-11811

NUT

SN: 1212-UP

1шт.

18

07000-12011

O-RING

SN: 1212-UP

1шт.

19

07108-20510

HOSE

SN: 1212-UP

1шт.

Выбрано товаров: 21