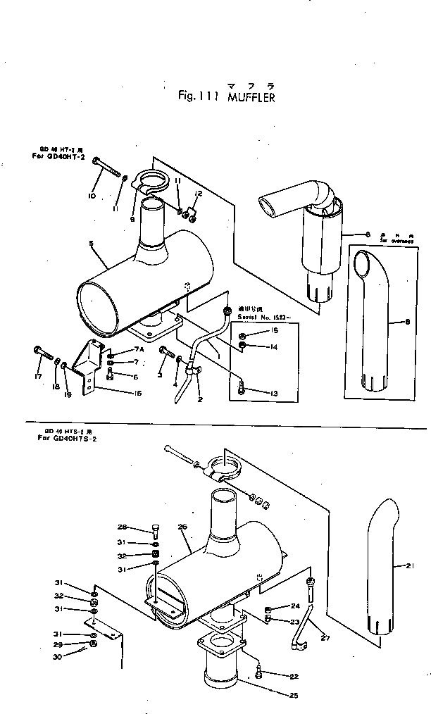
Запчасти Komatsu GD40HT-2 ГЛУШИТЕЛЬ(№-) КОМПОНЕНТЫ ДВИГАТЕЛЯ И ЭЛЕКТРИКА

Схема запчастей Komatsu GD40HT-2 - ГЛУШИТЕЛЬ(№-) КОМПОНЕНТЫ ДВИГАТЕЛЯ И ЭЛЕКТРИКА
FIT
1:1
100%

Артикул

Название

Примечание

Количество

|1

232-02-00021

MUFFLER ASS'Y,(FOR JAPAN)

SN: 1523-UP

1шт.

|1

0

MUFFLER ASS'Y,(FOR JAPAN)

SN: 1036-1522

1шт.

|1

234-902-0110

MUFFLER ASS'Y,(EXCEPT JAPAN)

SN: 1523-UP

1шт.

1

234-02-12120

TUBE

SN: 1036-UP

1шт.

2

234-02-12150

CLIP

SN: 1036-UP

1шт.

3

02010-20825

BOLT

SN: 1036-1522

1шт.

4

01602-21338

WASHER

SN: 1036-1522

1шт.

5

6678-11-5720

MUFFLER

SN: 1036-UP

1шт.

6

01050-31020

BOLT

SN: 1036-UP

2шт.

7

01602-01030

WASHER

SN: 1036-UP

2шт.

7A

01643-31032

WASHER

SN: 1036-UP

2шт.

8

234-02-12130

MUFFLER,(FOR JAPAN)

SN: 1036-UP

1шт.

|8

6679-11-5731

PIPE,(EXCEPT JAPAN)

SN: 1523-UP

1шт.

9

6620-11-5742

CLAMP

SN: 1036-UP

1шт.

10

01011-61415

BOLT

SN: 1036-UP

1шт.

11

01641-21423

WASHER

SN: 1036-UP

2шт.

12

01580-01411

NUT

SN: 1036-UP

2шт.

13

01050-61245

BOLT

SN: 1427-1522

4шт.

|13

01050-61250

BOLT

SN: 1036-1426

4шт.

14

01582-21210

NUT

SN: 1036-1426

4шт.

15

01583-21207

NUT

SN: 1036-1426

4шт.

16

6631-11-5721

BRACKET

SN: 1036-1426

1шт.

17

01010-31020

BOLT

SN: 1036-1426

2шт.

18

01602-01030

WASHER

SN: 1036-1426

2шт.

19

01642-21016

WASHER

SN: 1036-1426

2шт.

21

6679-11-5731

PIPE,(GD40HTS-2)

SN: 1078-UP

1шт.

22

01050-61250

BOLT,(GD40HTS-2)

SN: 1078-UP

1шт.

23

01582-21210

NUT,(GD40HTS-2)

SN: 1078-UP

4шт.

24

01583-21207

NUT,(GD40HTS-2)

SN: 1078-UP

4шт.

25

234-977-6250

CONNECTOR,(GD40HTS-2)

SN: 1078-UP

1шт.

26

234-977-6260

MUFFLER,(GD40HTS-2)

SN: 1078-UP

1шт.

27

234-977-6270

TUBE,(GD40HTS-2)

SN: 1078-UP

1шт.

28

01012-31050

BOLT,(GD40HTS-2)

SN: 1078-UP

4шт.

29

01590-01012

NUT,(GD40HTS-2)

SN: 1078-UP

4шт.

30

04050-02018

PIN,(GD40HTS-2)

SN: 1078-UP

4шт.

31

01642-21016

WASHER,(GD40HTS-2)

SN: 1078-UP

20шт.

32

232-801-3240

CUSHION,(GD40HTS-2)

SN: 1078-UP

40шт.

Выбрано товаров: 37