Запчасти Komatsu GD40HT-2 РУЛЕВ. УПРАВЛЕНИЕ ВАЛ СУППОРТ КОЛЕСА¤ РУЛЕВ. УПРАВЛЕНИЕ И СИСТЕМА УПРАВЛЕНИЯS

Схема запчастей Komatsu GD40HT-2 - РУЛЕВ. УПРАВЛЕНИЕ ВАЛ СУППОРТ КОЛЕСА¤ РУЛЕВ. УПРАВЛЕНИЕ И СИСТЕМА УПРАВЛЕНИЯS
FIT
1:1
100%

Артикул

Название

Примечание

Количество

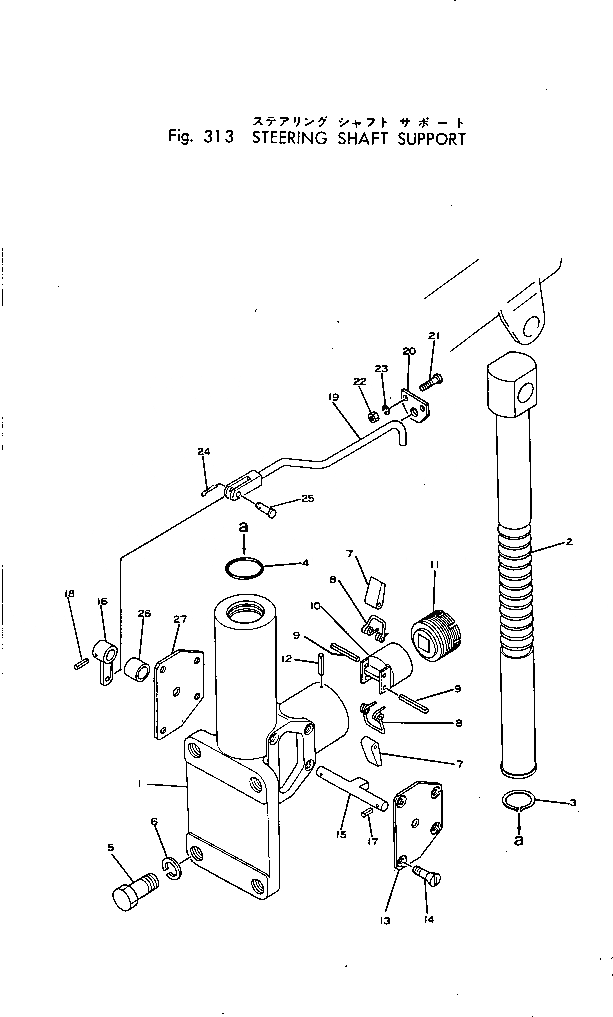
|1

234-40-00052

BRACKET ASS'Y

SN: 1909-UP

1шт.

|1

234-40-00051

BRACKET ASS'Y

SN: 1151-1908

1шт.

|1

234-40-00050

BRACKET ASS'Y

SN: 1002-1150

1шт.

1

234-40-11111

SUPPORT

SN: 1002-UP

1шт.

2

234-40-11121

SHAFT

SN: 1002-UP

1шт.

3

04064-03015

RING

SN: 1002-UP

1шт.

4

07000-03030

O-RING

SN: 1002-1150

1шт.

5

01010-31230

BOLT

SN: 1002-UP

4шт.

6

01602-01236

WASHER

SN: 1002-UP

4шт.

7

234-40-11130

CATCH

SN: 1002-UP

2шт.

8

234-40-11140

SPRING

SN: 1002-UP

2шт.

9

04025-00324

PIN

SN: 1002-UP

2шт.

10

234-40-11151

GUIDE

SN: 1002-UP

1шт.

11

234-40-11161

NUT

SN: 1002-UP

1шт.

12

04025-00316

PIN

SN: 1002-UP

2шт.

13

234-40-11250

COVER

SN: 1909-UP

1шт.

|13

234-40-11170

COVER

SN: 1002-1908

1шт.

14

01214-50612

SCREW

SN: 1002-UP

8шт.

15

234-40-11181

LEVER

SN: 1151-UP

1шт.

|15

234-40-11180

LEVER

SN: 1002-1150

1шт.

|15

234-806-8380

LEVER,(FOR FRONT BLADE)

SN: 1788-UP

1шт.

16

234-40-11190

LEVER

SN: 1002-UP

1шт.

17

04025-00316

PIN

SN: 1002-UP

1шт.

18

04025-00316

PIN

SN: 1002-UP

1шт.

19

234-40-11211

ROD

SN: 1151-UP

1шт.

|19

234-40-11210

ROD

SN: 1002-1150

1шт.

20

234-40-11221

PLATE

SN: 1151-UP

1шт.

|20

234-40-11220

PLATE

SN: 1002-1150

1шт.

21

01220-30412

SCREW

SN: 1036-UP

2шт.

|21

01220-20412

SCREW

SN: 1002-1035

2шт.

22

01580-00403

NUT

SN: 1036-UP

2шт.

|22

01500-30404

NUT

SN: 1002-1035

2шт.

23

01601-00410

WASHER

SN: 1002-UP

2шт.

24

04050-01208

PIN

SN: 1002-UP

1шт.

25

04205-00514

PIN

SN: 1002-UP

1шт.

26

234-40-11240

COLLAR

SN: 1151-UP

1шт.

|26

01643-30823

WASHER,(FOR FRONT BLADE)

SN: 1788-UP

1шт.

27

234-40-11170

COVER

SN: 1002-UP

1шт.

Выбрано товаров: 0