Запчасти Komatsu GD40HT-2 ПОПЕРЕЧНАЯ РУЛЕВ. ТЯГА(№-) КОЛЕСА¤ РУЛЕВ. УПРАВЛЕНИЕ И СИСТЕМА УПРАВЛЕНИЯS

Схема запчастей Komatsu GD40HT-2 - ПОПЕРЕЧНАЯ РУЛЕВ. ТЯГА(№-) КОЛЕСА¤ РУЛЕВ. УПРАВЛЕНИЕ И СИСТЕМА УПРАВЛЕНИЯS
FIT
1:1
100%

Артикул

Название

Примечание

Количество

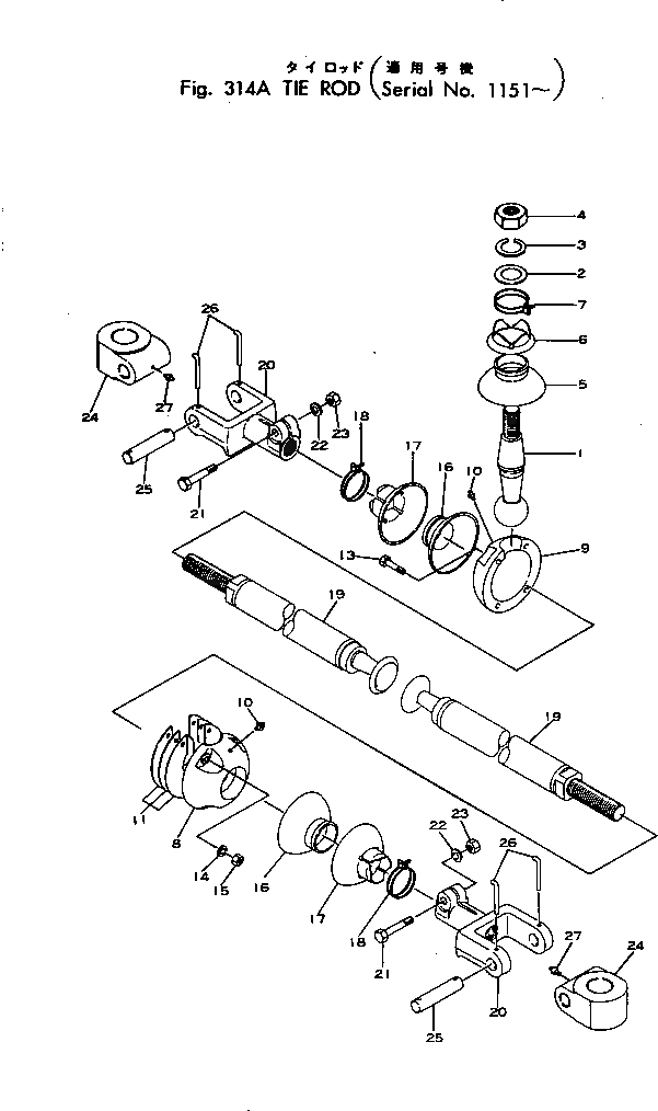
|1

234-40-00123

TIE ROD ASS'Y

SN: .-UP

1шт.

|1

0

TIE ROD ASS'Y

SN: 1151-.

1шт.

1

234-40-15212

STUD

SN: 1151-UP

1шт.

2

01643-33080

WASHER

SN: .-UP

1шт.

|2

0

WASHER

SN: 1002-.

1шт.

3

01601-03075

WASHER

SN: 1002-UP

1шт.

4

01580-03024

NUT

SN: 1002-UP

1шт.

5

234-40-15181

PACKING

SN: 1151-UP

1шт.

6

234-40-15270

COVER

SN: 1151-UP

1шт.

7

07281-00489

CLAMP

SN: .-UP

1шт.

|7

0

CLAMP

SN: 1151-.

1шт.

|8

232-40-00430

CAP ASS'Y

SN: .-UP

1шт.

|8

0

CAP ASS'Y

SN: 1151-.

1шт.

8

0

CAP

SN: 1151-UP

1шт.

9

0

CAP

SN: 1151-UP

1шт.

10

07020-00000

FITTING

SN: 1002-UP

1шт.

11

231-40-05020

SHIM ASS'Y

SN: 1151-UP

1шт.

|11

0

SHIM¤ 0.2MM

SN: 1151-UP

4шт.

|11

0

SHIM¤ 0.1MM

SN: 1151-UP

2шт.

13

01010-31040

BOLT

SN: 1151-UP

4шт.

14

01602-01030

WASHER

SN: 1151-UP

4шт.

15

01580-01008

NUT

SN: 1151-UP

4шт.

16

234-40-15182

PACKING

SN: 1002-UP

2шт.

17

234-40-15192

COVER

SN: 1002-UP

2шт.

18

07281-00489

CLAMP

SN: .-UP

2шт.

|18

0

CLAMP

SN: 1151-.

2шт.

19

232-40-15117

ROD

SN: 1669-UP

2шт.

|19

0

ROD

SN: 1241-1668

2шт.

|19

232-40-15115

ROD

SN: 1151-1240

2шт.

20

232-40-15181

YOKE

SN: 1002-UP

2шт.

21

01010-31260

BOLT

SN: 1002-UP

2шт.

22

01602-01236

WASHER

SN: 1002-UP

2шт.

23

01580-01210

NUT

SN: 1002-UP

2шт.

24

234-40-15251

JOINT

SN: 1036-UP

2шт.

25

232-40-15211

PIN

SN: 1151-UP

2шт.

26

232-40-15220

PIN

SN: 1151-UP

4шт.

27

07020-00900

FITTING

SN: 1002-UP

2шт.

Выбрано товаров: 0