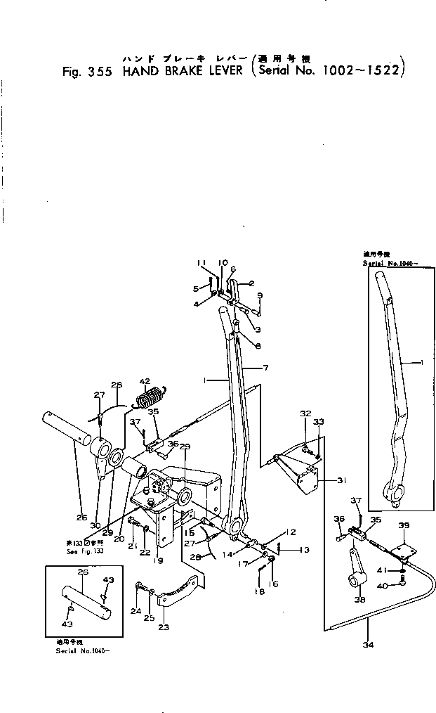
Запчасти Komatsu GD40HT-2 HAND ТОРМОЗ. РЫЧАГ(№-) КОЛЕСА¤ РУЛЕВ. УПРАВЛЕНИЕ И СИСТЕМА УПРАВЛЕНИЯS

Схема запчастей Komatsu GD40HT-2 - HAND ТОРМОЗ. РЫЧАГ(№-) КОЛЕСА¤ РУЛЕВ. УПРАВЛЕНИЕ И СИСТЕМА УПРАВЛЕНИЯS
FIT
1:1
100%

Артикул

Название

Примечание

Количество

1

234-43-16113

LEVER

SN: 1466-1522

1шт.

|1

234-43-16114

LEVER

SN: 1463-1465

1шт.

|1

234-43-16113

LEVER

SN: 1151-1462

1шт.

|1

234-43-16112

LEVER

SN: 1040-1150

1шт.

|1

234-43-16111

LEVER

SN: 1036-1039

1шт.

|1

234-43-16110

LEVER

SN: 1002-1035

1шт.

2

232-43-16120

HANDLE

SN: 1466-1522

1шт.

|2

234-43-16230

HANDLE

SN: 1463-1465

1шт.

|2

232-43-16120

HANDLE

SN: 1002-1462

1шт.

3

04205-00628

PIN

SN: 1002-1522

1шт.

4

01640-20610

WASHER

SN: 1002-1522

1шт.

5

04050-01610

PIN

SN: 1002-1522

1шт.

6

232-43-16130

SPRING

SN: 1002-@

1шт.

7

234-43-16121

ROD

SN: 1151-@

1шт.

|7

234-43-16120

ROD

SN: 1002-1150

1шт.

8

232-43-16151

JOINT

SN: 1036-@

1шт.

|8

232-43-16150

JOINT

SN: 1002-1035

1шт.

9

04205-00628

PIN

SN: 1002-@

1шт.

10

01640-20610

WASHER

SN: 1002-@

1шт.

11

04050-01610

PIN

SN: 1002-@

1шт.

12

01641-20508

WASHER

SN: 1002-@

1шт.

13

04050-01610

PIN

SN: 1002-@

1шт.

14

232-43-16161

STOPPER

SN: 1151-@

1шт.

|14

232-43-16160

STOPPER

SN: 1002-1150

1шт.

15

04205-11035

PIN

SN: 1151-@

1шт.

|15

232-43-16171

SHAFT

SN: 1036-1150

1шт.

|15

232-43-16170

SHAFT

SN: 1002-1035

1шт.

16

01590-10809

NUT

SN: 1036-@

1шт.

|16

01511-30808

NUT

SN: 1002-1035

1шт.

17

01641-21016

WASHER

SN: 1151-@

1шт.

|17

01640-20816

WASHER

SN: 1002-1150

1шт.

18

04050-03015

PIN

SN: 1151-@

1шт.

|18

04050-02015

PIN

SN: 1002-1150

1шт.

|19

232-43-00052

BRACKET ASS'Y

SN: 1151-@

1шт.

|19

232-43-00051

BRACKET ASS'Y

SN: 1036-1150

1шт.

|19

232-43-00050

BRACKET ASS'Y

SN: 1002-1035

1шт.

19

234-43-16182

BRACKET

SN: 1151-@

1шт.

|19

234-43-16181

BRACKET

SN: 1036-1150

1шт.

|19

234-43-16180

BRACKET

SN: 1002-1035

1шт.

20

232-43-16190

BUSHING

SN: 1002-@

1шт.

21

01010-51230

BOLT

SN: 1002-@

4шт.

22

01602-21236

WASHER

SN: 1002-@

4шт.

23

232-43-16211

RATCHET

SN: 1151-@

1шт.

|23

232-43-16210

RATCHET

SN: 1002-1150

1шт.

24

01010-51225

BOLT

SN: 1002-@

2шт.

25

01602-21236

WASHER

SN: 1002-@

2шт.

26

232-43-16222

SHAFT

SN: 1040-@

1шт.

|26

232-43-16221

SHAFT

SN: 1002-1039

1шт.

27

01306-10820

SCREW

SN: 1002-@

2шт.

28

04059-01020

WIRE

SN: 1002-@

2шт.

29

232-43-16230

WASHER

SN: 1002-@

2шт.

30

234-43-16131

LEVER

SN: 1040-1522

1шт.

|30

234-43-16130

LEVER

SN: 1002-1039

1шт.

31

234-43-16141

BRACKET

SN: 1151-1522

1шт.

|31

234-43-16140

BRACKET

SN: 1002-1150

1шт.

32

01010-51020

BOLT

SN: 1002-@

3шт.

33

01602-21030

WASHER

SN: 1002-@

3шт.

34

234-43-16151

CABLE

SN: 1036-@

1шт.

|34

234-43-16150

CABLE

SN: 1002-1035

1шт.

35

04211-01055

YOKE

SN: 1036-1522

2шт.

|35

234-43-16190

YOKE

SN: 1002-1035

2шт.

36

04205-01028

PIN

SN: 1002-1522

2шт.

37

04050-03015

PIN

SN: 1002-1522

2шт.

38

234-43-16160

LEVER

SN: 1002-1522

1шт.

39

234-43-16172

BRACKET

SN: 1151-1522

1шт.

|39

234-43-16171

BRACKET

SN: 1016-1150

1шт.

|39

234-43-16170

BRACKET

SN: 1002-1015

1шт.

40

01010-51025

BOLT

SN: 1002-@

3шт.

41

01602-21030

WASHER

SN: 1002-@

3шт.

42

230-43-14151

SPRING

SN: 1004-@

1шт.

43

04010-00738

KEY

SN: 1040-@

2шт.

Выбрано товаров: 71