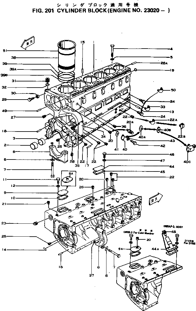
Запчасти Komatsu NH-220-CI-1Q БЛОК ЦИЛИНДРОВ БЛОК ЦИЛИНДРОВ

Схема запчастей Komatsu NH-220-CI-1Q - БЛОК ЦИЛИНДРОВ БЛОК ЦИЛИНДРОВ
FIT
1:1
100%

Артикул

Название

Примечание

Количество

|1

6678-20-1012

CYLINDER BLOCK ASS'Y

SN: 31628-UP

1шт.

|1

0

CYLINDER BLOCK ASS'Y

SN: 31520-31627

1шт.

|1

6678-20-1010

CYLINDER BLOCK ASS'Y

SN: 23020-31519

1шт.

|1

6693-20-1023

CYLINDER BLOCK A.

SN: 26818-UP

1шт.

|1

0

CYLINDER BLOCK A.

SN: 23020-26817

1шт.

1

0

BLOCK,CYLINDER

SN: 23020-UP

1шт.

|2

6610-21-1040

BUSHING ASS'Y,CAMSHAFT

SN: 23020-UP

1шт.

2

6610-21-1410

BUSHING,FRONT

SN: 23020-UP

1шт.

3

6610-21-1420

BUSHING

SN: 23020-UP

6шт.

4

6610-11-1611

BOLT,CYLINDER HEAD

SN: 23020-UP

18шт.

5

6610-11-1620

WASHER

SN: 23020-UP

18шт.

6

6610-21-1210

CAP,MAIN METAL¤ NO.1¤3¤5

SN: 23020-UP

3шт.

|6

0

CAP,MAIN METAL¤ NO.1¤3¤5

SN: 23020-UP

3шт.

|6

6610-21-1220

CAP,MAIN METAL¤ NO.2¤4¤6

SN: 23020-UP

3шт.

|6

0

CAP,MAIN METAL¤ NO.2¤4¤6

SN: 23020-UP

3шт.

|6

6610-21-1231

CAP,MAIN METAL¤ REAR

SN: 26818-UP

1шт.

|6

6610-21-1230

CAP,MAIN METAL¤ REAR

SN: 23020-26817

1шт.

|6

0

CAP,MAIN METAL¤ REAR

SN: 26818-UP

1шт.

|6

0

CAP,MAIN METAL¤ REAR

SN: 23020-26817

1шт.

7

6610-21-1710

BOLT,MAIN METAL CAP

SN: 23020-UP

14шт.

8

6610-21-1720

WASHER,LOCK

SN: 23020-UP

14шт.

9

6610-21-6710

COVER,WATER HEADER

SN: 23020-UP

1шт.

9A

6693-22-6710

COVER,WATER HEADER

SN: 23020-UP

1шт.

10

6610-21-6720

GASKET (K3)

SN: 23020-UP

2шт.

11

02010-20419

BOLT

SN: 23020-UP

12шт.

12

02310-10916

WASHER,SPRING

SN: 23020-UP

12шт.

13

02400-20416

PIN,DOWEL

SN: 23020-UP

6шт.

14

6610-21-1270

PIN,DOWEL¤ MAIN METAL CAP

SN: 23020-UP

2шт.

|14

6610-29-1270

PIN,DOWEL¤ MAIN METAL CAP (OS)

SN: 23020-UP

2шт.

15

6610-11-1410

PIN,DOWEL¤ CYLINDER HEAD

SN: 23020-UP

6шт.

16

6610-21-4570

PIN,DOWEL¤ FLYWHEEL HOUSING

SN: 23020-UP

2шт.

17

6620-21-3610

PIN,DOWEL¤ GEAR CASE COVER

SN: 23020-UP

1шт.

18

6620-21-3620

PIN,DOWEL¤ GEAR CASE COVER

SN: 23020-UP

1шт.

20

02720-20608

PLUG,WATER HEADER

SN: 31628-UP

2шт.

|20

02720-20608

PLUG,WATER HEADER

SN: 23020-31627

4шт.

|20

02720-20608

PLUG,(COLD WEATHER SPEC.)

SN: 23020-UP

4шт.

20A

6684-91-4230

NIPPLE

SN: 38805-UP

1шт.

|20A

6684-91-4231

NIPPLE

SN: 23020-38804

1шт.

21

02720-20607

PLUG,DRAIN¤ WATER

SN: 23020-UP

1шт.

22

02720-20809

PLUG

SN: 23020-UP

7шт.

22A

02701-11208

ELBOW,BYPASS FILTER

SN: 23020-UP

1шт.

23

6710-21-1260

PLUG,WATER HEADER

SN: .-UP

1шт.

|23

0

PLUG,WATER HEADER

SN: 23020-.

1шт.

24

6610-21-2720

PLUG,OIL HEADER

SN: 23020-UP

4шт.

25

02720-10607

PLUG

SN: .-UP

2шт.

|25

0

PLUG

SN: 23020-.

2шт.

26

02720-21214

PLUG

SN: 23020-UP

1шт.

27

02720-21214

PLUG

SN: 23020-UP

1шт.

28

02720-20204

PLUG

SN: 23020-UP

1шт.

28A

6610-21-2770

PIN,STOPPER

SN: 23020-UP

1шт.

29

02010-20416

BOLT,WATER BYPASS

SN: 23020-.

1шт.

30

02206-10404

NUT,WATER BYPASS

SN: 23020-.

1шт.

31

6610-21-2730

PLUG,WATER BYPASS

SN: 23020-.

1шт.

32

02892-03031

O-RING (K4)

SN: 23020-.

1шт.

33

6610-81-8820

ELBOW,PRESSURE GAUGE

SN: 23020-UP

1шт.

34

6678-81-1110

PLATE¤ NAME,(LIMITED SUPPLY)

SN: 23020-UP

1шт.

|34

6620-81-1123

PLATE¤ NAME,(EXCEPT JAPAN)

SN: .-UP

1шт.

|34

6620-81-1122

PLATE¤ NAME,(EXCEPT JAPAN)

SN: 12001-.

1шт.

|34

6620-81-1121

PLATE¤ NAME,(EXCEPT JAPAN)

SN: 23020-12000

1шт.

35

04418-02550

SCREW

SN: 23020-UP

4шт.

36

02720-20809

PLUG

SN: 23020-UP

1шт.

37

6610-21-1730

RING,DOWEL

SN: 23020-UP

7шт.

38

6610-21-2212

LINER,CYLINDER

SN: 23020-UP

6шт.

39

6610-21-2240

SEAL,CREVICE¤ CYLINDER LINER (K4)

SN: 23020-UP

6шт.

39A

6610-21-2221

O-RING (K4)

SN: 23020-UP

6шт.

39B

6610-21-2250

O-RING (K4)

SN: 23020-UP

6шт.

41

6610-21-5670

GASKET (K4)

SN: 23020-UP

1шт.

42

02030-20625

BOLT

SN: 23020-UP

2шт.

43

02310-11224

WASHER,SPRING

SN: 23020-UP

2шт.

44

6643-21-6761

COVER,HAND HOLE

SN: 23020-UP

1шт.

45

6623-21-6770

GASKET (K4)

SN: 23020-UP

1шт.

46

02010-20625

BOLT

SN: 23020-UP

4шт.

47

02310-11224

WASHER,SPRING

SN: 23020-UP

4шт.

49

6610-21-2790

PIN,DOWEL

SN: 23020-UP

1шт.

51

6610-29-2230

SHIM¤ 0.18MM,CYLINDER LINER

SN: 23020-UP

-2шт.

|51

6610-28-2230

SHIM¤ 0.20MM,CYLINDER LINER

SN: 23020-UP

-2шт.

|51

6610-27-2230

SHIM¤ 0.23MM,CYLINDER LINER

SN: 23020-UP

-2шт.

|51

6610-26-2230

SHIM¤ 0.51MM,CYLINDER LINER

SN: 23020-UP

-2шт.

|51

6610-25-2230

SHIM¤ 0.79MM,CYLINDER LINER

SN: 23020-UP

-2шт.

|51

6610-24-2230

SHIM¤ 1.57MM,CYLINDER LINER

SN: 23020-UP

-2шт.

|1

6678-20-1012

CYLINDER BLOCK ASS'Y

SN: 31628-UP

1шт.

|1

0

CYLINDER BLOCK ASS'Y

SN: 31520-31627

1шт.

|1

6678-20-1010

CYLINDER BLOCK ASS'Y

SN: 23020-31519

1шт.

|1

6693-20-1023

CYLINDER BLOCK A.

SN: 26818-UP

1шт.

|1

0

CYLINDER BLOCK A.

SN: 23020-26817

1шт.

1

0

BLOCK,CYLINDER

SN: 23020-UP

1шт.

|2

6610-21-1040

BUSHING ASS'Y,CAMSHAFT

SN: 23020-UP

1шт.

2

6610-21-1410

BUSHING,FRONT

SN: 23020-UP

1шт.

3

6610-21-1420

BUSHING

SN: 23020-UP

6шт.

4

6610-11-1611

BOLT,CYLINDER HEAD

SN: 23020-UP

18шт.

5

6610-11-1620

WASHER

SN: 23020-UP

18шт.

6

6610-21-1210

CAP,MAIN METAL¤ NO.1¤3¤5

SN: 23020-UP

3шт.

|6

0

CAP,MAIN METAL¤ NO.1¤3¤5

SN: 23020-UP

3шт.

|6

6610-21-1220

CAP,MAIN METAL¤ NO.2¤4¤6

SN: 23020-UP

3шт.

|6

0

CAP,MAIN METAL¤ NO.2¤4¤6

SN: 23020-UP

3шт.

|6

6610-21-1231

CAP,MAIN METAL¤ REAR

SN: 26818-UP

1шт.

|6

6610-21-1230

CAP,MAIN METAL¤ REAR

SN: 23020-26817

1шт.

|6

0

CAP,MAIN METAL¤ REAR

SN: 26818-UP

1шт.

|6

0

CAP,MAIN METAL¤ REAR

SN: 23020-26817

1шт.

7

6610-21-1710

BOLT,MAIN METAL CAP

SN: 23020-UP

14шт.

8

6610-21-1720

WASHER,LOCK

SN: 23020-UP

14шт.

9

6610-21-6710

COVER,WATER HEADER

SN: 23020-UP

1шт.

9A

6693-22-6710

COVER,WATER HEADER

SN: 23020-UP

1шт.

10

6610-21-6720

GASKET (K3)

SN: 23020-UP

2шт.

11

02010-20419

BOLT

SN: 23020-UP

12шт.

12

02310-10916

WASHER,SPRING

SN: 23020-UP

12шт.

13

02400-20416

PIN,DOWEL

SN: 23020-UP

6шт.

14

6610-21-1270

PIN,DOWEL¤ MAIN METAL CAP

SN: 23020-UP

2шт.

|14

6610-29-1270

PIN,DOWEL¤ MAIN METAL CAP (OS)

SN: 23020-UP

2шт.

15

6610-11-1410

PIN,DOWEL¤ CYLINDER HEAD

SN: 23020-UP

6шт.

16

6610-21-4570

PIN,DOWEL¤ FLYWHEEL HOUSING

SN: 23020-UP

2шт.

17

6620-21-3610

PIN,DOWEL¤ GEAR CASE COVER

SN: 23020-UP

1шт.

18

6620-21-3620

PIN,DOWEL¤ GEAR CASE COVER

SN: 23020-UP

1шт.

20

02720-20608

PLUG,WATER HEADER

SN: 31628-UP

2шт.

|20

02720-20608

PLUG,WATER HEADER

SN: 23020-31627

4шт.

|20

02720-20608

PLUG,(COLD WEATHER SPEC.)

SN: 23020-UP

4шт.

20A

6684-91-4230

NIPPLE

SN: 38805-UP

1шт.

|20A

6684-91-4231

NIPPLE

SN: 23020-38804

1шт.

21

02720-20607

PLUG,DRAIN¤ WATER

SN: 23020-UP

1шт.

22

02720-20809

PLUG

SN: 23020-UP

7шт.

22A

02701-11208

ELBOW,BYPASS FILTER

SN: 23020-UP

1шт.

23

6710-21-1260

PLUG,WATER HEADER

SN: .-UP

1шт.

|23

0

PLUG,WATER HEADER

SN: 23020-.

1шт.

24

6610-21-2720

PLUG,OIL HEADER

SN: 23020-UP

4шт.

25

02720-10607

PLUG

SN: .-UP

2шт.

|25

0

PLUG

SN: 23020-.

2шт.

26

02720-21214

PLUG

SN: 23020-UP

1шт.

27

02720-21214

PLUG

SN: 23020-UP

1шт.

28

02720-20204

PLUG

SN: 23020-UP

1шт.

28A

6610-21-2770

PIN,STOPPER

SN: 23020-UP

1шт.

29

02010-20416

BOLT,WATER BYPASS

SN: 23020-.

1шт.

30

02206-10404

NUT,WATER BYPASS

SN: 23020-.

1шт.

31

6610-21-2730

PLUG,WATER BYPASS

SN: 23020-.

1шт.

32

02892-03031

O-RING (K4)

SN: 23020-.

1шт.

33

6610-81-8820

ELBOW,PRESSURE GAUGE

SN: 23020-UP

1шт.

34

6678-81-1110

PLATE¤ NAME,(LIMITED SUPPLY)

SN: 23020-UP

1шт.

|34

6620-81-1123

PLATE¤ NAME,(EXCEPT JAPAN)

SN: .-UP

1шт.

|34

6620-81-1122

PLATE¤ NAME,(EXCEPT JAPAN)

SN: 12001-.

1шт.

|34

6620-81-1121

PLATE¤ NAME,(EXCEPT JAPAN)

SN: 23020-12000

1шт.

35

04418-02550

SCREW

SN: 23020-UP

4шт.

36

02720-20809

PLUG

SN: 23020-UP

1шт.

37

6610-21-1730

RING,DOWEL

SN: 23020-UP

7шт.

38

6610-21-2212

LINER,CYLINDER

SN: 23020-UP

6шт.

39

6610-21-2240

SEAL,CREVICE¤ CYLINDER LINER (K4)

SN: 23020-UP

6шт.

39A

6610-21-2221

O-RING (K4)

SN: 23020-UP

6шт.

39B

6610-21-2250

O-RING (K4)

SN: 23020-UP

6шт.

41

6610-21-5670

GASKET (K4)

SN: 23020-UP

1шт.

42

02030-20625

BOLT

SN: 23020-UP

2шт.

43

02310-11224

WASHER,SPRING

SN: 23020-UP

2шт.

44

6643-21-6761

COVER,HAND HOLE

SN: 23020-UP

1шт.

45

6623-21-6770

GASKET (K4)

SN: 23020-UP

1шт.

46

02010-20625

BOLT

SN: 23020-UP

4шт.

47

02310-11224

WASHER,SPRING

SN: 23020-UP

4шт.

49

6610-21-2790

PIN,DOWEL

SN: 23020-UP

1шт.

51

6610-29-2230

SHIM¤ 0.18MM,CYLINDER LINER

SN: 23020-UP

-2шт.

|51

6610-28-2230

SHIM¤ 0.20MM,CYLINDER LINER

SN: 23020-UP

-2шт.

|51

6610-27-2230

SHIM¤ 0.23MM,CYLINDER LINER

SN: 23020-UP

-2шт.

|51

6610-26-2230

SHIM¤ 0.51MM,CYLINDER LINER

SN: 23020-UP

-2шт.

|51

6610-25-2230

SHIM¤ 0.79MM,CYLINDER LINER

SN: 23020-UP

-2шт.

|51

6610-24-2230

SHIM¤ 1.57MM,CYLINDER LINER

SN: 23020-UP

-2шт.

Выбрано товаров: 160