Запчасти Komatsu NH-220-CI-1Q ВОДЯНАЯ ПОМПА И ШКИВ ОХЛАЖД-Е И ЭЛЕКТРИКАS

Схема запчастей Komatsu NH-220-CI-1Q - ВОДЯНАЯ ПОМПА И ШКИВ ОХЛАЖД-Е И ЭЛЕКТРИКАS
FIT
1:1
100%

Артикул

Название

Примечание

Количество

|$0

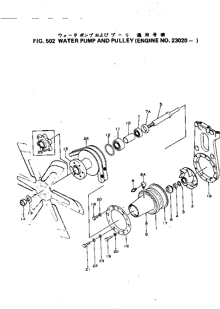
6678-61-1010

WATER PUMP ASS'Y

SN: 30174-UP

1шт.

|$1

6676-62-1013

WATER PUMP ASS'Y

SN: 23020-30173

1шт.

|$2

6676-62-1024

WATER PUMP ASS'Y

SN: 30174-UP

1шт.

|$3

6676-62-1023

WATER PUMP ASS'Y

SN: 23020-30173

1шт.

1

6676-62-1111

BODY,WATER PUMP

SN: 23020-UP

1шт.

|$5

6610-61-1030

IMPELLER ASS'Y,WATER PUMP

SN: 23020-30173

1шт.

2

6610-61-1321

IMPELLER

SN: 30174-UP

1шт.

2

0

IMPELLER

SN: 23020-30173

1шт.

3

6610-61-1340

FILM

SN: 23020-30173

1шт.

4

6610-61-1331

SEAT (K4)

SN: 30174-UP

1шт.

4

0

SEAT (K4)

SN: 23020-30173

1шт.

5

6676-62-1310

SHAFT

SN: 23020-UP

1шт.

6

6610-61-1511

SEAL, WATER,WATER PUMP (K4)

SN: 23020-UP

1шт.

7

6676-62-1141

BEARING

SN: 23020-UP

1шт.

7A

6610-69-1210

FILTER,DUST (K4)

SN: 23020-UP

1шт.

8

02720-20204

PLUG

SN: 23020-UP

1шт.

8A

6693-62-1930

ELBOW

SN: 23020-UP

1шт.

9

6600-02-3850

NIPPLE

SN: 23020-UP

1шт.

10

6676-62-1130

SPACER

SN: 23020-UP

1шт.

11

6600-01-1211

BEARING

SN: 23020-UP

1шт.

12

6676-62-1120

RING,SNAP

SN: 23020-UP

1шт.

13

6676-62-1370

WASHER

SN: 23020-UP

1шт.

14

6676-62-1360

NUT

SN: 23020-UP

1шт.

15

6672-62-1351

PULLEY,WATER PUMP

SN: 23020-UP

1шт.

16

6676-62-1220

SUPPORT

SN: 23020-UP

1шт.

17

6610-61-1810

GASKET (K4)

SN: 23020-UP

1шт.

18

6676-62-1210

BRACKET,WATER PUMP

SN: 23020-UP

1шт.

19

01010-31020

BOLT

SN: 23020-UP

6шт.

20

01602-01030

WASHER,SPRING

SN: 23020-UP

6шт.

21

02030-20632

BOLT

SN: 23020-UP

6шт.

22

02310-11224

WASHER,SPRING

SN: 23020-UP

6шт.

23

01641-21016

WASHER

SN: 23020-UP

6шт.

24

600-736-5860

V-BELT,COOLING FAN

SN: ..-UP

6шт.

24

600-736-5620

V-BELT,COOLING FAN

SN: .-..

2шт.

24

600-736-5120

V-BELT

SN: 23020-.

2шт.

25

6676-61-2430

SPACER,(COLD WEATHER SPEC.)

SN: ..-UP

1шт.

|$0

6678-61-1010

WATER PUMP ASS'Y

SN: 30174-UP

1шт.

|$1

6676-62-1013

WATER PUMP ASS'Y

SN: 23020-30173

1шт.

|$2

6676-62-1024

WATER PUMP ASS'Y

SN: 30174-UP

1шт.

|$3

6676-62-1023

WATER PUMP ASS'Y

SN: 23020-30173

1шт.

1

6676-62-1111

BODY,WATER PUMP

SN: 23020-UP

1шт.

|$5

6610-61-1030

IMPELLER ASS'Y,WATER PUMP

SN: 23020-30173

1шт.

2

6610-61-1321

IMPELLER

SN: 30174-UP

1шт.

2

0

IMPELLER

SN: 23020-30173

1шт.

3

6610-61-1340

FILM

SN: 23020-30173

1шт.

4

6610-61-1331

SEAT (K4)

SN: 30174-UP

1шт.

4

0

SEAT (K4)

SN: 23020-30173

1шт.

5

6676-62-1310

SHAFT

SN: 23020-UP

1шт.

6

6610-61-1511

SEAL, WATER,WATER PUMP (K4)

SN: 23020-UP

1шт.

7

6676-62-1141

BEARING

SN: 23020-UP

1шт.

7A

6610-69-1210

FILTER,DUST (K4)

SN: 23020-UP

1шт.

8

02720-20204

PLUG

SN: 23020-UP

1шт.

8A

6693-62-1930

ELBOW

SN: 23020-UP

1шт.

9

6600-02-3850

NIPPLE

SN: 23020-UP

1шт.

10

6676-62-1130

SPACER

SN: 23020-UP

1шт.

11

6600-01-1211

BEARING

SN: 23020-UP

1шт.

12

6676-62-1120

RING,SNAP

SN: 23020-UP

1шт.

13

6676-62-1370

WASHER

SN: 23020-UP

1шт.

14

6676-62-1360

NUT

SN: 23020-UP

1шт.

15

6672-62-1351

PULLEY,WATER PUMP

SN: 23020-UP

1шт.

16

6676-62-1220

SUPPORT

SN: 23020-UP

1шт.

17

6610-61-1810

GASKET (K4)

SN: 23020-UP

1шт.

18

6676-62-1210

BRACKET,WATER PUMP

SN: 23020-UP

1шт.

19

01010-31020

BOLT

SN: 23020-UP

6шт.

20

01602-01030

WASHER,SPRING

SN: 23020-UP

6шт.

21

02030-20632

BOLT

SN: 23020-UP

6шт.

22

02310-11224

WASHER,SPRING

SN: 23020-UP

6шт.

23

01641-21016

WASHER

SN: 23020-UP

6шт.

24

600-736-5860

V-BELT,COOLING FAN

SN: ..-UP

6шт.

24

600-736-5620

V-BELT,COOLING FAN

SN: .-..

2шт.

24

600-736-5120

V-BELT

SN: 23020-.

2шт.

25

6676-61-2430

SPACER,(COLD WEATHER SPEC.)

SN: ..-UP

1шт.

Выбрано товаров: 72