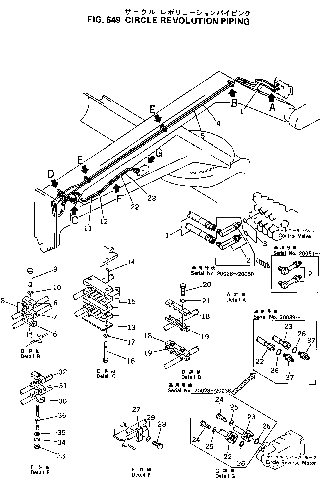
Запчасти Komatsu GD500R-2A CIRCLE ВРАЩЕНИЕ ТРУБЫ ГИДРАВЛИКА

Схема запчастей Komatsu GD500R-2A - CIRCLE ВРАЩЕНИЕ ТРУБЫ ГИДРАВЛИКА
FIT
1:1
100%

Артикул

Название

Примечание

Количество

1

07108-20407

HOSE

SN: 20028-UP

2шт.

2

238-60-14541

ELBOW

SN: 20051-UP

2шт.

|2

238-60-14540

ELBOW

SN: 20028-20050

2шт.

3

07002-12034

O-RING

SN: 20028-UP

2шт.

4

238-60-14170

TUBE

SN: 20028-UP

1шт.

5

238-60-14180

TUBE

SN: 20028-UP

1шт.

6

238-60-14570

CLIP

SN: 20028-UP

2шт.

7

238-60-14580

CLIP

SN: 20028-UP

1шт.

8

233-60-24220

TUBE

SN: 20028-UP

6шт.

9

01010-51090

BOLT

SN: 20028-UP

1шт.

10

01602-21030

WASHER

SN: 20028-UP

1шт.

11

07108-20418

HOSE

SN: 20028-UP

1шт.

12

07108-20416

HOSE

SN: 20028-UP

1шт.

13

238-60-14650

PLATE

SN: 20028-UP

1шт.

14

238-60-14660

PIPE

SN: 20028-UP

2шт.

15

238-60-14670

CLAMP

SN: 20028-UP

4шт.

16

01010-51095

BOLT

SN: 20028-UP

2шт.

17

01602-21030

WASHER

SN: 20028-UP

2шт.

18

238-60-14610

CLIP

SN: 20028-UP

2шт.

19

238-60-14620

CLIP

SN: 20028-UP

2шт.

20

01010-51045

BOLT

SN: 20028-UP

4шт.

21

01602-21030

WASHER

SN: 20028-UP

4шт.

22

233-60-24510

TUBE

SN: 20039-UP

1шт.

|22

238-60-14431

TUBE

SN: 20028-20038

1шт.

23

233-60-24520

TUBE

SN: 20039-UP

1шт.

|23

238-60-14421

TUBE

SN: 20028-20038

1шт.

24

02010-70632

BOLT

SN: 20028-20038

8шт.

25

01602-20929

WASHER

SN: 20028-20038

8шт.

26

07000-12018

O-RING

SN: 20039-UP

2шт.

|26

07000-13025

O-RING

SN: 20028-20038

2шт.

27

234-60-22870

CLIP

SN: 20028-UP

1шт.

28

01010-51025

BOLT

SN: 20028-UP

1шт.

29

01602-21030

WASHER

SN: 20028-UP

1шт.

30

238-60-14570

CLIP

SN: 20028-UP

2шт.

31

238-60-14580

CLIP

SN: 20028-UP

2шт.

32

238-60-14590

CLIP

SN: 20028-UP

2шт.

33

01580-11613

NUT

SN: 20028-UP

2шт.

34

01602-21648

WASHER

SN: 20028-UP

2шт.

35

232-60-54920

WASHER

SN: 20028-UP

2шт.

36

238-60-14510

BOLT

SN: 20028-UP

2шт.

37

233-60-24530

NIPPLE

SN: 20039-UP

2шт.

Выбрано товаров: 41