Запчасти Komatsu S6D105-1F ТРУБОПРОВОД ВПУСКА ВОЗДУХА И СОЕДИН-Е(№8-88) ГОЛОВКА ЦИЛИНДРОВ

Схема запчастей Komatsu S6D105-1F - ТРУБОПРОВОД ВПУСКА ВОЗДУХА И СОЕДИН-Е(№8-88) ГОЛОВКА ЦИЛИНДРОВ
FIT
1:1
100%

Артикул

Название

Примечание

Количество

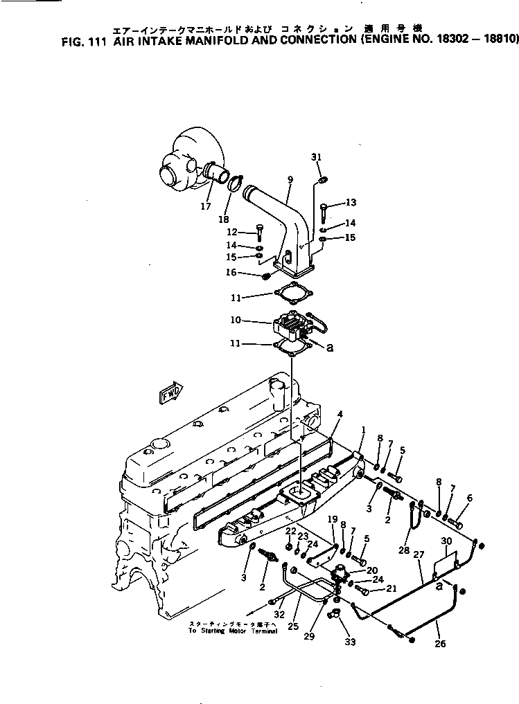
1

6136-11-4110

MANIFOLD,INTAKE

SN: 18302-18810

1шт.

2

600-815-2350

HEATER,COIL

SN: 18302-@

2шт.

3

07003-02228

GASKET (K1)

SN: 18302-@

1шт.

4

6136-11-4811

GASKET (K1)

SN: 18302-@

1шт.

5

01010-30865

BOLT

SN: 18302-@

10шт.

6

01010-30850

BOLT

SN: 18302-@

2шт.

7

01602-00825

WASHER,SPRING

SN: 18302-@

12шт.

8

01640-00816

WASHER

SN: 18302-@

12шт.

9

6137-11-4311

CONNECTOR,AIR

SN: 18302-@

1шт.

10

600-815-2341

HEATER,RIBBON

SN: 18302-@

1шт.

11

6136-11-4820

GASKET (K1)

SN: 18302-@

2шт.

12

01010-30870

BOLT

SN: 18302-18810

3шт.

13

01010-30875

BOLT

SN: 18302-@

1шт.

14

01602-00825

WASHER,SPRING

SN: 18302-@

4шт.

15

01640-20816

WASHER

SN: 18302-@

4шт.

16

07042-00108

PLUG

SN: 18302-@

2шт.

17

6137-11-4371

HOSE

SN: 18302-@

1шт.

18

07281-00709

CLAMP

SN: 18302-@

2шт.

19

6136-81-4111

PLATE

SN: 18302-@

1шт.

20

600-815-2170

SWITCH,RELAY

SN: 18302-@

1шт.

20

0

SWITCH,RELAY

SN: 18302-18810

1шт.

21

01010-30620

BOLT

SN: 18302-@

2шт.

22

01580-00605

NUT

SN: 18302-@

2шт.

23

01602-00619

WASHER,SPRING

SN: 18302-@

2шт.

24

01641-00608

WASHER

SN: 18302-@

4шт.

25

6136-81-4210

WIRE

SN: 18302-@

1шт.

26

6136-81-4220

WIRE

SN: 18302-@

1шт.

27

6136-81-4230

WIRE

SN: 18302-@

1шт.

28

6136-81-4240

WIRE

SN: 18302-@

1шт.

29

08036-11210

CLIP

SN: 18302-@

1шт.

30

08036-10814

CLIP

SN: .-@

2шт.

31

07042-00415

PLUG

SN: 18302-@

1шт.

1

6136-11-4110

MANIFOLD,INTAKE

SN: 18302-18810

1шт.

2

600-815-2350

HEATER,COIL

SN: 18302-@

2шт.

3

07003-02228

GASKET (K1)

SN: 18302-@

1шт.

4

6136-11-4811

GASKET (K1)

SN: 18302-@

1шт.

5

01010-30865

BOLT

SN: 18302-@

10шт.

6

01010-30850

BOLT

SN: 18302-@

2шт.

7

01602-00825

WASHER,SPRING

SN: 18302-@

12шт.

8

01640-00816

WASHER

SN: 18302-@

12шт.

9

6137-11-4311

CONNECTOR,AIR

SN: 18302-@

1шт.

10

600-815-2341

HEATER,RIBBON

SN: 18302-@

1шт.

11

6136-11-4820

GASKET (K1)

SN: 18302-@

2шт.

12

01010-30870

BOLT

SN: 18302-18810

3шт.

13

01010-30875

BOLT

SN: 18302-@

1шт.

14

01602-00825

WASHER,SPRING

SN: 18302-@

4шт.

15

01640-20816

WASHER

SN: 18302-@

4шт.

16

07042-00108

PLUG

SN: 18302-@

2шт.

17

6137-11-4371

HOSE

SN: 18302-@

1шт.

18

07281-00709

CLAMP

SN: 18302-@

2шт.

19

6136-81-4111

PLATE

SN: 18302-@

1шт.

20

600-815-2170

SWITCH,RELAY

SN: 18302-@

1шт.

20

0

SWITCH,RELAY

SN: 18302-18810

1шт.

21

01010-30620

BOLT

SN: 18302-@

2шт.

22

01580-00605

NUT

SN: 18302-@

2шт.

23

01602-00619

WASHER,SPRING

SN: 18302-@

2шт.

24

01641-00608

WASHER

SN: 18302-@

4шт.

25

6136-81-4210

WIRE

SN: 18302-@

1шт.

26

6136-81-4220

WIRE

SN: 18302-@

1шт.

27

6136-81-4230

WIRE

SN: 18302-@

1шт.

28

6136-81-4240

WIRE

SN: 18302-@

1шт.

29

08036-11210

CLIP

SN: 18302-@

1шт.

30

08036-10814

CLIP

SN: .-@

2шт.

31

07042-00415

PLUG

SN: 18302-@

1шт.

Выбрано товаров: 64