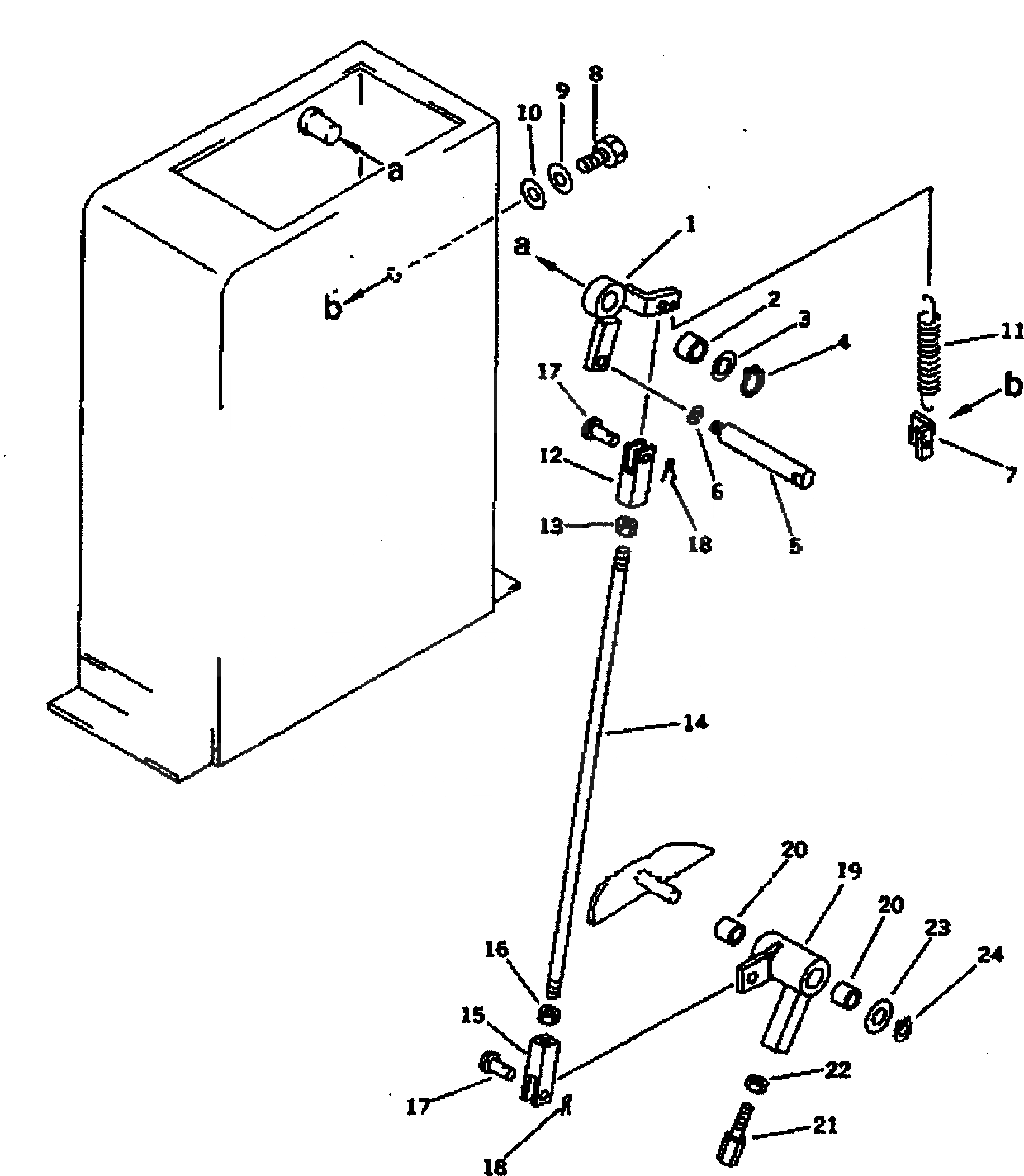
Запчасти Komatsu GD505A-3 РЫЧАГ УПРАВЛ-Я ТРАНСМИССИЕЙ (/)(№-7) СИСТЕМА УПРАВЛЕНИЯ

Схема запчастей Komatsu GD505A-3 - РЫЧАГ УПРАВЛ-Я ТРАНСМИССИЕЙ (/)(№-7) СИСТЕМА УПРАВЛЕНИЯ
FIT
1:1
100%

Артикул

Название

Примечание

Количество

1

23E-45-11140

LEVER

SN: 1001-@

1шт.

2

232-43-52320

BUSHING

SN: 1001-@

1шт.

3

01643-31645

WASHER

SN: 1001-@

1шт.

4

04064-01610

RING,SNAP

SN: 1001-@

1шт.

5

23E-45-11160

BAR

SN: 1001-@

1шт.

6

01643-31032

WASHER

SN: 1001-@

1шт.

7

233-45-11230

PLATE

SN: 1001-1700

1шт.

8

01010-51220

BOLT

SN: 1001-1700

1шт.

9

01643-31232

WASHER

SN: 1001-1700

1шт.

10

01643-31232

WASHER

SN: 1001-1500

1шт.

11

232-43-42330

SPRING

SN: 1001-@

1шт.

12

04211-20844

YOKE

SN: 1001-@

1шт.

13

01580-10806

NUT

SN: 1001-@

1шт.

14

04248-30847

ROD

SN: 1001-@

1шт.

15

04221-20844

YOKE,L.H. THREAD

SN: 1001-@

1шт.

16

01508-20805

NUT,L.H. THREAD

SN: 1001-@

1шт.

17

04205-10822

PIN

SN: 1001-@

2шт.

18

04050-12012

PIN,COTTER

SN: 1001-@

2шт.

19

23E-45-11120

LEVER

SN: 1001-@

1шт.

20

232-43-52320

BUSHING

SN: 1001-@

2шт.

21

233-45-11260

BOLT

SN: 1001-@

1шт.

22

01580-10806

NUT

SN: 1001-@

1шт.

23

01643-31645

WASHER

SN: 1001-@

1шт.

24

04064-01610

RING,SNAP

SN: 1001-@

1шт.

Выбрано товаров: 0