Запчасти Komatsu GD505A-3 ЗАДН. РАМА РАМА И ЧАСТИ КОРПУСА

Схема запчастей Komatsu GD505A-3 - ЗАДН. РАМА РАМА И ЧАСТИ КОРПУСА
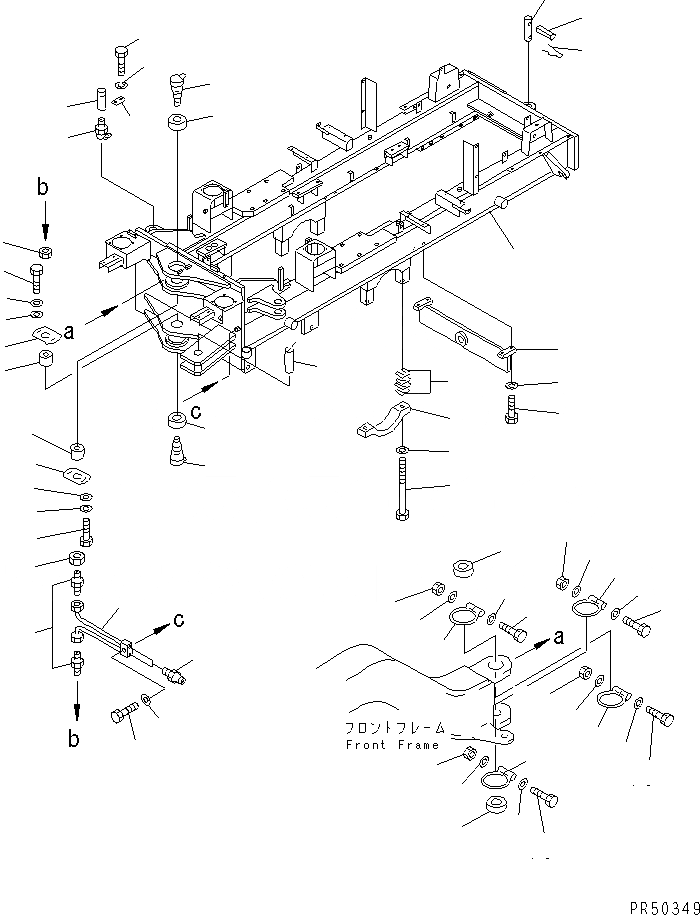
1
2
3
4
5
6
7
8
9
9
10
10
11
11
12
12
12
12
13
13
13
13
14
14
14
14
15
15
15
15
15
15
15
15
16
16
17
17
18
18
19
19
20
20
21
21
22
23
24
25
26
27
28
29
30
31
32
33
34
35
FIT
1:1
100%

Артикул

Название

Примечание

Количество

1

23A-46-12042

FRAME,REAR

SN: 1701-UP

1шт.

|1

23A-46-12041

FRAME,REAR

SN: 1501-1700

1шт.

|1

23A-46-12040

FRAME,REAR

SN: 1001-1500

1шт.

2

23A-46-12520

CAP

SN: 1001-UP

2шт.

3

23A-46-00120

SHIM ASS'Y

SN: 1001-UP

4шт.

|3

0

SHIM¤ 0.1MM

SN: 1001-UP

2шт.

|3

0

SHIM¤ 0.2MM

SN: 1001-UP

4шт.

|3

0

SHIM¤ 0.5MM

SN: 1001-UP

2шт.

4

01011-83080

BOLT

SN: 1069-UP

4шт.

|4

01011-53080

BOLT

SN: 1001-1068

4шт.

5

01643-33080

WASHER

SN: 1001-UP

4шт.

6

23B-22-11430

HANGER

SN: 1001-UP

1шт.

7

01010-81650

BOLT

SN: 1701-UP

4шт.

|7

0

BOLT

SN: 1001-1700

4шт.

8

01643-31645

WASHER

SN: 1001-UP

4шт.

9

232-46-53211

BUSHING

SN: 1057-UP

2шт.

|9

232-46-53210

BUSHING

SN: 1001-1056

2шт.

10

236-46-13381

BUSHING

SN: 1057-UP

2шт.

|10

236-46-13380

BUSHING

SN: 1001-1056

2шт.

11

236-46-13390

BUSHING

SN: 1001-UP

2шт.

12

236-46-13610

O-RING

SN: 1001-UP

4шт.

13

235-46-11710

BOLT

SN: 1001-UP

4шт.

14

01598-00608

NUT

SN: 1001-UP

4шт.

15

01640-20610

WASHER

SN: 1001-UP

8шт.

16

23A-46-11371

PIN

SN: 1057-UP

2шт.

|16

23A-46-11370

PIN

SN: 1001-1056

2шт.

17

236-46-13410

NUT

SN: 1001-UP

2шт.

18

23A-46-11380

PLATE

SN: 1001-UP

2шт.

19

01010-81630

BOLT

SN: 1701-UP

4шт.

|19

0

BOLT

SN: 1001-1700

4шт.

20

01643-31645

WASHER

SN: 1001-UP

4шт.

21

01643-31645

WASHER

SN: 1001-UP

4шт.

22

23B-46-11290

TUBE

SN: 1001-UP

1шт.

23

07020-00000

FITTING,GREASE

SN: 1001-UP

2шт.

24

01010-81235

BOLT

SN: 1701-UP

1шт.

|24

0

BOLT

SN: 1001-1700

1шт.

25

01643-31232

WASHER

SN: 1001-UP

1шт.

26

07213-50610

CONNECTOR

SN: 1001-UP

2шт.

27

23A-46-11390

PIN

SN: 1001-UP

2шт.

28

07020-00900

FITTING,GREASE

SN: 1001-UP

2шт.

29

04082-00206

LOCK

SN: 1001-UP

2шт.

30

01010-81225

BOLT

SN: 1701-UP

4шт.

|30

0

BOLT

SN: 1001-1700

4шт.

31

01643-31232

WASHER

SN: 1001-UP

4шт.

32

23A-46-11410

PIN,ARTICULATE LOCK

SN: 1001-UP

1шт.

33

232-46-11711

PIN (O.P.)

SN: 1001-UP

1шт.

34

04085-01065

PIN,SPRING (O.P.)

SN: 1001-UP

1шт.

35

232-46-11920

PIN,SNAP (O.P.)

SN: 1001-UP

1шт.

Выбрано товаров: 48