Запчасти Komatsu GD505A-3 ТРАНСМИССИЯ (УПРАВЛЯЮЩ. КЛАПАН) (/) СИЛОВАЯ ПЕРЕДАЧА

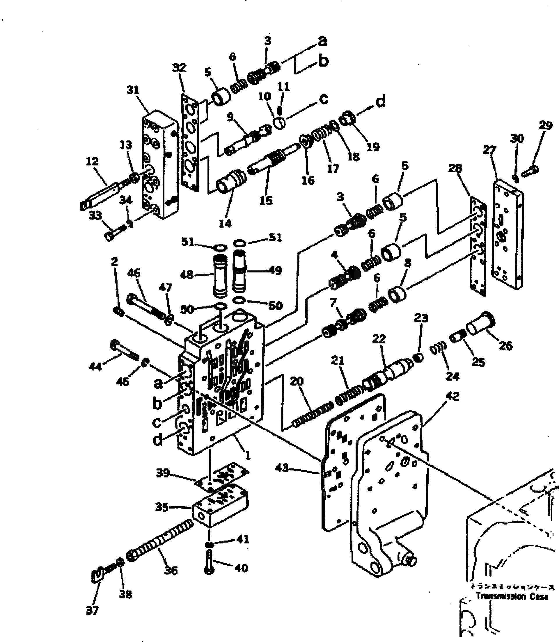
Схема запчастей Komatsu GD505A-3 - ТРАНСМИССИЯ (УПРАВЛЯЮЩ. КЛАПАН) (/) СИЛОВАЯ ПЕРЕДАЧА
FIT
1:1
100%

Артикул

Название

Примечание

Количество

|$$1

SERIAL NO. IN ( ) INDICATES TRANSMISSION SERIAL NO.

-1шт.

|1

23A-15-00061

TRANSMISSION ASS'Y

SN: (3291)-UP

1шт.

|1

0

TRANSMISSION ASS'Y

SN: (1241)-(3290)

1шт.

|1

0

TRANSMISSION ASS'Y

SN: (1232)-(1240)

1шт.

|1

23A-15-00081

TRANSMISSION ASS'Y

SN: (1128)-(1231)

1шт.

|1

0

TRANSMISSION ASS'Y

SN: 1001-(1127)

1шт.

|$$7

THESE ASSEMBLIES CONSIST OF ALL PARTS SHOWN IN FIGS.2401 TO 2471

-1шт.

|1

23B-15-00220

VALVE ASS'Y

SN: (3291)-UP

1шт.

|1

0

VALVE ASS'Y

SN: (1241)-(3290)

1шт.

|1

0

VALVE ASS'Y

SN: (1128)-(1240)

1шт.

|1

23B-15-00210

VALVE ASS'Y

SN: 1001-(1127)

1шт.

1

232-15-15111

BODY,VALVE

SN: 1001-UP

1шт.

2

07042-20108

PLUG

SN: 1001-UP

3шт.

3

232-15-15210

SPOOL,SHIFT VALVE

SN: 1001-UP

3шт.

4

232-15-15221

SPOOL,CUT OFF VALVE

SN: (1241)-UP

1шт.

|4

232-15-15220

SPOOL,CUT OFF VALVE

SN: 1001-(1240)

1шт.

5

232-15-15230

STOPPER

SN: 1001-UP

4шт.

6

232-15-16110

SPRING,(L=36.8)

SN: 1001-UP

5шт.

7

232-15-15240

SPOOL,HIGH-LOW SHIFT VALVE

SN: 1001-UP

1шт.

8

232-15-15250

STOPPER

SN: 1001-UP

1шт.

9

232-15-15260

SPOOL,FOWARD REVERSE

SN: 1001-UP

1шт.

10

232-15-15270

STOPPER

SN: 1001-UP

1шт.

11

04025-00440

PIN,SPRING

SN: 1001-UP

1шт.

12

232-15-15710

YOKE

SN: 1001-UP

2шт.

13

01580-10806

NUT

SN: 1001-UP

2шт.

14

232-15-15360

SLEEVE

SN: 1001-UP

1шт.

15

23B-15-15280

SPOOL,INCHING VALVE

SN: 1001-UP

1шт.

16

23B-15-15340

COLLAR

SN: 1001-UP

1шт.

17

232-15-16180

SPRING,(L=16.1)

SN: 1001-UP

1шт.

18

281-15-15480

SHIM¤ 0.5MM

SN: 1001-UP

1шт.

19

23B-15-15340

COLLAR

SN: 1001-UP

1шт.

20

232-15-16230

SPRING

SN: (3291)-UP

1шт.

|20

23B-15-16150

SPRING,(L=48.3)

SN: (1128)-(3290)

1шт.

|20

232-15-16230

SPRING,(L=50.2)

SN: 1001-(1127)

1шт.

21

23B-15-16241

SPRING

SN: 1001-UP

1шт.

22

23B-15-15371

VALVE,INCHING

SN: 1001-UP

1шт.

23

22W-75-18890

VALVE

SN: 1001-UP

1шт.

24

125-15-15290

SPRING

SN: 1001-UP

1шт.

25

22W-75-18880

SLEEVE

SN: 1001-UP

1шт.

26

232-15-15292

STOPPER

SN: 1001-UP

1шт.

27

232-15-15380

COVER

SN: 1001-UP

1шт.

28

23A-15-15910

GASKET (K2)

SN: (1241)-UP

1шт.

|28

232-15-15910

GASKET (K2)

SN: 1001-(1240)

1шт.

29

01010-80830

BOLT

SN: 1001-UP

10шт.

30

01602-20825

WASHER,SPRING

SN: 1001-UP

10шт.

31

23B-15-15390

COVER

SN: 1001-UP

1шт.

32

23A-15-15920

GASKET (K2)

SN: (1241)-UP

1шт.

|32

232-15-15921

GASKET (K2)

SN: 1001-(1240)

1шт.

33

01010-80850

BOLT

SN: 1001-UP

9шт.

34

01602-20825

WASHER,SPRING

SN: 1001-UP

9шт.

35

232-15-15310

BODY,SPEED SELECTOR VALVE

SN: 1001-UP

1шт.

36

232-15-15331

SPOOL,SPEED SELECTOR

SN: (1128)-UP

1шт.

|36

0

SPOOL,SPEED SELECTOR

SN: 1001-(1127)

1шт.

37

09363-00850

YOKE

SN: 1001-UP

1шт.

38

01580-10806

NUT

SN: 1001-UP

1шт.

39

232-15-15930

GASKET (K2)

SN: 1001-UP

1шт.

40

01010-80845

BOLT

SN: 1001-UP

4шт.

41

01602-20825

WASHER,SPRING

SN: 1001-UP

4шт.

42

23B-15-15130

SEAT,VALVE

SN: 1001-UP

1шт.

43

23A-15-15140

PLATE

SN: (1241)-UP

1шт.

|43

23B-15-15140

PLATE

SN: 1001-(1240)

1шт.

44

01010-80860

BOLT

SN: 1001-UP

11шт.

45

01602-20825

WASHER,SPRING

SN: 1001-UP

11шт.

46

01010-81080

BOLT

SN: 1001-UP

4шт.

47

01602-21030

WASHER,SPRING

SN: 1001-UP

4шт.

48

23B-15-15150

SLEEVE

SN: 1001-UP

2шт.

49

23B-15-15160

SLEEVE

SN: 1001-UP

1шт.

50

07000-72021

O-RING (K2)

SN: 1001-UP

3шт.

51

07000-73022

O-RING (K2)

SN: 1001-UP

3шт.

Выбрано товаров: 0