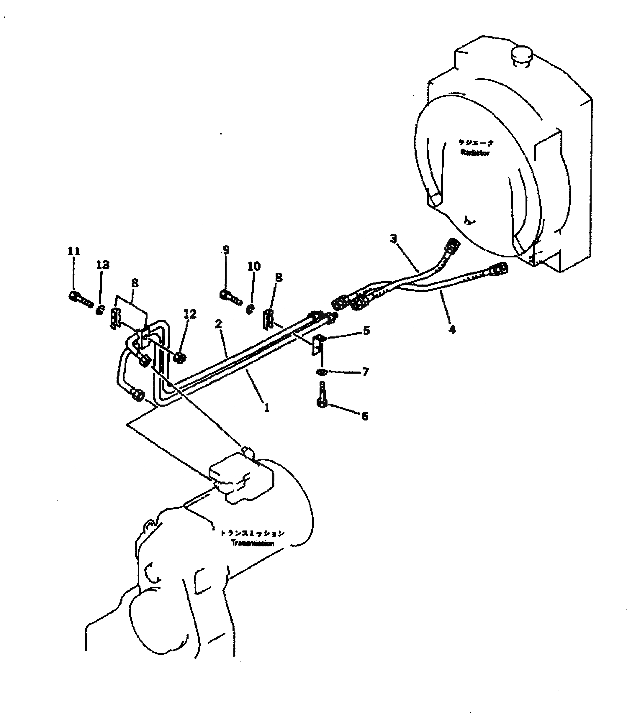
Запчасти Komatsu GD505A-3 ТРАНСМИССИЯ ЛИНИИ МАСЛООХЛАДИТЕЛЯ СИЛОВАЯ ПЕРЕДАЧА

Схема запчастей Komatsu GD505A-3 - ТРАНСМИССИЯ ЛИНИИ МАСЛООХЛАДИТЕЛЯ СИЛОВАЯ ПЕРЕДАЧА
FIT
1:1
100%

Артикул

Название

Примечание

Количество

1

23A-16-11290

TUBE

SN: 1001-UP

1шт.

2

23A-16-11280

TUBE

SN: 1001-UP

1шт.

3

07102-20605

HOSE

SN: 1001-UP

1шт.

4

07102-20609

HOSE¤ 900MM

SN: 1001-UP

1шт.

5

23A-16-11230

BRACKET

SN: 1001-UP

1шт.

6

01010-50830

BOLT

SN: 1002-UP

1шт.

|6

0

BOLT

SN: 1001-1001

1шт.

7

01643-30823

WASHER

SN: 1001-UP

1шт.

8

233-60-24370

CLIP

SN: 1001-UP

3шт.

9

01010-81050

BOLT

SN: 1701-UP

1шт.

|9

0

BOLT

SN: 1001-1700

1шт.

10

01643-31032

WASHER

SN: 1001-UP

1шт.

11

01010-51060

BOLT

SN: 1001-UP

1шт.

12

01580-11008

NUT

SN: 1001-UP

1шт.

13

01643-31032

WASHER

SN: 1001-UP

1шт.

Выбрано товаров: 15