Запчасти Komatsu S6D105-1JJ ГЛУШИТЕЛЬ И КРЕПЛЕНИЕ(№79-9777) ГОЛОВКА ЦИЛИНДРОВ

Схема запчастей Komatsu S6D105-1JJ - ГЛУШИТЕЛЬ И КРЕПЛЕНИЕ(№79-9777) ГОЛОВКА ЦИЛИНДРОВ
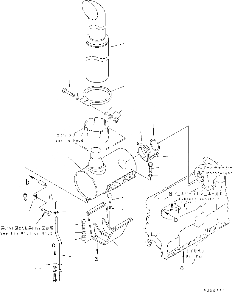
1
2
3
4
5
6
7
8
9
10
11
12
13
14
15
16
17
18
19
20
21
21
1
2
3
4
5
6
7
8
9
10
11
12
13
14
15
16
17
18
19
20
21
21
FIT
1:1
100%

Артикул

Название

Примечание

Количество

1

6137-11-5610

MUFFLER

SN: 79301-92777

1шт.

2

6137-11-5731

BRACKET

SN: 79301-92777

1шт.

3

01010-31040

BOLT

SN: 79301-92777

4шт.

4

6631-11-5630

SPACER

SN: 79301-92777

4шт.

5

01010-30840

BOLT

SN: 79301-92777

1шт.

6

01642-20810

WASHER

SN: 79301-92777

1шт.

7

6631-11-5630

SPACER

SN: 79301-92777

1шт.

8

01010-31025

BOLT

SN: 79301-92777

4шт.

9

01642-01016

WASHER

SN: 79301-92777

4шт.

10

6131-11-5230

JOINT

SN: 79301-@

1шт.

11

6136-12-5280

RING,SEAL

SN: 88400-@

1шт.

|11

0

RING,SEAL

SN: 79301-88399

1шт.

12

6131-11-5360

BOLT

SN: 79301-@

2шт.

13

6137-11-5580

PIPE,DRAIN

SN: 79301-92777

1шт.

14

07260-20971

HOSE

SN: 79301-@

1шт.

15

6136-11-5680

CLIP

SN: 79301-@

1шт.

16

6130-21-5260

CLIP

SN: 79301-@

1шт.

17

6137-11-5840

PIPE,EXHAUST

SN: 79301-@

1шт.

18

6138-11-5620

CLAMP

SN: 79301-@

1шт.

19

6693-12-5550

BOLT

SN: 79301-@

1шт.

20

01582-01411

NUT

SN: 79301-@

2шт.

21

6151-11-5670

WASHER

SN: 79301-@

2шт.

1

6137-11-5610

MUFFLER

SN: 79301-92777

1шт.

2

6137-11-5731

BRACKET

SN: 79301-92777

1шт.

3

01010-31040

BOLT

SN: 79301-92777

4шт.

4

6631-11-5630

SPACER

SN: 79301-92777

4шт.

5

01010-30840

BOLT

SN: 79301-92777

1шт.

6

01642-20810

WASHER

SN: 79301-92777

1шт.

7

6631-11-5630

SPACER

SN: 79301-92777

1шт.

8

01010-31025

BOLT

SN: 79301-92777

4шт.

9

01642-01016

WASHER

SN: 79301-92777

4шт.

10

6131-11-5230

JOINT

SN: 79301-@

1шт.

11

6136-12-5280

RING,SEAL

SN: 88400-@

1шт.

|11

0

RING,SEAL

SN: 79301-88399

1шт.

12

6131-11-5360

BOLT

SN: 79301-@

2шт.

13

6137-11-5580

PIPE,DRAIN

SN: 79301-92777

1шт.

14

07260-20971

HOSE

SN: 79301-@

1шт.

15

6136-11-5680

CLIP

SN: 79301-@

1шт.

16

6130-21-5260

CLIP

SN: 79301-@

1шт.

17

6137-11-5840

PIPE,EXHAUST

SN: 79301-@

1шт.

18

6138-11-5620

CLAMP

SN: 79301-@

1шт.

19

6693-12-5550

BOLT

SN: 79301-@

1шт.

20

01582-01411

NUT

SN: 79301-@

2шт.

21

6151-11-5670

WASHER

SN: 79301-@

2шт.

Выбрано товаров: 44