Запчасти Komatsu S6D105-1JJ СМАЗЫВ. НАСОС И ВСАСЫВ. PIPE СИСТЕМА СМАЗКИ МАСЛ. СИСТЕМА

Схема запчастей Komatsu S6D105-1JJ - СМАЗЫВ. НАСОС И ВСАСЫВ. PIPE СИСТЕМА СМАЗКИ МАСЛ. СИСТЕМА
FIT
1:1
100%

Артикул

Название

Примечание

Количество

|1

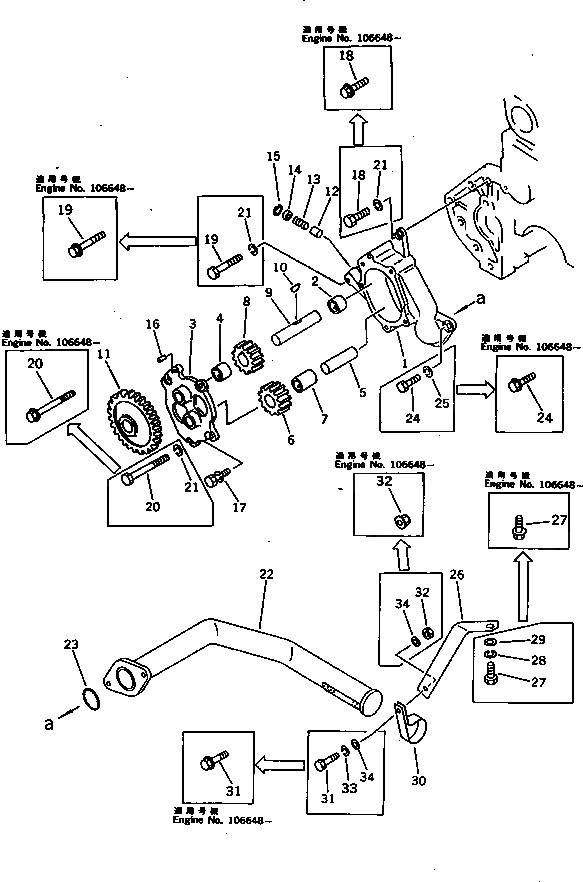
6136-52-1100

OIL PUMP ASS'Y

SN: 79301-UP

1шт.

|1

6136-52-1200

BODY ASS'Y

SN: 79301-UP

1шт.

1

0

BODY

SN: 79301-UP

1шт.

2

6136-52-1220

BUSHING

SN: 79301-UP

1шт.

|3

6136-52-1300

COVER ASS'Y

SN: 79301-UP

1шт.

3

0

COVER

SN: 79301-UP

1шт.

4

6136-52-1330

BUSHING

SN: 79301-UP

1шт.

5

6136-52-1320

SHAFT,DRIVEN

SN: 79301-UP

1шт.

|6

6136-52-1400

GEAR ASS'Y

SN: 79301-UP

1шт.

6

0

GEAR,DRIVEN

SN: 79301-UP

1шт.

7

6136-52-1420

BUSHING

SN: 79301-UP

1шт.

|8

6136-52-1500

SHAFT SUB ASS'Y

SN: 79301-UP

1шт.

8

0

GEAR,DRIVE

SN: 79301-UP

1шт.

9

6136-52-1520

SHAFT

SN: 79301-UP

1шт.

10

04010-10516

KEY

SN: 79301-UP

1шт.

11

6136-52-1610

GEAR,DRIVING

SN: 79301-UP

1шт.

12

6136-52-1640

VALVE

SN: 79301-UP

1шт.

13

6136-52-1650

SPRING

SN: 79301-UP

1шт.

14

6150-51-1650

RETAINER

SN: 79301-UP

1шт.

15

04065-01610

RING,SNAP

SN: 79301-UP

1шт.

16

6136-52-1620

PIN

SN: 79301-UP

1шт.

17

6136-52-1630

BOLT

SN: 79301-UP

3шт.

18

01435-00825

BOLT

SN: 106648-UP

1шт.

|18

0

BOLT

SN: 79301-106647

1шт.

19

01435-00840

BOLT

SN: 106648-UP

1шт.

|19

0

BOLT

SN: 79301-106647

1шт.

20

01435-00850

BOLT

SN: 106648-UP

1шт.

|20

0

BOLT

SN: 79301-106647

1шт.

21

01602-00825

WASHER,SPRING

SN: 79301-106647

3шт.

22

6136-51-6212

PIPE,SUCTION

SN: 79301-UP

1шт.

23

07000-63035

O-RING (K2)

SN: 79301-UP

1шт.

24

01435-00820

BOLT

SN: 106648-UP

2шт.

|24

0

BOLT

SN: 79301-106647

2шт.

25

01602-00825

WASHER,SPRING

SN: 79301-106647

2шт.

26

6136-51-6221

BRACKET

SN: 79301-UP

1шт.

27

01435-01020

BOLT

SN: 106648-UP

1шт.

|27

0

BOLT

SN: 79301-106647

1шт.

28

01602-01030

WASHER,SPRING

SN: 79301-106647

1шт.

29

01640-21016

WASHER

SN: 79301-106647

1шт.

30

6136-51-6230

CLAMP

SN: 79301-UP

1шт.

31

01435-00820

BOLT

SN: 106648-UP

1шт.

|31

0

BOLT

SN: 79301-106647

1шт.

32

01584-00806

NUT

SN: 106648-UP

1шт.

|32

0

NUT

SN: 79301-106647

1шт.

33

01602-00825

WASHER,SPRING

SN: 79301-106647

1шт.

34

01640-20816

WASHER

SN: 79301-106647

2шт.

|1

6136-52-1100

OIL PUMP ASS'Y

SN: 79301-UP

1шт.

|1

6136-52-1200

BODY ASS'Y

SN: 79301-UP

1шт.

1

0

BODY

SN: 79301-UP

1шт.

2

6136-52-1220

BUSHING

SN: 79301-UP

1шт.

|3

6136-52-1300

COVER ASS'Y

SN: 79301-UP

1шт.

3

0

COVER

SN: 79301-UP

1шт.

4

6136-52-1330

BUSHING

SN: 79301-UP

1шт.

5

6136-52-1320

SHAFT,DRIVEN

SN: 79301-UP

1шт.

|6

6136-52-1400

GEAR ASS'Y

SN: 79301-UP

1шт.

6

0

GEAR,DRIVEN

SN: 79301-UP

1шт.

7

6136-52-1420

BUSHING

SN: 79301-UP

1шт.

|8

6136-52-1500

SHAFT SUB ASS'Y

SN: 79301-UP

1шт.

8

0

GEAR,DRIVE

SN: 79301-UP

1шт.

9

6136-52-1520

SHAFT

SN: 79301-UP

1шт.

10

04010-10516

KEY

SN: 79301-UP

1шт.

11

6136-52-1610

GEAR,DRIVING

SN: 79301-UP

1шт.

12

6136-52-1640

VALVE

SN: 79301-UP

1шт.

13

6136-52-1650

SPRING

SN: 79301-UP

1шт.

14

6150-51-1650

RETAINER

SN: 79301-UP

1шт.

15

04065-01610

RING,SNAP

SN: 79301-UP

1шт.

16

6136-52-1620

PIN

SN: 79301-UP

1шт.

17

6136-52-1630

BOLT

SN: 79301-UP

3шт.

18

01435-00825

BOLT

SN: 106648-UP

1шт.

|18

0

BOLT

SN: 79301-106647

1шт.

19

01435-00840

BOLT

SN: 106648-UP

1шт.

|19

0

BOLT

SN: 79301-106647

1шт.

20

01435-00850

BOLT

SN: 106648-UP

1шт.

|20

0

BOLT

SN: 79301-106647

1шт.

21

01602-00825

WASHER,SPRING

SN: 79301-106647

3шт.

22

6136-51-6212

PIPE,SUCTION

SN: 79301-UP

1шт.

23

07000-63035

O-RING (K2)

SN: 79301-UP

1шт.

24

01435-00820

BOLT

SN: 106648-UP

2шт.

|24

0

BOLT

SN: 79301-106647

2шт.

25

01602-00825

WASHER,SPRING

SN: 79301-106647

2шт.

26

6136-51-6221

BRACKET

SN: 79301-UP

1шт.

27

01435-01020

BOLT

SN: 106648-UP

1шт.

|27

0

BOLT

SN: 79301-106647

1шт.

28

01602-01030

WASHER,SPRING

SN: 79301-106647

1шт.

29

01640-21016

WASHER

SN: 79301-106647

1шт.

30

6136-51-6230

CLAMP

SN: 79301-UP

1шт.

31

01435-00820

BOLT

SN: 106648-UP

1шт.

|31

0

BOLT

SN: 79301-106647

1шт.

32

01584-00806

NUT

SN: 106648-UP

1шт.

|32

0

NUT

SN: 79301-106647

1шт.

33

01602-00825

WASHER,SPRING

SN: 79301-106647

1шт.

34

01640-20816

WASHER

SN: 79301-106647

2шт.

Выбрано товаров: 0