Запчасти Komatsu S6D105-1JJ ГЕНЕРАТОР (7A) ЭЛЕКТРИКА

Схема запчастей Komatsu S6D105-1JJ - ГЕНЕРАТОР (7A) ЭЛЕКТРИКА
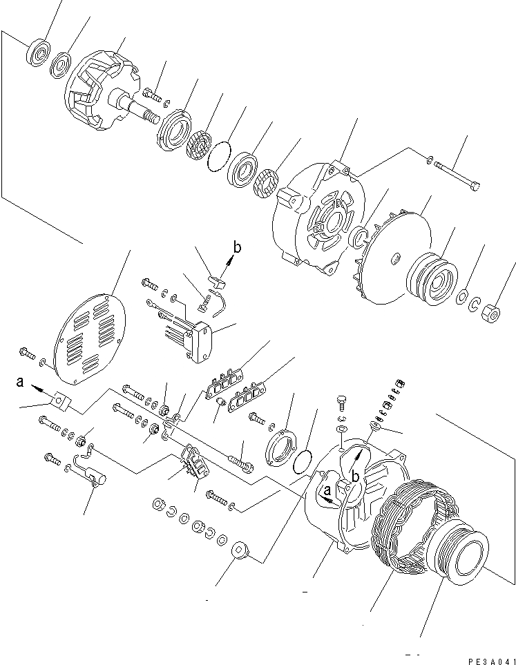
1
2
3
3
4
4
5
6
7
8
9
10
10
10
11
12
13
14
15
16
17
18
19
20
21
22
23
23
24
25
26
27
28
29
30
31
32
33
34
1
2
3
3
4
4
5
6
7
8
9
10
10
10
11
12
13
14
15
16
17
18
19
20
21
22
23
23
24
25
26
27
28
29
30
31
32
33
34
FIT
1:1
100%

Артикул

Название

Примечание

Количество

|1

600-821-9540

ALTERNATOR A. (75A)

SN: 79301-UP

1шт.

|$$2

THE SAWAFUJI DENKI PART NUMBER IS THAT SD IS REMOVED FROM KOMATSU PART NUMBER LISTED BELOW.

-1шт.

1

SD1211-40300X0

STATOR ASS'Y

SN: 79301-UP

1шт.

|2

SD1230-18802X0

REAR BRACKET ASS'Y

SN: 79301-UP

1шт.

2

SD2240-19500X0

BRACKET

SN: 79301-UP

1шт.

3

SD1235-06400X0

HEAT SINK ASS'Y(+)

SN: 79301-UP

2шт.

4

SD1235-06410X0

HEAT SINK ASS'Y(-)

SN: 79301-UP

2шт.

5

SD5010-26400X0

BOLT

SN: 79301-UP

1шт.

6

SD3220-38800X0

SUPPORT

SN: 79301-UP

1шт.

7

SD4215-04000X0

INSULATOR

SN: 79301-UP

1шт.

8

SD4041-07500X0

BUSHING

SN: 79301-UP

1шт.

9

SD4215-03900X0

INSULATOR

SN: 79301-UP

4шт.

10

SD4041-00900X0

BUSHING

SN: 79301-UP

4шт.

11

SD6060-11920X0

CONDENSER

SN: 79301-UP

1шт.

12

SD8140-0503010

BOLT

SN: 79301-UP

1шт.

13

SD4215-01300X0

INSULATOR

SN: 79301-UP

1шт.

14

SD4041-05700X0

BUSHING

SN: 79301-UP

1шт.

15

SD1510-02910X0

REGULATOR ASS'Y

SN: 79301-UP

1шт.

16

SD4142-01000X0

O-RING

SN: 79301-UP

1шт.

17

SD2202-01401X0

COVER

SN: 79301-UP

1шт.

18

SD6206-00730X0

BEARING,BALL

SN: 79301-UP

1шт.

19

SD3409-00300X0

COVER

SN: 79301-UP

1шт.

20

SD1251-00700X0

COIL ASS'Y

SN: 79301-UP

1шт.

21

SD1221-15100X0

ROTOR ASS'Y

SN: 79301-UP

1шт.

|22

SD1240-07200X0

FRONT BRACKET ASS'Y

SN: 79301-UP

1шт.

22

SD2242-08600X0

BRACKET

SN: 79301-UP

1шт.

23

SD6410-02000X0

SEAL,OIL

SN: 79301-UP

2шт.

24

SD6206-00320X0

BEARING,BALL

SN: 79301-UP

1шт.

25

SD4142-00900X0

O-RING

SN: 79301-UP

1шт.

26

SD2202-02200X0

COVER

SN: 79301-UP

1шт.

27

SD5010-21500X0

BOLT

SN: 79301-UP

3шт.

28

SD5010-04730X0

BOLT

SN: 79301-UP

4шт.

29

SD3600-17300X0

COLLAR

SN: 79301-UP

1шт.

30

SD1982-03200X0

FAN ASS'Y

SN: 79301-UP

1шт.

31

SD2080-22500X0

PULLEY,NON HARDENING

SN: 79301-UP

1шт.

32

SD8300-1800010

WASHER

SN: 79301-UP

1шт.

33

SD8264-1820010

NUT

SN: 79301-UP

1шт.

34

SD3002-04600X0

COVER

SN: 79301-UP

1шт.

|1

600-821-9540

ALTERNATOR A. (75A)

SN: 79301-UP

1шт.

|$$2

THE SAWAFUJI DENKI PART NUMBER IS THAT SD IS REMOVED FROM KOMATSU PART NUMBER LISTED BELOW.

-1шт.

1

SD1211-40300X0

STATOR ASS'Y

SN: 79301-UP

1шт.

|2

SD1230-18802X0

REAR BRACKET ASS'Y

SN: 79301-UP

1шт.

2

SD2240-19500X0

BRACKET

SN: 79301-UP

1шт.

3

SD1235-06400X0

HEAT SINK ASS'Y(+)

SN: 79301-UP

2шт.

4

SD1235-06410X0

HEAT SINK ASS'Y(-)

SN: 79301-UP

2шт.

5

SD5010-26400X0

BOLT

SN: 79301-UP

1шт.

6

SD3220-38800X0

SUPPORT

SN: 79301-UP

1шт.

7

SD4215-04000X0

INSULATOR

SN: 79301-UP

1шт.

8

SD4041-07500X0

BUSHING

SN: 79301-UP

1шт.

9

SD4215-03900X0

INSULATOR

SN: 79301-UP

4шт.

10

SD4041-00900X0

BUSHING

SN: 79301-UP

4шт.

11

SD6060-11920X0

CONDENSER

SN: 79301-UP

1шт.

12

SD8140-0503010

BOLT

SN: 79301-UP

1шт.

13

SD4215-01300X0

INSULATOR

SN: 79301-UP

1шт.

14

SD4041-05700X0

BUSHING

SN: 79301-UP

1шт.

15

SD1510-02910X0

REGULATOR ASS'Y

SN: 79301-UP

1шт.

16

SD4142-01000X0

O-RING

SN: 79301-UP

1шт.

17

SD2202-01401X0

COVER

SN: 79301-UP

1шт.

18

SD6206-00730X0

BEARING,BALL

SN: 79301-UP

1шт.

19

SD3409-00300X0

COVER

SN: 79301-UP

1шт.

20

SD1251-00700X0

COIL ASS'Y

SN: 79301-UP

1шт.

21

SD1221-15100X0

ROTOR ASS'Y

SN: 79301-UP

1шт.

|22

SD1240-07200X0

FRONT BRACKET ASS'Y

SN: 79301-UP

1шт.

22

SD2242-08600X0

BRACKET

SN: 79301-UP

1шт.

23

SD6410-02000X0

SEAL,OIL

SN: 79301-UP

2шт.

24

SD6206-00320X0

BEARING,BALL

SN: 79301-UP

1шт.

25

SD4142-00900X0

O-RING

SN: 79301-UP

1шт.

26

SD2202-02200X0

COVER

SN: 79301-UP

1шт.

27

SD5010-21500X0

BOLT

SN: 79301-UP

3шт.

28

SD5010-04730X0

BOLT

SN: 79301-UP

4шт.

29

SD3600-17300X0

COLLAR

SN: 79301-UP

1шт.

30

SD1982-03200X0

FAN ASS'Y

SN: 79301-UP

1шт.

31

SD2080-22500X0

PULLEY,NON HARDENING

SN: 79301-UP

1шт.

32

SD8300-1800010

WASHER

SN: 79301-UP

1шт.

33

SD8264-1820010

NUT

SN: 79301-UP

1шт.

34

SD3002-04600X0

COVER

SN: 79301-UP

1шт.

Выбрано товаров: 0