Запчасти Komatsu GD505A-3A ЭЛЕКТРИКА (ЛИНИЯ ПАНЕЛИ МОНИТОРА) КОМПОНЕНТЫ ДВИГАТЕЛЯ И ЭЛЕКТРИКА

Схема запчастей Komatsu GD505A-3A - ЭЛЕКТРИКА (ЛИНИЯ ПАНЕЛИ МОНИТОРА) КОМПОНЕНТЫ ДВИГАТЕЛЯ И ЭЛЕКТРИКА
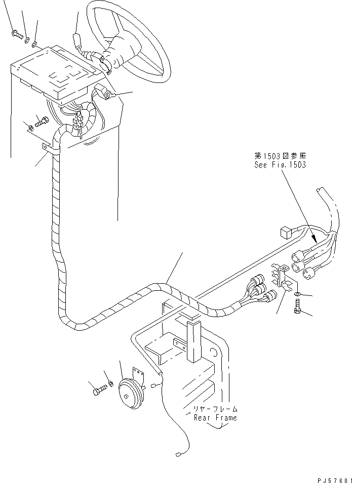
1
2
3
4
5
6
7
8
9
10
11
12
13
14
15
FIT
1:1
100%

Артикул

Название

Примечание

Количество

1

23A-06-21610

WIRE ASS'Y

SN: 2001-UP

1шт.

2

01220-40612

SCREW

SN: 2001-UP

4шт.

3

01643-30623

WASHER

SN: 2001-UP

4шт.

4

01640-20610

WASHER

SN: 2001-UP

4шт.

5

23A-06-12650

SWITCH,TURN SIGNAL

SN: 2001-UP

1шт.

6

23A-06-12660

SWITCH,DIMMER

SN: 2001-UP

1шт.

7

08036-02514

CLIP

SN: 2001-UP

1шт.

8

01010-51016

BOLT

SN: 2001-UP

1шт.

9

01643-31032

WASHER

SN: 2001-UP

1шт.

10

23D-06-12380

BRACKET

SN: 2001-UP

1шт.

11

01010-51016

BOLT

SN: 2001-UP

1шт.

12

01643-31032

WASHER

SN: 2001-UP

1шт.

13

08160-62420

HORN

SN: 2063-UP

1шт.

|13

08160-62430

HORN

SN: 2001-2062

1шт.

14

01010-50814

BOLT

SN: 2001-UP

2шт.

15

01643-30823

WASHER

SN: 2001-UP

2шт.

Выбрано товаров: 16