Запчасти Komatsu GD510R-1 ОСНОВН. МУФТА УСИЛИТЕЛЬ СИЛОВАЯ ПЕРЕДАЧА

Схема запчастей Komatsu GD510R-1 - ОСНОВН. МУФТА УСИЛИТЕЛЬ СИЛОВАЯ ПЕРЕДАЧА
FIT
1:1
100%

Артикул

Название

Примечание

Количество

|1

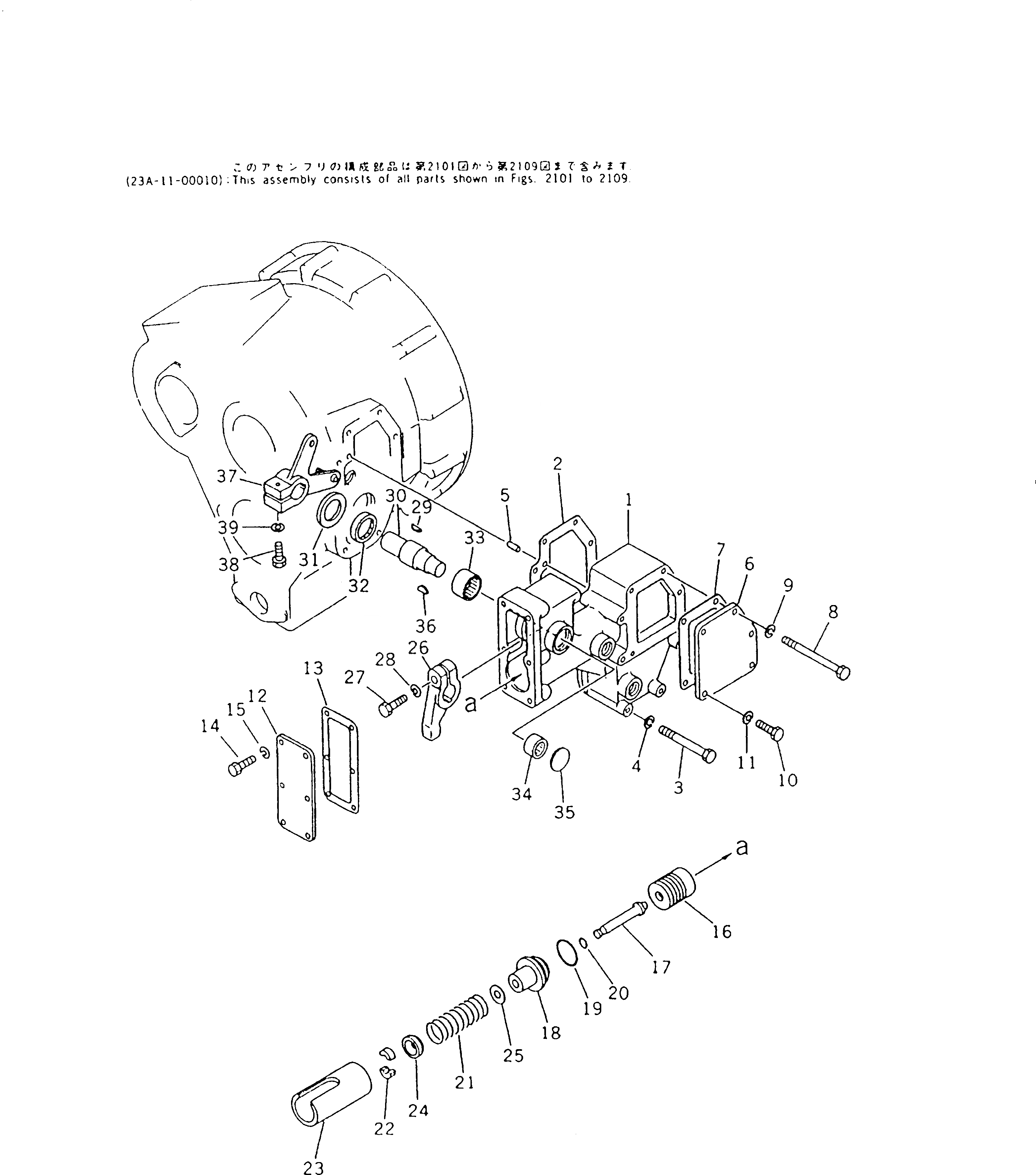
23A-11-00010

MAIN CLUTCH ASS'Y

SN: 15001-UP

1шт.

|$$2

THIS ASSEMBLY CONSISTS OF ALL PARTS SHOWN IN FIGS.2101 TO 2109.

-1шт.

1

238-11-13110

CASE

SN: 15001-UP

1шт.

2

238-11-13121

GASKET

SN: 15579-UP

1шт.

|2

0

GASKET

SN: 15001-15578

1шт.

3

01011-51010

BOLT

SN: 15001-UP

5шт.

4

01643-31032

WASHER

SN: 15001-UP

5шт.

5

04020-00820

PIN,DOWEL

SN: 15001-UP

2шт.

6

238-11-13130

COVER

SN: 15001-UP

1шт.

7

238-11-13141

GASKET

SN: 15579-UP

1шт.

|7

0

GASKET

SN: 15001-15578

1шт.

8

01011-51020

BOLT

SN: 15001-UP

3шт.

9

01643-31032

WASHER

SN: 15001-UP

3шт.

10

01010-51025

BOLT

SN: 15001-UP

1шт.

11

01643-31032

WASHER

SN: 15001-UP

1шт.

12

238-11-13150

COVER

SN: 15001-UP

1шт.

13

238-11-13191

GASKET

SN: 15579-UP

1шт.

|13

0

GASKET

SN: 15001-15578

1шт.

14

01010-51025

BOLT

SN: 15001-UP

6шт.

15

01643-31032

WASHER

SN: 15001-UP

6шт.

16

232-11-53260

PISTON

SN: 15001-UP

1шт.

17

232-11-53271

VALVE

SN: 15001-UP

1шт.

18

232-11-53181

GUIDE

SN: 15001-UP

1шт.

19

07000-13042

O-RING

SN: 15001-UP

1шт.

20

07000-12014

O-RING

SN: 15001-UP

1шт.

21

121-10-13160

SPRING

SN: 15001-UP

1шт.

22

232-11-53280

RING

SN: 15001-UP

2шт.

23

121-10-13261

SPACER

SN: 15001-UP

1шт.

24

131-10-15210

SEAT

SN: 15001-UP

1шт.

25

238-11-13160

COLLAR

SN: 15001-UP

1шт.

26

238-11-13170

LEVER

SN: 15001-UP

1шт.

27

01010-51240

BOLT

SN: 15001-UP

1шт.

28

01643-31232

WASHER

SN: 15001-UP

1шт.

29

04010-00725

KEY

SN: 15001-UP

1шт.

30

232-11-53210

SHAFT

SN: 15001-UP

1шт.

31

121-10-13190

COLLAR

SN: 15001-UP

1шт.

32

120-09-11310

SEAL,OIL

SN: 15001-UP

1шт.

33

06120-03520

BEARING

SN: 15001-UP

1шт.

34

06120-02520

BEARING

SN: 15001-UP

1шт.

35

07046-14020

PLUG

SN: 15001-UP

1шт.

36

04010-00725

KEY

SN: 15001-UP

1шт.

37

238-11-13180

LEVER

SN: 15001-UP

1шт.

38

01010-51240

BOLT

SN: 15001-UP

1шт.

39

01643-31232

WASHER

SN: 15001-UP

1шт.

Выбрано товаров: 0