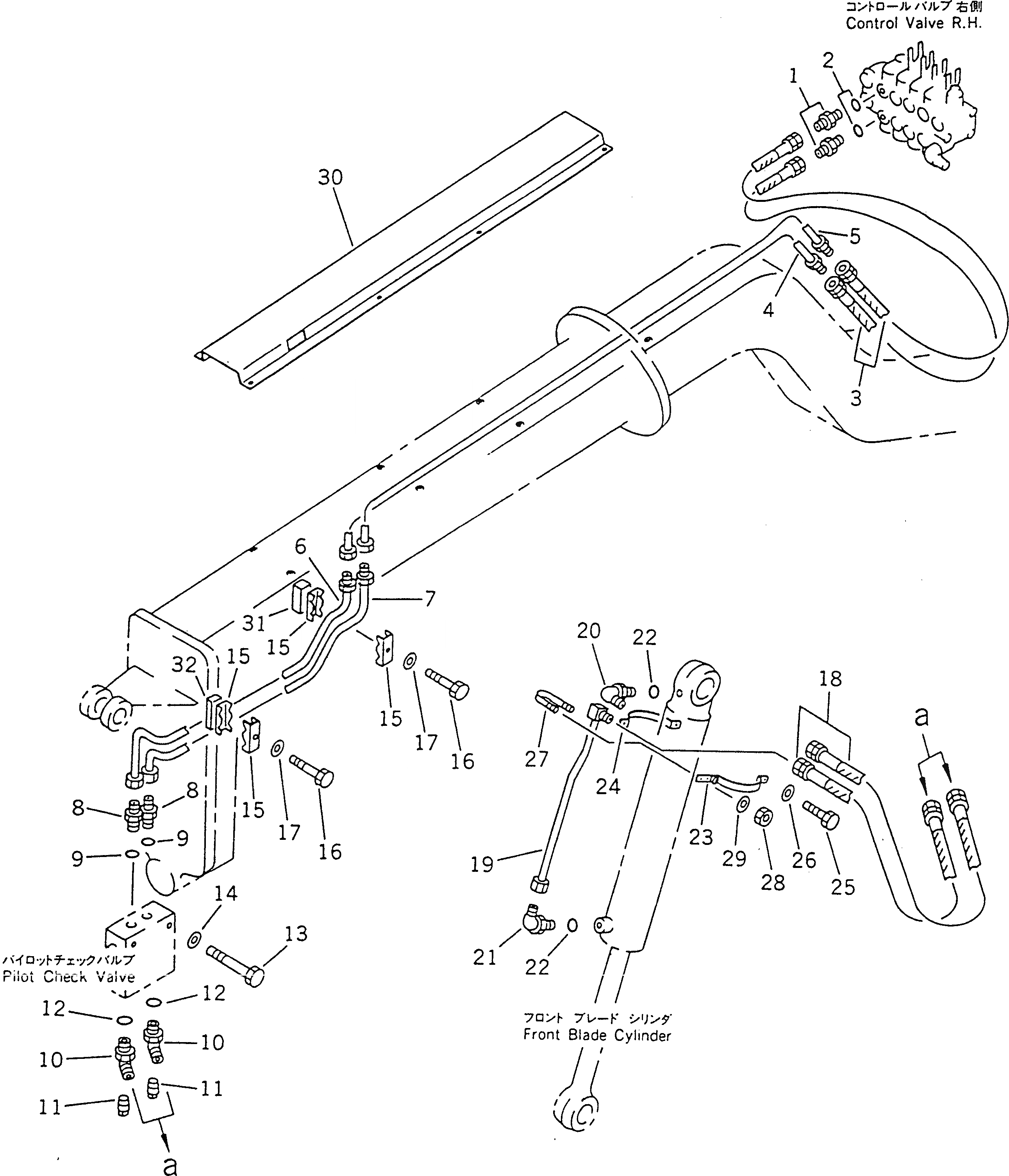
Запчасти Komatsu GD510R-1 ГИДРОЛИНИЯ (ПЕРЕДН. ЦИЛИНДР ОТВАЛА ЛИНИЯ) (/) УПРАВЛ-Е РАБОЧИМ ОБОРУДОВАНИЕМ

Схема запчастей Komatsu GD510R-1 - ГИДРОЛИНИЯ (ПЕРЕДН. ЦИЛИНДР ОТВАЛА ЛИНИЯ) (/) УПРАВЛ-Е РАБОЧИМ ОБОРУДОВАНИЕМ
FIT
1:1
100%

Артикул

Название

Примечание

Количество

1

237-60-23120

NIPPLE

SN: 15001-UP

2шт.

2

237-60-22240

O-RING

SN: 15001-UP

2шт.

3

230-09-03110

HOSE

SN: 15001-UP

2шт.

4

23B-60-18120

TUBE

SN: 15001-UP

1шт.

5

23B-60-18110

TUBE

SN: 15001-UP

1шт.

6

23B-60-18140

TUBE

SN: 15001-UP

1шт.

7

23B-60-18130

TUBE

SN: 15001-UP

1шт.

8

07230-10422

UNION

SN: 15001-UP

2шт.

9

07002-12034

O-RING

SN: 15001-UP

2шт.

10

07235-50315

ELBOW

SN: 15001-UP

2шт.

11

07042-50108

PLUG

SN: 15001-UP

2шт.

12

07002-12034

O-RING

SN: 15001-UP

2шт.

13

01010-50855

BOLT

SN: 15001-UP

2шт.

14

01643-30823

WASHER

SN: 15001-UP

2шт.

15

232-60-54830

CLIP

SN: 15001-UP

4шт.

16

01010-51050

BOLT

SN: 15001-UP

2шт.

17

01643-31032

WASHER

SN: 15001-UP

2шт.

18

230-09-03060

HOSE

SN: 15001-UP

2шт.

19

232-60-65680

TUBE

SN: 15001-UP

1шт.

20

07235-10315

ELBOW

SN: 15001-UP

1шт.

21

07235-10422

ELBOW

SN: 15001-UP

1шт.

22

07002-12034

O-RING

SN: 15001-UP

2шт.

23

232-60-65690

BAND

SN: 15001-UP

1шт.

24

234-60-33480

BAND

SN: 15001-UP

1шт.

25

01010-50830

BOLT

SN: 15001-UP

2шт.

26

01643-30823

WASHER

SN: 15001-UP

2шт.

27

07283-21529

CLIP

SN: 15001-UP

1шт.

28

01598-00809

NUT

SN: 15001-UP

2шт.

29

01643-30823

WASHER

SN: 15001-UP

2шт.

30

23B-60-18160

COVER,(MODIFIED PART)

SN: 15001-UP

1шт.

31

234-46-31210

SEAT (WELDED)

SN: 15001-UP

1шт.

32

233-70-21170

SEAT (WELDED)

SN: 15001-UP

1шт.

Выбрано товаров: 32