Запчасти Komatsu GD521A-1 ПЕДАЛЬ ТОРМОЗА(№7-) СИСТЕМА УПРАВЛЕНИЯ

Схема запчастей Komatsu GD521A-1 - ПЕДАЛЬ ТОРМОЗА(№7-) СИСТЕМА УПРАВЛЕНИЯ
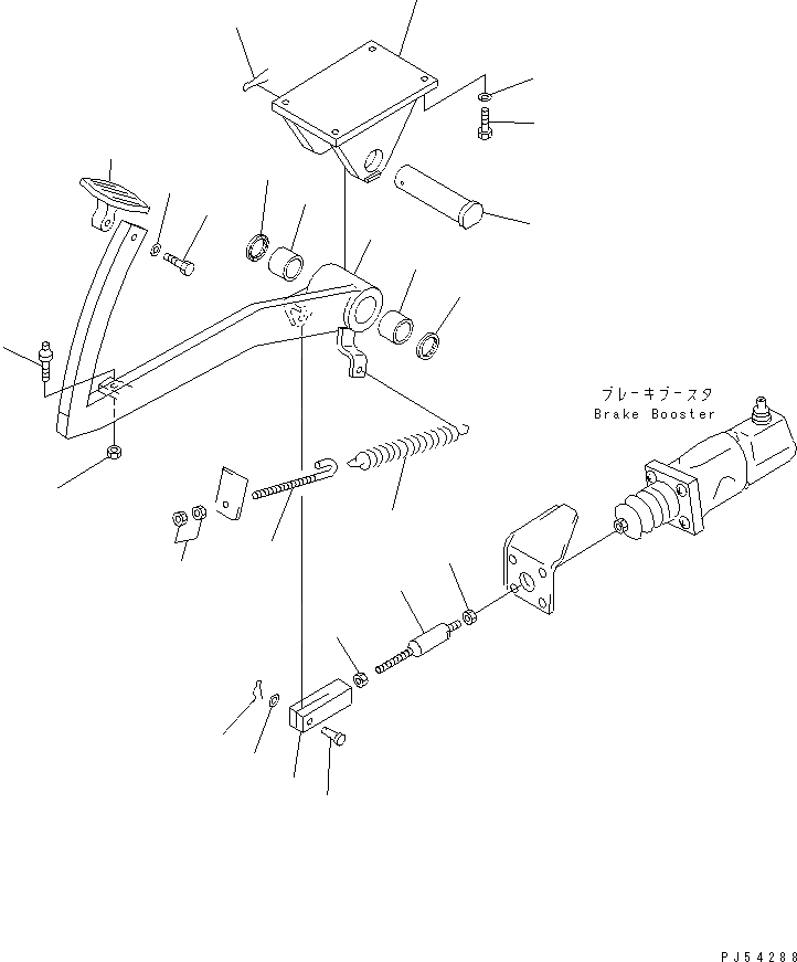
1
2
3
4
5
6
7
8
9
10
10
11
11
12
13
14
15
16
17
18
19
20
21
22
23
FIT
1:1
100%

Артикул

Название

Примечание

Количество

1

23A-43-13161

LEVER

SN: 10076-UP

1шт.

2

232-43-13130

PEDAL

SN: 10001-UP

1шт.

3

01010-51035

BOLT

SN: 10001-UP

1шт.

4

01643-31032

WASHER

SN: 10001-UP

1шт.

5

09311-41237

BUMPER

SN: 10076-UP

1шт.

5

232-43-52430

BUMPER

SN: 10001-10075

1шт.

6

01580-11210

NUT

SN: 10001-UP

1шт.

7

23A-43-13170

BRACKET

SN: 10076-UP

1шт.

8

01010-51225

BOLT

SN: 10001-UP

4шт.

9

01643-31232

WASHER

SN: 10001-UP

8шт.

10

07177-03525

BUSHING

SN: 10001-UP

2шт.

11

232-43-53390

SEAL,DUST

SN: 10001-UP

2шт.

12

238-43-13120

PIN

SN: 10001-UP

1шт.

13

04050-16050

PIN,COTTER

SN: 10001-UP

1шт.

14

23D-43-18870

YOKE,L.H. THREAD

SN: 10001-UP

1шт.

15

01508-21408

NUT,L.H. THREAD

SN: 10001-UP

1шт.

16

04205-11438

PIN

SN: 10001-UP

1шт.

17

01641-21423

WASHER

SN: 10001-UP

1шт.

18

04052-01453

PIN,SNAP

SN: 10001-UP

1шт.

19

23D-43-18860

ROD

SN: 10076-UP

1шт.

20

01580-11210

NUT

SN: 10001-UP

1шт.

21

232-43-13162

SPRING

SN: 10001-UP

1шт.

22

232-43-53160

BOLT

SN: 10001-UP

1шт.

23

01580-11008

NUT

SN: 10001-UP

2шт.

Выбрано товаров: 24